• Добро пожаловать на компьютерный форум Tehnari.ru. Здесь разбираемся с проблемами ПК и ноутбуков: Windows, драйверы, «железо», сборка и апгрейд, софт и безопасность. Форум работает много лет, сейчас он переехал на новый движок, но старые темы и аккаунты мы постарались сохранить максимально аккуратно.

    Форум не связан с магазинами и сервисами – мы ничего не продаём и не даём «рекламу под видом совета». Отвечают обычные участники и модераторы, которые следят за порядком и качеством подсказок.

    Если вы у нас впервые, загляните на страницу о форуме и правила – там коротко описано, как задать вопрос так, чтобы быстро получить ответ. Чтобы создавать темы и писать сообщения, сначала зарегистрируйтесь, а затем войдите под своим логином.

    Не знаете, с чего начать? Создайте тему с описанием проблемы – подскажем и при необходимости перенесём её в подходящий раздел.
    Задать вопрос Новые сообщения Как правильно спросить
    Если пришли по старой ссылке со старого Tehnari.ru – вы на нужном месте, просто продолжайте обсуждение.

Светодиодный индикатор заряда конденсатора 450В

2 рисунок намотки
 

Вложения

  • обмотка катушек.webp
    обмотка катушек.webp
    13.5 KB · Просмотры: 287
а для чего их закрывать?
Вы хотите сказать, что их не нужно закрывать? А как тогда конденсаторы будут заряжаться если они будут шунтироваться катушкой и открытым тиристором?
 
Вы хотите сказать, что их не нужно закрывать? А как тогда конденсаторы будут заряжаться если они будут шунтироваться катушкой и открытым тиристором?
так питание (кнопка) не будет нажата до полного заряда, а сами кондеры будут от катушки отсечены, этой самой кнокпой
 
Знатоки подскажите пожалуйста программу-эмулятор понятную для новичка, я могу где-нибудь нарисовать схему и проверить эмуляцию работы?
Кстати возник второй вопрос- можно ли сделать такую кнопку которая будет работать только при наборе определенного напряжения на кондерах?, чтобы например уберечь пользователя устройства от излишних нажатий на кнопку пока кондеры не зарядятся?
 
По схеме я вижу, ну вы нажали на кнопку, тиристор открылся, подключил конденсатор через (повёрнутый) диод к катушке и остаётся подключенным к питанию через этот же самый диод и катушку. Так как ток постоянный, тиристор будет открыт, пока вы вообще питание (+450 В) полностью не отключите...
 
По схеме я вижу, ну вы нажали на кнопку, тиристор открылся, подключил конденсатор через (повёрнутый) диод к катушке и остаётся подключенным к питанию через этот же самый диод и катушку. Так как ток постоянный, тиристор будет открыт, пока вы вообще питание (+450 В) полностью не отключите...

почему? после разряда все кондеры разрядятся, а т.к. кнопка разомкнет питание то тиристор тоже закрыт будет
 

Вложения

  • обмотка_v2.webp
    обмотка_v2.webp
    18.8 KB · Просмотры: 154
тиристор не подключен к минусу преобразователя на 450В
 
Почему же не подключён? По схеме хорошо видно, что катод подключён к минусу... или у меня что-то с глазами?
 
Почему же не подключён? По схеме хорошо видно, что катод подключён к минусу... или у меня что-то с глазами?
нарисовал один тиристор, поправьте если не правильно
кажется я понял что Вы имели в виду? что минус и кондера и преобразователя включен в теристор?
 

Вложения

  • обмотка_v3.webp
    обмотка_v3.webp
    18.4 KB · Просмотры: 186
Нет, я хочу, чтобы вы почитали что-нибудь про работу тиристора, например, что такое "ток удержания"...
 
Светлана
не факт конечно, но может и будет закрытие тиристоров. зависит от скорости разряда емкости.
если скорость большая, то во первых противо ЭДС катушки возникнет, во вторых разряженная емкость закоротит тиристор, но ограничитель тока заряда конечно нужен.
тут другая засада
Расл
в чем смысл использования 3-х соленоидов?
дело в том что емкости все параллельно и начнут сразу все разряжаться на 1 катушку, на второй соленоид подключатся уже частично разряженные емкости, а на 3 катушку еще более разряженные.
 
разряженная емкость закоротит тиристор
Если она разрядится... Как только напряжение уменьшится, потечёт ток с зарядки. Вообще, разобраться в работе тиристора на индуктивную нагрузку, да ещё и на постоянном токе - та ещё задачка... :)
 
Расл в чем смысл использования 3-х соленоидов?
если я Вам скажу для чего, Вы скорее всего не захотите мне помогать больше(
я хочу собрать пушку Гаусса, основанную на электромагнитном поле.
Для меня это очень интересно т.к. я не электроник.
По идее я взял несколько идей пушек и решил собрать свою.:look:
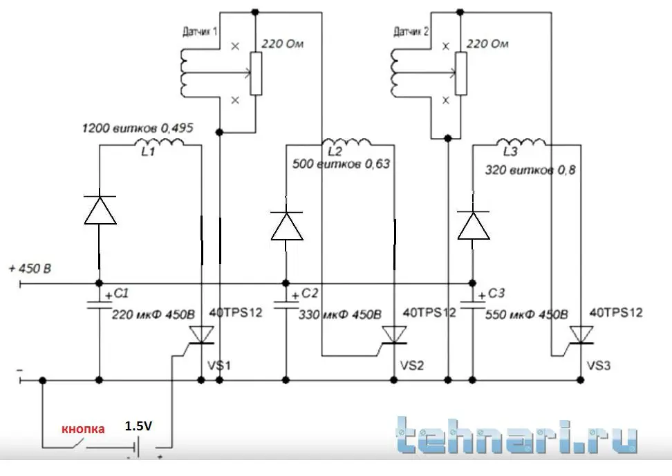
по идее каждая катушка должна работать на свой соленоид, ствол пушки диамагнитный материал, снаряд ферромагнитный, проходя через каждую катушку они придают ускорение снаряду, вот в чем суть. Схема вроде рабочая получилась и оставалось только индикатор заряда сделать и кнопку которая будет работать в зависимости от заряда или напряжения кондеров.
По идее суть такова, ток от 12в переходит в 450 на преобразователе и ждет "своего часа", после замыкания питания 1,5в, происходит разряд каждого кондера на катушки последовательно и мгновенно придавая снаряду ускорение, после чего снова заряжаются и ждут нажатия кнопки.
 
ну что то подобное я и предполагал
можете подсказать по схеме? сейчас она не работоспособна? что можно добавить?
по кнопке? по индикации заряда? по разрядке кондеров?
 
по силовой части схемы изменения и вопросы
 

Вложения

  • пушка.webp
    пушка.webp
    15.8 KB · Просмотры: 456
по силовой части схемы изменения и вопросы
так и знал что между кондерами тоже нужны диоды!
Датчик1 м датчик 2 представляет собой две встречно намотанных катушки под основной втягивающей обмоткой. Когда снаряд пролетает через одну половнику, (он выполняет ту же роль что и сердечник) баланс сбивается. А резистор 220 ОМ переменный нужен для регулировки напряжения при передачи магнитного поля на сл.катушку
а что за красные прямоугольники? это резисторы? а какой величины они?
 
Назад
Сверху