TA8275HQ

  • Автор темы Автор темы Alex_48
  • Дата начала Дата начала

Вложения

Имеется две магнитолы на данной микросхеме-рабочая и не совсем. При подключении рабочей магнитолы снял показания питания микросхемы: 20 и 6 ножки (+12,5 В); 4 и 22 ножки (+5,4 В). Сигнальная и силовая земли, связаны меж собой через резистор 7 Ом. Посмотрев на рабочей магнитоле, что да как, решил запустить усилитель на не рабочей. Поскольку на плате много перемычек, выпаял нужные. Далее подвел питание от компьютерного бп к 20,6 и 4,22 ножкам 12 и 5 вольт соответственно. Подал звук на микруху с телефона и вуаля, она запустилась без фонов и других лишних звуков. Теперь буду собирать домашнюю акустику на ней.
 
Имеется две магнитолы на данной микросхеме-рабочая и не совсем. При подключении рабочей магнитолы снял показания питания микросхемы: 20 и 6 ножки (+12,5 В); 4 и 22 ножки (+5,4 В). Сигнальная и силовая земли, связаны меж собой через резистор 7 Ом. Посмотрев на рабочей магнитоле, что да как, решил запустить усилитель на не рабочей. Поскольку на плате много перемычек, выпаял нужные. Далее подвел питание от компьютерного бп к 20,6 и 4,22 ножкам 12 и 5 вольт соответственно. Подал звук на микруху с телефона и вуаля, она запустилась без фонов и других лишних звуков. Теперь буду собирать домашнюю акустику на ней.

Спасибо конечно что откликнулись, но она уже, наверное, с последнего моего сообщения ушла... ну сам знаешь куда:).
Предлагаю выложить фото и схему, может кому пригодиться.
 
Подтверждаю запуск

Подтверждаю запуск микросхемы. Очевидное расхождение реальности с даташитами.

Активация (включение) по линии Сстэндбай (4) и Мют (12) происходит только в узком (TTL) диапазоне напряжений, а не как написано в даташите - от +3В до +V питания. Реально проверена работа с управляющим напряжением +4-5,4В для обеих линий.

Подавал через делитель - с движка потенцеометра 22К подключеного между "+" питания и "сигнальной землей" если выделена или общей землей. Для каждой линии свой делитель. При активации по Стендбай на выходах появляется половина напряжения питания (в покое - 0). При активации по Мют - начинает проходить сигнал со входа на выход (исходно молчит как рыба).

Если подавать управление +12-15В (как в доке) - микросхема в состоянии Стэндбай (спит), на выходах - 0.

Относительно сигнальной земли "PRE-GND" и общей(силовой) земли "PW-GND". Если не соединять их совсем, то сигнал со входа не проходит. При соединении - работает. От правильности соединения зависит уровень возможных фоновых наводок по входу. Это в соответствие общей теории разводки.

Сам проверил на TA8277. Похоже, что подобная ситуация и с другими чипами аналогами и клонами из серии 12-вольтовых мостовых 4-канальников.
 
Подтверждаю запуск микросхемы. Очевидное расхождение реальности с даташитами.
и все же я как начинающий не могу понять что и куда какие резисторы и какие конденсаторы припаивать прост схемы не особо умею читать больше когда руками делаю запоминается
 
Подтверждаю запуск микросхемы. Очевидное расхождение реальности с даташитами.

Активация (включение) по линии Сстэндбай (4) и Мют (12) происходит только в узком (TTL) диапазоне напряжений, а не как написано в даташите - от +3В до +V питания. Реально проверена работа с управляющим напряжением +4-5,4В для обеих линий.

Подавал через делитель - с движка потенцеометра 22К подключеного между "+" питания и "сигнальной землей" если выделена или общей землей. Для каждой линии свой делитель. При активации по Стендбай на выходах появляется половина напряжения питания (в покое - 0). При активации по Мют - начинает проходить сигнал со входа на выход (исходно молчит как рыба).

Если подавать управление +12-15В (как в доке) - микросхема в состоянии Стэндбай (спит), на выходах - 0.

Относительно сигнальной земли "PRE-GND" и общей(силовой) земли "PW-GND". Если не соединять их совсем, то сигнал со входа не проходит. При соединении - работает. От правильности соединения зависит уровень возможных фоновых наводок по входу. Это в соответствие общей теории разводки.

Сам проверил на TA8277. Похоже, что подобная ситуация и с другими чипами аналогами и клонами из серии 12-вольтовых мостовых 4-канальников.
Hi.I hope this translation is meaninful..
Здравствуй.
Я думаю, что STB в порядке, чтобы подключить его напрямую к Vcc.
Мой вопрос о немой булавке (pin22).
Я просто хочу отключить приглушение звука (приглушение будет всегда выключено).
Вы давали 4-5,4v pin22 напрямую?
Datasheet говорит, что «pin22 имеет временную характеристику 4.6v (низкая температура) до 3,2v (высокая температура). Поэтому его рабочее напряжение должно быть меньше 5V».
Я смотрел на очень похожие данные чипов чипов toshiba: «Этот немой контакт не должен подключаться к определенному напряжению, например Vcc, Vdd, Vref, ... и т. Д. Другими словами, pin22 запрещен для подъема.
Шнур отключения звука должен контролироваться как открытый, так и низкий.

Так что в принципе я могу отключить штырь приглушения, подключающийся к Vcc с RESISTOR?
Нужен ли мне конденсатор для отключения звука?
Что означает «подталкивание 22-го штыря»?

Еще один вопрос:
Скажем, я не хочу использовать ch2.
Могу ли я оставить этот контакт без соединения ни с чем 12 (вход 2), 3-5 (громкоговоритель), 2 (pw-gnd2)?

Благодаря..

Благодаря..


Благодаря...
 
Существует уравнение для вывода микрофона с усилителем lm3886.
Rm = (V-2.6v) / I и I> = 0,5 мА, чтобы отключить усилитель.
Я просто хочу использовать 12-15v для отключения этого чипа toshiba.
Как вы вычисляете значение резистора?
Вторая возможность:
с использованием делителя напряжения (R: 2R будет давать 12. (1R / 3R) = 4v).
Или используйте резистор + стабилитрон для регулирования напряжения.

Пожалуйста, поделитесь своими мнениями ..
Я жду..
 
Стесняюсь спросить, вот это, постом выше, что за белиберда написана ?
Или это иностранец, не знающий русского языка, пытается задавать вопросы через переводчика ?
 
да
Я иностранец.
и да, я использую интерпретатор.
Если это мусор, я не пишу ..
 
Спасибо.
TA8275 'pin22' напряжение <5в.
'pin22' равен 'ON' 0-0.5v & R1 = 10k.
Я хочу использовать 12v управляющее напряжение для «pin22».
Вы что-то предлагаете?
 
Я запускал TDA7388 вот по этой схеме. Думаю, что и TA8275 должна работать аналогично, т.к. они, практически, аналоги.
 

Вложения

  • tda7386_shema.webp
    tda7386_shema.webp
    14.2 KB · Просмотры: 2,128
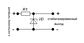
Тогда сделай простейший параметрический стабилизатор на 5 Вольт, и дел то.
 

Вложения

  • стабилизатор.gif
    стабилизатор.gif
    1.6 KB · Просмотры: 880
R=47k Vz=3.3v. ???
 

Вложения

  • C__Data_Users_DefApps_AppData_INTERNETEXPLORER_Temp_Saved Images_wp_ss_20180120_0001_4_70.png.webp
    C__Data_Users_DefApps_AppData_INTERNETEXPLORER_Temp_Saved Images_wp_ss_20180120_0001_4_70.png.webp
    34.2 KB · Просмотры: 309
  • C__Data_Users_DefApps_AppData_INTERNETEXPLORER_Temp_Saved Images_wp_ss_20180120_0002_1_70.png.webp
    C__Data_Users_DefApps_AppData_INTERNETEXPLORER_Temp_Saved Images_wp_ss_20180120_0002_1_70.png.webp
    36.3 KB · Просмотры: 342
Не могу запустить эту ТА в магнитоле, все напряжения присутствуют: на 6и20 ноге 12 В на 4и 22 4,9 в Она молчит как партизан на допросе в динамиках полная тишина, на входах 1.5В и начинает падать при измерении.помогите разобратся пожалуйста.
 

Похожие темы

Назад
Сверху