• Добро пожаловать на компьютерный форум Tehnari.ru. Здесь разбираемся с проблемами ПК и ноутбуков: Windows, драйверы, «железо», сборка и апгрейд, софт и безопасность. Форум работает много лет, сейчас он переехал на новый движок, но старые темы и аккаунты мы постарались сохранить максимально аккуратно.

    Форум не связан с магазинами и сервисами – мы ничего не продаём и не даём «рекламу под видом совета». Отвечают обычные участники и модераторы, которые следят за порядком и качеством подсказок.

    Если вы у нас впервые, загляните на страницу о проекте, чтобы узнать больше. Чтобы создавать темы и писать сообщения, сначала зарегистрируйтесь, а затем войдите под своим логином.

    Не знаете, с чего начать? Создайте тему с описанием проблемы – подскажем и при необходимости перенесём её в подходящий раздел.
    Задать вопрос Новые сообщения Как правильно спросить
    Если пришли по ссылке со старого Tehnari.ru – вы на нужном месте, просто продолжайте обсуждение.

TC-180

  • Автор темы Автор темы TSKos
  • Дата начала Дата начала
О_о.... смена пришла... дежурство сдал tehno034
 
Перемычку можно поставить и на 3-3. Это приведет к уменьшению максимальной магнитной индукции и, как следствие, уменьшению поля рассеивания (уменьшатся наводки на окружающие элементы). Снизится ток холостого хода. Немного упадет максимальная мощность. Увеличится число витков на вольт, то есть для получения требуемого напряжения на выходе нужно будет мотать больше витков. Учитывая, что исходная магнитная индукция у этого транса более 1.7 Тл, а аудиофилы мотают трансы на не более чем 1.2 Тл, то с этой точки зрения установка перемычки на 3-3 является предпочтительней.
в итоге получается что перемычку лучше ставить на 2 и 6?
 
Ну если вы аудиофил, то ставьте на 3_3'
 
Ну тогда ваш удел - перемычка 2_2'
 
О_о.... смена пришла... дежурство сдал

)))


в итоге получается что перемычку лучше ставить на 2 и 6?

Поставь перемычку на 2-2 и включи в сеть без нагрузки на час. Через час проверь температуру обмоток и сердечника. Если будут холодные или слегка теплые, то так и оставь. Если на твой взгляд будут излишне горячими, то лучше перемычку сделать на 3-3.
 
ок, понятно проверю
 
проверил почти на 1,5 часа, железо и обмотки чуть тёплые, только гудит нужно стягивать крепче, а кто знает может подковы прокипятить где или залить ?
 
а если мне нужна намотать однополярное питание... то можно мотать на одной катушке?
 
тут меня осенило и загорелась идея....
вобщем мне нужен:
-БП от сети 220 для питания усилителя на преобразователе
-и нужен зарядник зарядки аккумулятора авто

можно ли использовать эту схему для зарядки и одновременно для питания преобразователя? или тут нужно будет что то менять?
 

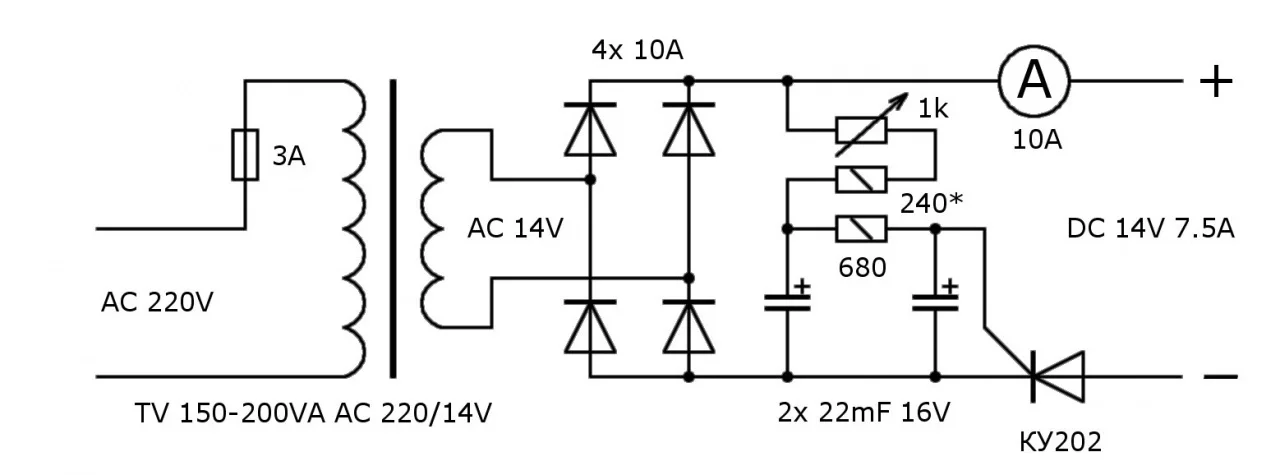
Вложения

  • ЗУ_2.webp
    ЗУ_2.webp
    21.9 KB · Просмотры: 4,816
тут меня осенило и загорелась идея....
вобщем мне нужен:
-БП от сети 220 для питания усилителя на преобразователе
-и нужен зарядник зарядки аккумулятора авто

можно ли использовать эту схему для зарядки и одновременно для питания преобразователя? или тут нужно будет что то менять?
 

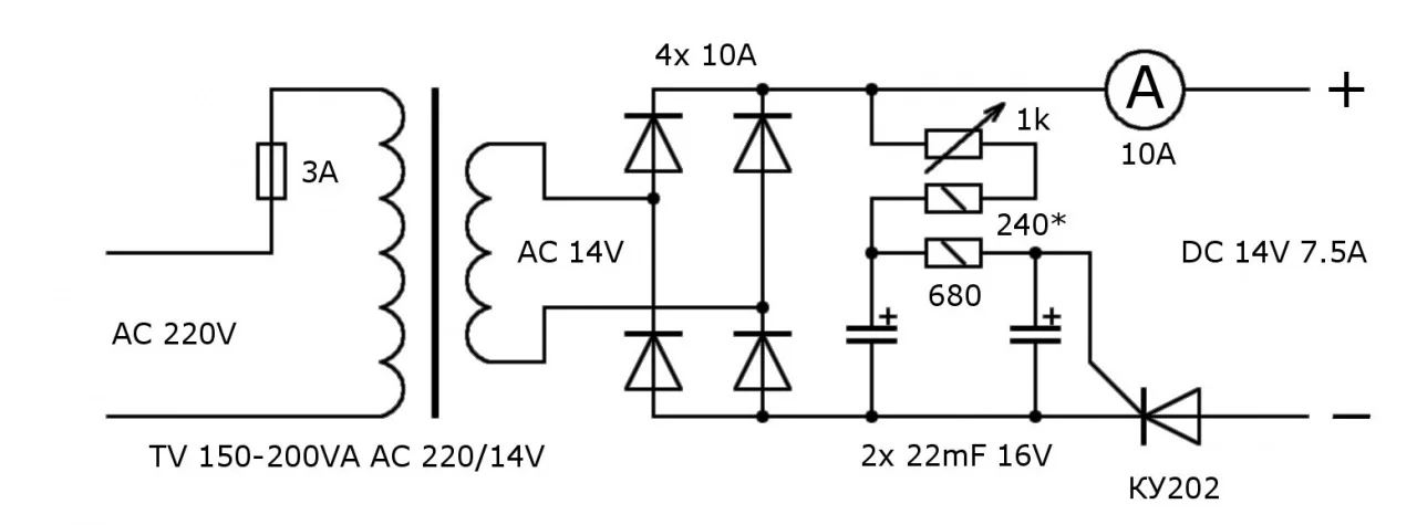
Вложения

  • ЗУ_2.webp
    ЗУ_2.webp
    21.9 KB · Просмотры: 369
есть ли разница питать преобразователь от зарядника с тиристором или от обычного диодного моста?
 
есть ли разница питать преобразователь от зарядника с тиристором или от обычного диодного моста?

Разница есть, но использовать нельзя ни тот, ни другой.
 
а почему ни тот не другой? не понял почему просто диодный мост нельзя?
 
Потому что после диодного моста будет идти пульсирующее напряжение. Необходимо конденсаторы поставить еще на 20000-30000 мкФ.
 
это где тристор надо ставить?
блин запутался.. а если просто без этой схемы поставить диодный мост +4700мф????
 
Конденсаторы должны ставится из расчета не менее 1000мкФ на 10Вт выходной мощности. Если ставишь 4700мкФ, то стерео усилитель должен быть не более 20Вт на канал.
 
так мне не для усилителя, а для преобразователя который хочу запитать от 14 вольт, преобразователь уже будет питать усилители ТДА7294 + 2шт ТДА2050
4700 думаю хватит?
 
Извращение какое то, а что нельзя сразу сделать просто БП для вашего усилкаtehno004
 
Назад
Сверху