• Добро пожаловать на компьютерный форум Tehnari.ru. Здесь разбираемся с проблемами ПК и ноутбуков: Windows, драйверы, «железо», сборка и апгрейд, софт и безопасность. Форум работает много лет, сейчас он переехал на новый движок, но старые темы и аккаунты мы постарались сохранить максимально аккуратно.

    Форум не связан с магазинами и сервисами – мы ничего не продаём и не даём «рекламу под видом совета». Отвечают обычные участники и модераторы, которые следят за порядком и качеством подсказок.

    Если вы у нас впервые, загляните на страницу о проекте, чтобы узнать больше. Чтобы создавать темы и писать сообщения, сначала зарегистрируйтесь, а затем войдите под своим логином.

    Не знаете, с чего начать? Создайте тему с описанием проблемы – подскажем и при необходимости перенесём её в подходящий раздел.
    Задать вопрос Новые сообщения Как правильно спросить
    Если пришли по ссылке со старого Tehnari.ru – вы на нужном месте, просто продолжайте обсуждение.

УНЧ GlaZZZ Audio

  • Автор темы Автор темы GlaZZZ
  • Дата начала Дата начала
Ну 2В у меня негде получить.
На компьютере вроде бы 500мВ, а на телефоне 200мВ. Или ошибаюсь?

Кстати на той схеме делитель на входе присутствует и регулятор есть, я его настрою на максимальный уровень по входу.

После предусилителя поставлю регулятор для унч(перед ТДА) и думаю все.

Как раз индикация не будет зависеть от положения ручки громкости
 
Как раз индикация не будет зависеть от положения ручки громкости
И что же тогда эта индикация будет индицировать? наличие сигнала на входе усилителя? Индикатор выходной мощности надо ставить на выходе усилителя, что бы можно было оценить выходную мощность!
 
Индикатор выходной мощности надо ставить на выходе усилителя, что бы можно было оценить выходную мощность!

Вот именно. Оценить уровень входного сигнала можно спокойно и по индикатору выходной мощности поставив регулятор громкости в определенное положение.
 
Вот именно. Оценить уровень входного сигнала можно спокойно и по индикатору выходной мощности поставив регулятор громкости в определенное положение.
Хочется, чтобы он постоянно работал, а не в зависимости от положения ручки громкости
 
Хочется, чтобы он постоянно работал

Реальной необходимости в этом нет. Как я уже писАл выше, выходные сигналы источников стандартизированы, а предусилители имеют достаточный запас по перегрузочной способности.

Впрочем, дело вкуса. Если так хочется, то ставь индикатор уровня входного сигнала.
 
Как я уже писАл выше, выходные сигналы источников стандартизированы, а предусилители имеют достаточный запас по перегрузочной способности.
Если для CD, DVD, BD-плееров и звуковых карт компьютеров стандарты более-менее соблюдаются производителями (и то, о 2В речи не идет, стандарт 0 Дб-0,775В, максимальное среднеквадратичное около 1,4В.), то для МР3 плееров и телефонов это абсолютно не так. Единицы моделей МР3 плееров имеют линейный выход, а для телефонов такого понятия вообще нет. И не будем забывать, что при сильной перегрузке по входу, выходной сигнал тоже будет ограничиваться по амплитуде, с появлением характерных "хрюкающих" искажений. Соответственно, индикатор на выходе будет показывать амплитуду ограниченного сигнала, что будет весьма отдаленно соответствовать действительному значению выходной мощности. Разница по мощности для синусоиды и меандра, если не ошибаюсь, 0,7 в пользу меандра.
 
Все, плату напечатал сегодня, детали купил. Буду травить :)
 
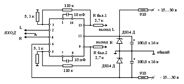
У меня вопрос. На схеме есть какое-то обозначение похожее на предохранитель по питанию.
910 - номинал

Что это?? Я вообще не понял, что это. Если предохранитель, то можно перемычку ставить?
 

Вложения

  • 157ud2a.gif
    157ud2a.gif
    6.7 KB · Просмотры: 223
Это резистор мощностью 0.5вт
 
Вот смотри на обозначения мощности резисторов в схемах:) пригодится:)
 

Вложения

  • 2-14.webp
    2-14.webp
    10.6 KB · Просмотры: 1,503
Сегодня собрал пред. Итог - фигово работает.

На низких частотах колонки хрюкают жестко, а индикатор работает как нужно.
А потом вообще совсем тихо начало работать.

Думаю это микросхема уже еле живая была. В Весне их много, завтра выпаяю еще
 
Артем, а подскажи-ка размеры печатной платы под предусилитель, заранее спасибо:)
 
Я ведь не случайно писал про чувствительность по входу. У этого предвара коэффициент усиления больше 20, тот есть он из входного сигнала 100 мв. он делает 2 Вольта! С выхода телефона, скорее всего, выходит более 100 мв. Чувствительность же 2050 где-то в районе 200-500 мв. Вот и посчитайте, во сколько раз перегружен вход! Вот получается на выходе ограничение по амплитуде! Еще бы там не хрюкало! И индикатор показывает амплитуду урезанного сигнала. А то, что потом тише становится, скорее всего УМ в защиту уходит. Еще раз повторюсь, что гораздо важнее контролировать входной сигнал! Может, конечно, и мс неисправна, но симптомы уж больно знакомые. Основное правило для качественного звуковоспроизведения - правильное согласование входных\выходных напряжений и сопротивлений всех модулей тракта.
 
А то, что потом тише становится, скорее всего УМ в защиту уходит.
Я подключал не к своему УНЧ, а к китайским компьютерным колонкам.
И получается, что тише было после того как я выключил из розетки и вставил в панельку другой ОУ. Вернул старый на место, вообще тишина
 
А китайские колонки от пары вольт на входе должны к поднебесному отцу отправиться. :)
 
А китайские колонки от пары вольт на входе должны к поднебесному отцу отправиться.
Ну, живут :)
Кстати если чувствительность меньше делать, то звук просто тихий, но низкие все равно хрюкают
 
Назад
Сверху