- Регистрация
- 6 Июл 2013
- Сообщения
- 1,151
- Реакции
- 52
- Баллы
- 0
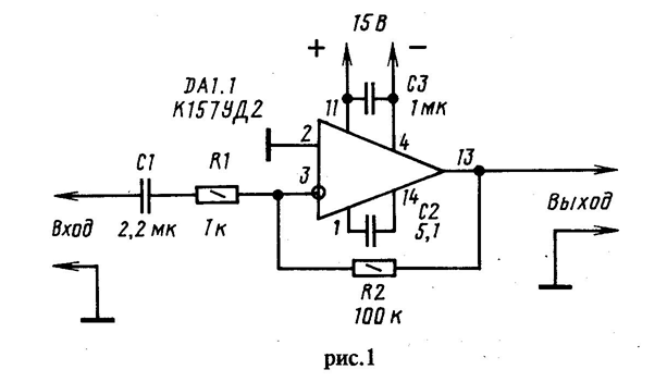
к157да1, по внутренней структуре идентична к157уд2. Добавлены только преобразователь и стабилизатор. Правда, конденсаторы коррекции и резисторы, задающие коэффициент усиления, спрятаны внутри кристалла. По входу мс к157да1 обладает достаточной чувствительностью по входу для подключения на линейный вход. Не помню только, какова именно чувствительность. Так же можно добиться нужного отклонения стрелки уменьшая сопротивления в цепях индикатора.
