• Добро пожаловать на компьютерный форум Tehnari.ru. Здесь разбираемся с проблемами ПК и ноутбуков: Windows, драйверы, «железо», сборка и апгрейд, софт и безопасность. Форум работает много лет, сейчас он переехал на новый движок, но старые темы и аккаунты мы постарались сохранить максимально аккуратно.

    Форум не связан с магазинами и сервисами – мы ничего не продаём и не даём «рекламу под видом совета». Отвечают обычные участники и модераторы, которые следят за порядком и качеством подсказок.

    Если вы у нас впервые, загляните на страницу о форуме и правила – там коротко описано, как задать вопрос так, чтобы быстро получить ответ. Чтобы создавать темы и писать сообщения, сначала зарегистрируйтесь, а затем войдите под своим логином.

    Не знаете, с чего начать? Создайте тему с описанием проблемы – подскажем и при необходимости перенесём её в подходящий раздел.
    Задать вопрос Новые сообщения Как правильно спросить
    Если пришли по старой ссылке со старого Tehnari.ru – вы на нужном месте, просто продолжайте обсуждение.

УНЧ GlaZZZ Audio

  • Автор темы Автор темы GlaZZZ
  • Дата начала Дата начала
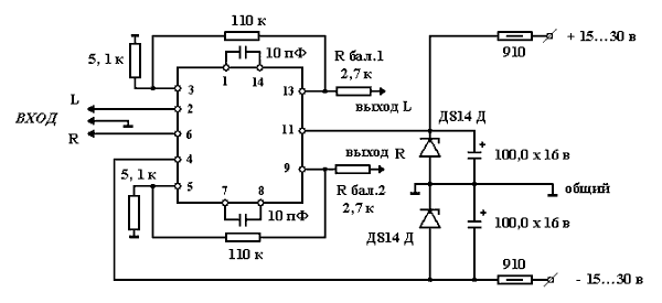
Сегодня собрал пред. Итог - фигово работает.
Это не пред фигово работает! Это ты его фигово собрал! Этот пред просто не может фигово работать. Проверь питание. Должно быть по 12 - 14 вольт на 4 и 11 ногах. Уменьши К/У , и на входе поставь регулятор громкости. Я бы ещё поставил блокирующую ёмкость на землю, в цепи ООС. 10 мкф. Сигнал на вход подавай через кондёр 0.47 мкф, и вход ОУ зашунтируй резистором на 100 - 150 ком.
 
Это не пред фигово работает!
Я имею в виду плата плохо заработала.
Но может косяк и не в ОУ.
Вместо резисторов 910 Ом, я поставил на 1кОм. И вместо керамики 10пф, я поставил 220пФ. Диоды поставил выпрямительные на 1А

Вот теперь и думаю, может из-за резисторов снизился ток поступающий на ОУ и ему не хватает силы тока?

Может ли быть такое? И можно ли вообще поставить перемычку вместо него?


P.S. сейчас вспомнил, что когда второй раз включал пред(когда тише стало), то стрелка индикатора стояла на середине шкалы и не шевелилась.
 

Вложения

  • 145955d1374956840-157ud2a.gif
    145955d1374956840-157ud2a.gif
    6.7 KB · Просмотры: 161
Ты прочёл, что я тебе написал?
 
Ты прочёл, что я тебе написал?
Да, конечно! Завтра попробую. А что за блокирующая емкость ООС и еще не понля как зашунтировать вход резистором.

Параллельно между каналом и землей??


Питание ровно 12 вольт, у меня в БП стабилизаторы 7812 и 7912
 
С 2 и 6 ножки сопротивления по 100 - 150 ком на землю. Нижний вывод резистора 5.1 ком соедини с плюсом электролита на 10 мкф. Минус этого кондёра на землю.
 
Завтра отчитаюсь :)
 
Вот теперь и думаю, может из-за резисторов снизился ток поступающий на ОУ и ему не хватает силы тока?

Может ли быть такое? И можно ли вообще поставить перемычку вместо него?
Если напряжение питания в пределах +-3....18 Вольт, ни резисторы по 910 ни стабилитроны НЕ НУЖНЫ. Это простейший параметрический стабилизатор напряжения.
 
а там оба стабилитрона правильно стоят?? на схеме
 
а там оба стабилитрона правильно стоят?? на схеме
Нарисовано правильно, только смысла от них при питании от стабилизированного источника (у автора интегральные стабы) никакого.
 
Нарисовано правильно, только смысла от них при питании от стабилизированного источника (у автора интегральные стабы) никакого.
тогда вместо резисторов ставлю перемычки, а стабилитроны просто убираю

Чего-то мне кажется, что хреново работает как раз из-за питания. Такое ощущение складывалось, что ему не хватает тока
 
Результаты не обнадежили.

Пока, что я только убрал свои диоды и резисторы(поставил перемычки). Сейчас та же фигня, что и вчера под конец. В колонках тишина полная, а стрелка индикатора на середине стала и стоит ровно.

Наверное самовозбуждение? раз в колонках тишина, а индикатор что-то показывает
 
На 13 и 9 выводе есть постоянное напряжение? Есть конденсатор на входе индикатора?
 
Померил выход, действительно постоянка -10V, на обоих каналах. Поставил на входе конденсатор 0.47(пленочный), показания те же.

При повороте ручки переменного резистора, на входе который, ничего не меняется
 
Сейчас попробовал зашунтировать резистором вход и поставил конденсатор в цепи ООС - итог все тот же. Но стрелка стоит средине, но уже слегка дергается.

Что может быть уже, не знаю...
 
Сменил ОУ, проблема осталась.
 
Поставь конденсатор на выходе предусилителя, индикатор как раз эту постоянку показывает. Но ее там быть не должно! Фото платы можно? С обоих сторон желательно.
 
Вот фото платы. Пайка не ахти, но соплей нет. И везде все пропаяно.

Провод на выходе сейчас не подключен, я его припаиваю сразу на выходной резистор.

А, и еще, я подключаю пока только один канал, Проводов не хватает пока на второй. Но пробовал и наоборот подключить, безполезно
 

Вложения

  • IXLlGZx-stQ.webp
    IXLlGZx-stQ.webp
    80.4 KB · Просмотры: 130
  • bcj6zflFVdk.webp
    bcj6zflFVdk.webp
    62.5 KB · Просмотры: 78
Что-то все резисторы не в жилу..... Кроме 110 кОм.... Остальных номинвлов на схеме НЕТ.
 
Назад
Сверху