• Добро пожаловать на компьютерный форум Tehnari.ru. Здесь разбираемся с проблемами ПК и ноутбуков: Windows, драйверы, «железо», сборка и апгрейд, софт и безопасность. Форум работает много лет, сейчас он переехал на новый движок, но старые темы и аккаунты мы постарались сохранить максимально аккуратно.

    Форум не связан с магазинами и сервисами – мы ничего не продаём и не даём «рекламу под видом совета». Отвечают обычные участники и модераторы, которые следят за порядком и качеством подсказок.

    Если вы у нас впервые, загляните на страницу о форуме и правила – там коротко описано, как задать вопрос так, чтобы быстро получить ответ. Чтобы создавать темы и писать сообщения, сначала зарегистрируйтесь, а затем войдите под своим логином.

    Не знаете, с чего начать? Создайте тему с описанием проблемы – подскажем и при необходимости перенесём её в подходящий раздел.
    Задать вопрос Новые сообщения Как правильно спросить
    Если пришли по старой ссылке со старого Tehnari.ru – вы на нужном месте, просто продолжайте обсуждение.

Усилитель Брагина

там 2160 ом ) я их перед монтажом проверил... и только пару минут назад проверил от греха...
 
Тупо не срабатывает реле... как было в одном положении так и осталось... на 1 я подаю плюс , на 16 земля..
 
Муть какая-то... пошел проверю отдельно реле от схемы...
 
Ну остается попробовать напряжение подаваемое на реле переполюсовать.
 
Ну остается попробовать напряжение подаваемое на реле переполюсовать.
Вы совершенно правы... 5 минут назад это и проверил. Гребаные немцы.... на 1 где по даташиту + я подал землю а на 16 где минус - + с бп и все гуд стало
 
Спасибо Вам огромное за помощь и участие... пойду плату перепахивать снова)) Перережу дорожки и проводами соединю. Последний вопрос - если от бп подам +26 не сгорят релюшки? А то возможны же просадки... да и со стабом несколько меньше 24 вольт.
 
Вы совершенно правы... 5 минут назад это и проверил. Гребаные немцы.... на 1 где по даташиту + я подал землю а на 16 где минус - + с бп и все гуд стало
http://www.tehnari.ru/f170/t98608/index62.html#post2658019
Смотрите внимательно рисунок из даташита.
пойду плату перепахивать снова)) Перережу дорожки и проводами соединю. Последний вопрос - если от бп подам +26 не сгорят релюшки? А то возможны же просадки... да и со стабом несколько меньше 24 вольт.
Минимальное значение разности между входным и выходным напряжением у 78хх 2,5 вольта, без учёта просадки напряжения.
Для этих реле приемлем разброс управляющего напряжения в пределах 10%, о чём в даташите оговорено.
Плату не перепахивать, а переделывать нужно - очень неудачная трассировка общего провода управления, расположенного вдоль сигнального.
 

Вложения

  • 23042.webp
    23042.webp
    25.8 KB · Просмотры: 47
Да плата пока все равно временная.... Разъемы буду покупать + блютус приедет тоже хочу вкорячить. Это пока черновой вариант так сказать для обкатки технологии... Ну и чтоб понять как оно и что.. яж в этом профан совсем. Буду думать над платой на следующей неделе.. Выходные увы не посижу... поеду родителей проведать...
 
Хмм... по маркировке я на релюшке самой смотрел... там наоборот нанесено...
 
Я по другому сделал. Реле запитал от ключей отдельных на кт973 , а управлял подачей земли на вход ключа.Отличная помехозащищенность .
 

Вложения

  • YfnpZg0c2MA.webp
    YfnpZg0c2MA.webp
    15.1 KB · Просмотры: 126
  • управлениеи реле.webp
    управлениеи реле.webp
    101.2 KB · Просмотры: 322
Спасибо, плата входов у меня временная... так что приму к сведению... Я еще по поводу преда раздумываю - оставить такой или самому собрать... В принципе звук меня устраивает, но напрямую на оконечники звучит поинтереснее...
Знаю что самый лучший темброблок- это его отсутствие... Сегодня всего за тысячу забрал у коллеги горелый бриг 001 второй ревизии... там оконечники горели несколько раз... Вот там темброблок мне очень нравится... Доведу до ума усь брагина за бриг возьмусь когда-нибудь. А селектор входов всеравно переделывать... и гнезда там б.у временное ( пока зп не дали - нет денег лишних на хобби) и схема не очень удачна в плане разводки... буду в общем думать..
 
Я по другому сделал. Реле запитал от ключей отдельных на кт973 , а управлял подачей земли на вход ключа.Отличная помехозащищенность .
Ваша схема прям заинтересовала... На какое напряжение расчитана? Галетником смогу управлять ею?
 
Туда уж что-то и посерьезней Брагина можно встроить, но правда без приборов будет тяжковато.
А смысл? бп от радиотехники слабоват.. Да и схема брагина довольна не дурна... А сотые доли процента искажений услышу ли объективно? Мне нравится как звучит брагин - верха прозрачные... середина отчетливая, бас напористый, мощный и мягкий... все кто из знакомых послушал у меня дома, пока я все это собираю потихоньку в полноценный проект- были удивлены звуком...
Как говорят - лучшее враг хорошего) Да и я дилетант пока увы... Хорошо народ советами помогает и учит многому, без форума я бы даже брагина не собрал...
 
+ колонки у меня маленькие- но для меня их хватит.. в квартире однокомнатной не много и надо.. У меня S-30B доработанные ( швы и прочее). Так что даже не знаю по поводу оконечников...
 
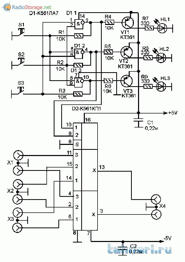
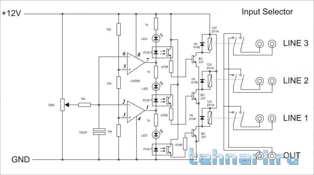
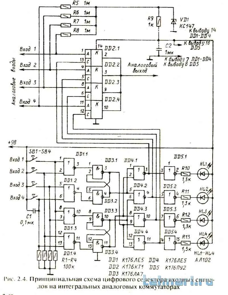
Вот схемы кнопочных коммутаторов, и даже один с переменным резистором и компараторами
 

Вложения

  • коммутатор_1.webp
    коммутатор_1.webp
    25.9 KB · Просмотры: 87
  • коммутатор_2.webp
    коммутатор_2.webp
    79 KB · Просмотры: 187
  • коммутатор_3.png.webp
    коммутатор_3.png.webp
    35.8 KB · Просмотры: 114
  • коммутатор_4.png.webp
    коммутатор_4.png.webp
    24.7 KB · Просмотры: 158
  • коммутатор_5.png.webp
    коммутатор_5.png.webp
    41.6 KB · Просмотры: 141
  • коммутатор_6.webp
    коммутатор_6.webp
    26.1 KB · Просмотры: 95
Ваша схема прям заинтересовала... На какое напряжение расчитана? Галетником смогу управлять ею?


В каком ключе заинтересовала? Для какого усилителя? У Радиотехники галетник + реле - ничего лучше не придумаешь.
 
я галетником и коммутирую. Полная помехрозащищенность при коммутации.
 
Максим, а нельзя ли поподробнее, от каких помех защищают транзисторные буфера?
 
Назад
Сверху