• Добро пожаловать на компьютерный форум Tehnari.ru. Здесь разбираемся с проблемами ПК и ноутбуков: Windows, драйверы, «железо», сборка и апгрейд, софт и безопасность. Форум работает много лет, сейчас он переехал на новый движок, но старые темы и аккаунты мы постарались сохранить максимально аккуратно.

    Форум не связан с магазинами и сервисами – мы ничего не продаём и не даём «рекламу под видом совета». Отвечают обычные участники и модераторы, которые следят за порядком и качеством подсказок.

    Если вы у нас впервые, загляните на страницу о проекте, чтобы узнать больше. Чтобы создавать темы и писать сообщения, сначала зарегистрируйтесь, а затем войдите под своим логином.

    Не знаете, с чего начать? Создайте тему с описанием проблемы – подскажем и при необходимости перенесём её в подходящий раздел.
    Задать вопрос Новые сообщения Как правильно спросить
    Если пришли по ссылке со старого Tehnari.ru – вы на нужном месте, просто продолжайте обсуждение.

Усилитель мощностью 100 ватт на TDA7294

DTS ты писал в 381 смс что можно людить при помощи "Сплава Розе", а где его можно купить и сколько он денег примерно стоит?
 
Подскажите пожалуйста по поводу трансформатора. Имеется кольцо Dвнутр=54мм. Dвнеш=97мм. h=34мм(Из советского стабилизатора). По методичке из темы "Как намотать тороидальный трансформатор?" на странице 6, посчитал что для Pвых=260Вт мотается первая обмотка,проволока d≈0,82мм - 782 витка. Проволока второй обмотки d≈2,2мм - 96 витков. Считал для I=10А второй обмотки(для стерео усилителя). Спрашиваю у знатоков, это так и есть? Потому что судя из всего, что я тут прочитал про обмотку транса мощность какая то большая кажется...Если все нормально с расчетами, то его же хватит для стерео усилителся на TDA7294?
 
Забыл добавить что считал для Uвых= 27В или надо было для 40В расчитывать?
 
Сплав Розе 20 г - Припой, шарики для BGA - Расходные материалы - Магазин инструментов Masteram
для этого сердечника нужно мотать
первичка (220в)1350витков проводом 0.4мм
вторичка (2*22в)2*135витков проводом диаметром 1.0мм
марка провода -ПЭВ-2 ПЭВ-2, цена, купить в Киеве — Prom.ua
О ТОКЕ 10АМПЕР ЗАБУДЬ это не ток с которым будет работать трансформатор,а ток который в момент пиков выдаст микра на динамик-ЭТО БОЛЬШАЯ РАЗНИЦА
трансформатор с бОльшей мощностью при частоте 50гц получить очень проблематично(хоть и сердечник позволяет вытянуть более 200ватт,-но провод для такой мощности крайне проблематично намотать-он попросту не влезет при намотке в домашних условиях)на заводе наматывает автомат и там получается очень плотно+применяют специальную изоляцию и пропитку,так что оставь эту затею-очень дорого обойдётся тебе этот ТОР (как по времени и силам ,так и по цене за дополнительные материалы-провод,изоляция,лак)
ищи старый совковый телик и от туда доставай трансформатор,как я и писал раньше,сам транс если покупать обойдётся от 50гр до 100гривен(тс-180)-зависит от жадности продавца,а если у какой небйдь бабки то весь телик отдадут только за то что ты его вынесешь на помойку:)
 
для буфера будет примерно такой динамик Hertz DS 250.1 Сабвуфер - Купить сабвуфер Hertz DS 250.1 в Севастополе, интернет-магазин автозвука №1 в Крыму, цена, описание, фото DTS что ты скажешь или может что-то другое посоветуешь. Что-то я сейчас задумалься... А можно ли авто сабвуферные динамики применять в домашних целях?
да всё отлично подходит,делай Закрытый Ящик 30-35литров
и будет нормально
 
спасибо) так, сейчас дую за трансом)
 
Спасибо за ответ. Но думаю буду мотать)) Так интересней... Ну а если ничего не получится - всегда можно вернутся к поиску телевизора)
 
KyCb ищи где-то тс-180 или 250 и будем вместе делиться впечатлениями:D
Кстати, вопрос к знатокам. Почему тероидальный такой дорогой транс? Вчера искал, то говорили что такой, какой мне нужен будет стоить как минимум 500грн. (60$)
 
Это нормальная цена за такой трансформатор. Я покупаю по 2.000 - 2.500 рублей.
 
пойдет такой мост? IMG_0941.webp
 
нет, он на 1.5 ампера.
нужно на 10 минимум.
но лучше на 20.
 
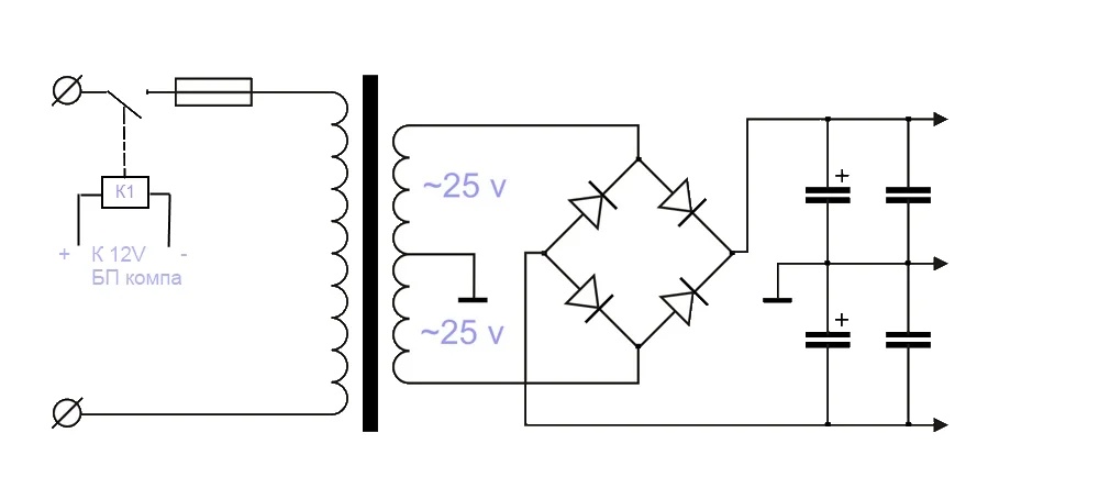
Еще скажите пожалуйста, можно ли делать вот так?003.webp
 
не чего не бум,я сам так сделал и уже 3 года без проблем,там 12в (жёлтый и чёрный)питают релюшку на 12в а она замыкает контакты те что шли на выключатель усилителя
 
У меня так работает через магнитофон "маяк-233". Просто в сетевой провод врезал реле и его питаю от бп компа, просто подумал может не стоит рисковать,а то мало ли))
 
так нет не какой разницы для релюшки что включать,хоть бойлер для ванной хоть стиральную машинку хоть усилитель,там главное чтобы ток контакты выдерживали,а в усилке по первичке редко больше 1ампера,так что подойдёт практически любая релюшка на 12в и ток от 1ампера и выше:)
 
Всем дорого дня) Поход по базару и всяким лавочкам оказался успешным:)
Принесёт мне мужик в понедельник транс тс-180 и тс-250 по 20-25грн. каждый:) :) :)
Считаю за сегодня сделал хорошее дело:)
Его же еще нужно мотать, так хотел спросить какую нужно будет проволку купить, каким диаметром?
КуСь а мостик бери лучше на 50 ампер, он такой квадратный идёт, стоит 12грн., сегодня купил))) Так как DTS писал что лучше брать мощнее, а то там всякие скачки и т.д., а лучше прочитай 816, мы там обговаривали:)
Сейчас буду пробовать вытравливать , а потом лудить плату:)
Как закончу, обязательно кину фото своей первой фотки:)
Кстати, а текстолит нужно чистить ацетоном, а если егго нет:( Спирт подойдет?:)
 
Спирт подойдет
 
спасиб) DTS подскажи еще, а какой нужен будет провод и сколько метров или он может в пачках продаеться
 
Назад
Сверху