• Добро пожаловать на компьютерный форум Tehnari.ru. Здесь разбираемся с проблемами ПК и ноутбуков: Windows, драйверы, «железо», сборка и апгрейд, софт и безопасность. Форум работает много лет, сейчас он переехал на новый движок, но старые темы и аккаунты мы постарались сохранить максимально аккуратно.

    Форум не связан с магазинами и сервисами – мы ничего не продаём и не даём «рекламу под видом совета». Отвечают обычные участники и модераторы, которые следят за порядком и качеством подсказок.

    Если вы у нас впервые, загляните на страницу о форуме и правила – там коротко описано, как задать вопрос так, чтобы быстро получить ответ. Чтобы создавать темы и писать сообщения, сначала зарегистрируйтесь, а затем войдите под своим логином.

    Не знаете, с чего начать? Создайте тему с описанием проблемы – подскажем и при необходимости перенесём её в подходящий раздел.
    Задать вопрос Новые сообщения Как правильно спросить
    Если пришли по старой ссылке со старого Tehnari.ru – вы на нужном месте, просто продолжайте обсуждение.

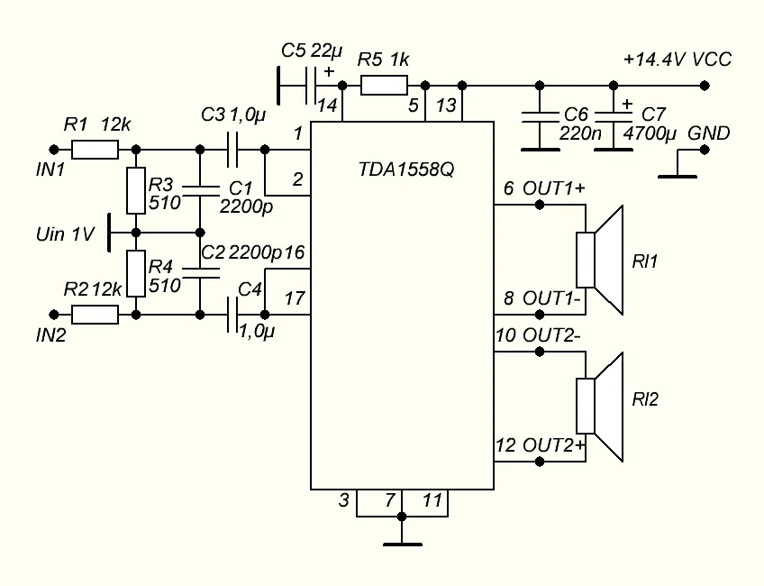
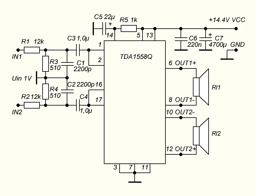
Усилитель на микросхеме TDA1558Q

так я тебе и написал зачем изолируют радиатор от корпуса!
фольгу выкинь,прикрути нормально микросхему и выкинь те клемники вообще.
 
Клемники на выходе стоят, чтобы каждый раз не паять провода.
 
ну на кой фиг тебе эти клемники если ты его всёравно в корпус засунешь,а на корпус уже прикрути прищепки или винтовые зажимы.
 
Да это все понятно, а что делать чтобы все нормально включалось? Чтобы каждый раз динамики не перцеплять?
 
У меня не только при включении, а постоянно через каждые 5с пока не отключить один динамик и обратно не подключить.
 
ты перепроверь как у тебя подключено,должно быть вот так
 

Вложения

  • TDA1558Q_C.webp
    TDA1558Q_C.webp
    23.4 KB · Просмотры: 987
вот упрощённо
 

Вложения

  • Безымянный.webp
    Безымянный.webp
    21.5 KB · Просмотры: 3,720
Я делал по этой схеме
ed9d0a76210e.webp
 
здесь нету задержки включения,сделай по приведённой мною схеме и посмотрим что получится дальше.
к стати напряжение питания не должно превышать 18в и не опускаться ниже 7в.
 
Можно это как то сделать не переделывая с нуля? Как то добавить к готовой плате?
Это резисторы?
TDA1558Q_C.webp
 
да можно,просто перерезать дорожку между 14 ножкой и 5 с 13й,на это место впаять резистор на 22-33к(мощность его роли не играет),получится что 14 ножка будет соединена с плюсом через этот резистор,а к самой ножке припаять ПЛЮСОМ конденсатор на 47мкф*(любое напряжение больше 16в),минус конденсатора соединить с минусом блока питания,больше ничего пока не делай.
 
Вот так да?
плата TDA1558Q копия.webp
А конденсатор обычный или электролитический?
 
а чем тебе электролитический не обычный?
да электролит и надо :))
 
Если сигнал от телефона играет хорошо, если от ноутбука басы дребезжат. Что с этим можно сделать?
 
у нотика сигнал плохой,перегружается быстро,там видать до 0.25в всего,нужен предварительный усилитель.

да это килоОмы
 
А можно простую схему какого нибудь предварительного усилителя?
Существует ли сокет для TDA1558q, чтобы легко можно было заменять микросхему?
 
Дайте схему простого предварительного усилителя.
Или он не нужен если делать по этой схеме?
TDA1558Q_C.webp
 
Назад
Сверху