• Добро пожаловать на компьютерный форум Tehnari.ru. Здесь разбираемся с проблемами ПК и ноутбуков: Windows, драйверы, «железо», сборка и апгрейд, софт и безопасность. Форум работает много лет, сейчас он переехал на новый движок, но старые темы и аккаунты мы постарались сохранить максимально аккуратно.

    Форум не связан с магазинами и сервисами – мы ничего не продаём и не даём «рекламу под видом совета». Отвечают обычные участники и модераторы, которые следят за порядком и качеством подсказок.

    Если вы у нас впервые, загляните на страницу о форуме и правила – там коротко описано, как задать вопрос так, чтобы быстро получить ответ. Чтобы создавать темы и писать сообщения, сначала зарегистрируйтесь, а затем войдите под своим логином.

    Не знаете, с чего начать? Создайте тему с описанием проблемы – подскажем и при необходимости перенесём её в подходящий раздел.
    Задать вопрос Новые сообщения Как правильно спросить
    Если пришли по старой ссылке со старого Tehnari.ru – вы на нужном месте, просто продолжайте обсуждение.

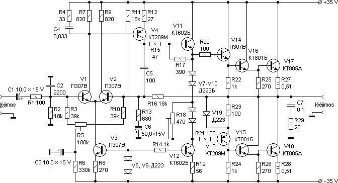
Усилитель Шушурина

  • Автор темы Автор темы Cayz
  • Дата начала Дата начала
Возьми любой подстроечник менее 470 ом. Недостающее сопротивление добавь постоянным резистором. Если регулировки не будет хватать, постепенно (на 50-100 ом) уменьшай значение постоянного резистора.

Или как Максим советует сделай.
 
Начало сборки

Итак, значит, плату буду использовать эту(во вложениях). Как я понял, схема на картинке как раз для этой печатки?
Начинаю составлять список нужных деталей, а если некоторые из них в нашей провинции отсутствуют, буду искать аналоги)
 

Вложения

  • Шушурин 78.rar
    Шушурин 78.rar
    27.8 KB · Просмотры: 452
  • 158894d1383654476-127608d1363824743-schema.webp
    158894d1383654476-127608d1363824743-schema.webp
    37.6 KB · Просмотры: 2,387
Максим уже раскритиковал ПП которую вы используете)
 
я не отговариваю от использования данной ПП,дабы не торипиться вам с выбором проштудируйте эту тему с начала.
 
Последнее редактирование:
Вчера прочитал всю тему и определился)
Определились и ладно.
Офф не думаю.что автор платы в вашем вложении сделал более грамотную плату.чем Мэтр В.Шушурин/ ака Ламм.Фото авторской платы давал неоднократно.
 
осталось дело за малым,собрать и запустить)))
 
Определились и ладно.
Офф не думаю.что автор платы в вашем вложении сделал более грамотную плату.чем Мэтр В.Шушурин/ ака Ламм.Фото авторской платы давал неоднократно.

Просто та, которую я выбрал, разжёвана получше, мне попроще будет)

осталось дело за малым,собрать и запустить)))

Ага :D 75% сборки усилителя - выбор платы)
 
Просто та, которую я выбрал, разжёвана получше, мне попроще будет)



Ага :D 75% сборки усилителя - выбор платы)
тогда уж авторская. 100% повторяемость .самая повторяемая плата у самодельщиков с 78 года. архив по усилителю в теме дан
 
тогда уж авторская. 100% повторяемость .самая повторяемая плата у самодельщиков с 78 года. архив по усилителю в теме дан

кстати да,с первоисточника и стоит начать,а дальше можно двигаться из любопытства и сравнить.
 
тогда уж авторская. 100% повторяемость .самая повторяемая плата у самодельщиков с 78 года. архив по усилителю в теме дан
кстати да,с первоисточника и стоит начать,а дальше можно двигаться из любопытства и сравнить.

Вот эта что ли?
 

Вложения

  • 127573d1363817349-70111078.webp
    127573d1363817349-70111078.webp
    67 KB · Просмотры: 1,138
именно такая. гифка один в один у меня дана вроде бы в архиве
 
именно такая. гифка один в один у меня дана вроде бы в архиве

Мне та попроще будет, и, возможно, я некоторые элементы на импорт заменю. К тому же всё дело упирается в бюджет, а текстолит у нас дорогой(

Вы уж извините, пожалуйста, что не следую Вашим советам...
 
Мне то что.Это ваше право выбирать. Я всего лишь незаинтересованный человек.
 
Мне та попроще будет, и, возможно, я некоторые элементы на импорт заменю. К тому же всё дело упирается в бюджет, а текстолит у нас дорогой(

Вы уж извините, пожалуйста, что не следую Вашим советам...

я тут выкладывал свою перерисовку оригинала.
http://www.tehnari.ru/907462-post130.html
 
я тут выкладывал свою перерисовку оригинала.

Это я тоже смотрел... Ещё выбрал ту плату, потому что на ней большинство собирало) А значит, можно сравнить монтаж по фотографиям, не загружая специалистов такими вопросами)
 
Это я тоже смотрел... Ещё выбрал ту плату, потому что на ней большинство собирало) А значит, можно сравнить монтаж по фотографиям, не загружая специалистов такими вопросами)
Не хочу нудить,но землю я бы верхним слоем пустил на вашей плате.Можно еще уменьшить плату и сделать её как положено.
Офф где вы на этом форуме спецов по проектированию РЭА нашли? Лично я обычный плотник .имеюший только среднее образование.
 
Не хочу нудить,но землю я бы верхним слоем пустил на вашей плате.Можно еще уменьшить плату и сделать её как положено.
Офф где вы на этом форуме спецов по проектированию РЭА нашли? Лично я обычный плотник .имеюший только среднее образование.

Пусть остается как есть, а то потом я столько проблем наберу)

Судя по Вашим постам, Ваши знания в радиоэлектронике ничем и никем не ограничены)
 
Назад
Сверху