• Добро пожаловать на компьютерный форум Tehnari.ru. Здесь разбираемся с проблемами ПК и ноутбуков: Windows, драйверы, «железо», сборка и апгрейд, софт и безопасность. Форум работает много лет, сейчас он переехал на новый движок, но старые темы и аккаунты мы постарались сохранить максимально аккуратно.

    Форум не связан с магазинами и сервисами – мы ничего не продаём и не даём «рекламу под видом совета». Отвечают обычные участники и модераторы, которые следят за порядком и качеством подсказок.

    Если вы у нас впервые, загляните на страницу о форуме и правила – там коротко описано, как задать вопрос так, чтобы быстро получить ответ. Чтобы создавать темы и писать сообщения, сначала зарегистрируйтесь, а затем войдите под своим логином.

    Не знаете, с чего начать? Создайте тему с описанием проблемы – подскажем и при необходимости перенесём её в подходящий раздел.
    Задать вопрос Новые сообщения Как правильно спросить
    Если пришли по старой ссылке со старого Tehnari.ru – вы на нужном месте, просто продолжайте обсуждение.

Усилитель Шушурина

  • Автор темы Автор темы Cayz
  • Дата начала Дата начала
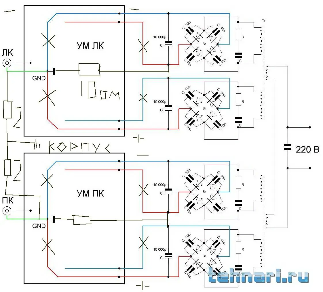
Лично у меня складывается ощущение, что корень Ваших проблем находится в питании. Даже не столько в питании, сколько в разводке земли. На Вашем месте взял бы пару конденсаторов на 4700...10000 мкФ, и сделал бы нормальную среднюю точку, как положено. Буквально пару дней назад возился с усилителем Одиссей 002, в одном канале при прибавлении громкости возникало возбуждение на ИНЧ. Всё перепроверил, и все было в норме. Но вот на фильтр питания внимания не обратил, а надо было. Принесли его мне после профилактики у другого мастера. Тот поменял конденсаторы фильтра на импорт, собрал из них батарею, и включил в схему очень своеобразно - земля с силового трансформатора соединялась с шасси в одной точке, туда же сходились все общие провода. Т. е. вроде бы классическая общая точка, если бы не конденсаторы фильтра, которые тоже подключались туда... десятисантиметровым куском провода. Вот как только привёл в порядок этот узел, и возбуждение сразу же ушло. Поэтому теперь очень внимательно стараюсь подходить и к этому вопросу
 
Кажется в этой теме обсуждали шум? И я его все таки победил, как уже писали экранировка особо мне ничего не помогла, все перелопатил, убрал с плат все электролиты, пленку по питанию, все элементы питания, теперь все питание приходит из вне, +/-15В для ОУ, никаких стабилитронов, на плате. Все земли свел в одну точку, все. Не делил на малосигналку итд, все в одну точку. И "гробовая" тишина. Погоняю на завтра, еще погромче, подкорректирую ТП, если будет нужно. И можно окультуривать. Думал уже разбирать.
 

Вложения

  • 20200922_195737.webp
    20200922_195737.webp
    67.7 KB · Просмотры: 165
На Вашем месте взял бы пару конденсаторов на 4700...10000 мкФ, и сделал бы нормальную среднюю точку, как положено.
Завтра попробую ваш вариант.
Для себя решил начать выкидывать из схемы "улучшайзеры" и начать с базовых конденсаторов, сначала с выходных транзисторов и т.д. Откуда-то же запускаются переходные процессы?
 
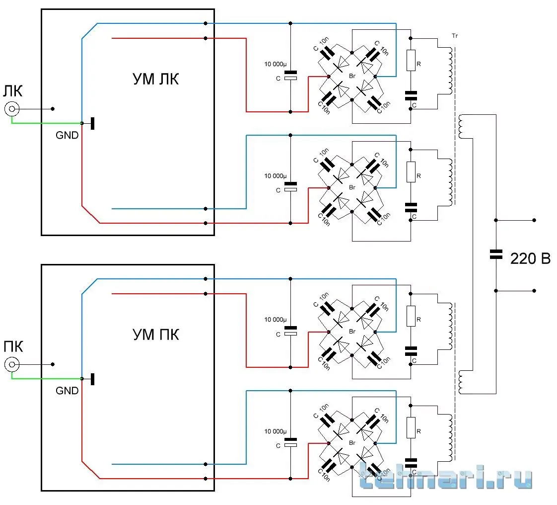
вот твою картинку немного поправил
 

Вложения

  • Питание.webp
    Питание.webp
    56.7 KB · Просмотры: 127
ЧУДЕСА какие-то!!!
Потанцевал это я с бубном - эффекта ноль!
Решил тупо поменять выходные транзисторы с КТ808А на КТ805А и, о ЧУДО!!! Всё заработало! Нагрузка 8 Ом. Синус на выходе чистенький.
При этом КТ808 исправны.
Выкладываю фоты.
 

Вложения

  • Входной сигнал.webp
    Входной сигнал.webp
    62.8 KB · Просмотры: 82
  • Выход на 8 ом.webp
    Выход на 8 ом.webp
    58.1 KB · Просмотры: 64
Как Иван сказал, дУет? Это ничего не сказать! Сейчас Криса Ри КАЧАЕТ ДУШЕВНО! Максимальный ток потребления 1,4 ампера.
 
Не пойму! На нагрузку 4 Ом сам автор рекомендовал КТ808. Воды выходных транзисторов я попутать не мог. При выходе на КТ808 сразу при включении "садилось в ноль" положительное плечо питания и не выставлялся ток покоя. После замены на КТ805 всё чудесным образом нормализовалось.
Чудеса, да и только!
 
Мысль у тебя была красивая, но не правильная!
Что-ж, переделаю разводку платы.
Вижу любите Вы земли разделять! У меня был пару раз негативный опыт по разделению земель. Но не беда, всегда можно заменить резистор на перемычку.
 
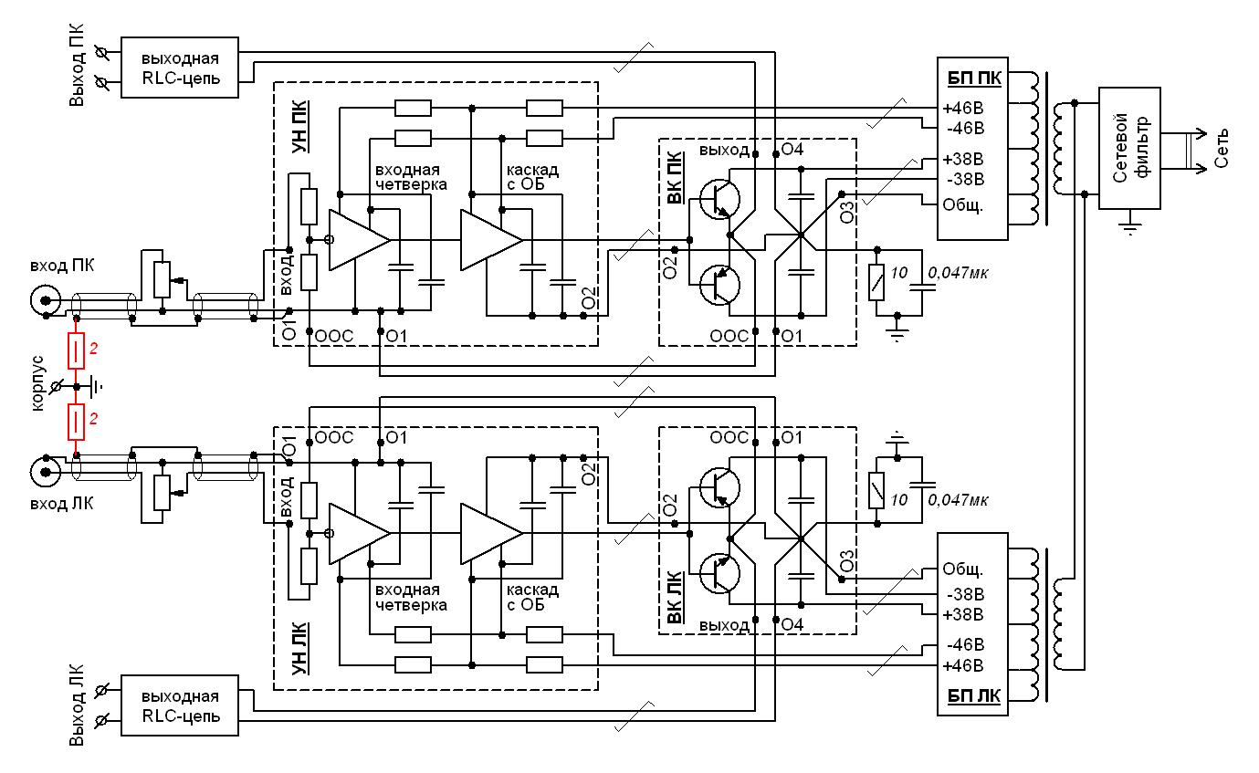
Методом научного тыка нашёл причины возбудов в моей плате, зачеркнул чёрным.
 

Вложения

  • Шушурин возбуд.webp
    Шушурин возбуд.webp
    44.7 KB · Просмотры: 803
Что-ж, переделаю разводку платы.
Вижу любите Вы земли разделять! У меня был пару раз негативный опыт по разделению земель. Но не беда, всегда можно заменить резистор на перемычку.
Резистор служит для избежания аварии на случай, если земля от УН , например, отвалится.
 
любите Вы земли разделять!.
Многие это рекомендуют, тот же Трошин, Арасланов. Чтобы грязь по общему проводу в тракт предварительный не попадала. У меня отрицательного опыта с этим не было.
 
Можно коррекцию по Виктору попробовать, это вместо коррекции Миллера. Еще параллельно R16 емкость 15 пф( ориентировочно, надо на осциллографе смотреть) и вместо высокочастотников в ГСТ что- нибудь низкочастотное, типа 815 . На Зуевском это срабатывало.Понравится ли после этого звук- не знаю .
 
Завтра буду "дожимать".
 
Назад
Сверху