• Добро пожаловать на компьютерный форум Tehnari.ru. Здесь разбираемся с проблемами ПК и ноутбуков: Windows, драйверы, «железо», сборка и апгрейд, софт и безопасность. Форум работает много лет, сейчас он переехал на новый движок, но старые темы и аккаунты мы постарались сохранить максимально аккуратно.

    Форум не связан с магазинами и сервисами – мы ничего не продаём и не даём «рекламу под видом совета». Отвечают обычные участники и модераторы, которые следят за порядком и качеством подсказок.

    Если вы у нас впервые, загляните на страницу о проекте, чтобы узнать больше. Чтобы создавать темы и писать сообщения, сначала зарегистрируйтесь, а затем войдите под своим логином.

    Не знаете, с чего начать? Создайте тему с описанием проблемы – подскажем и при необходимости перенесём её в подходящий раздел.
    Задать вопрос Новые сообщения Как правильно спросить
    Если пришли по ссылке со старого Tehnari.ru – вы на нужном месте, просто продолжайте обсуждение.

Усилитель

  • Автор темы Автор темы bar7uk
  • Дата начала Дата начала
Почему не отвечаете?
 
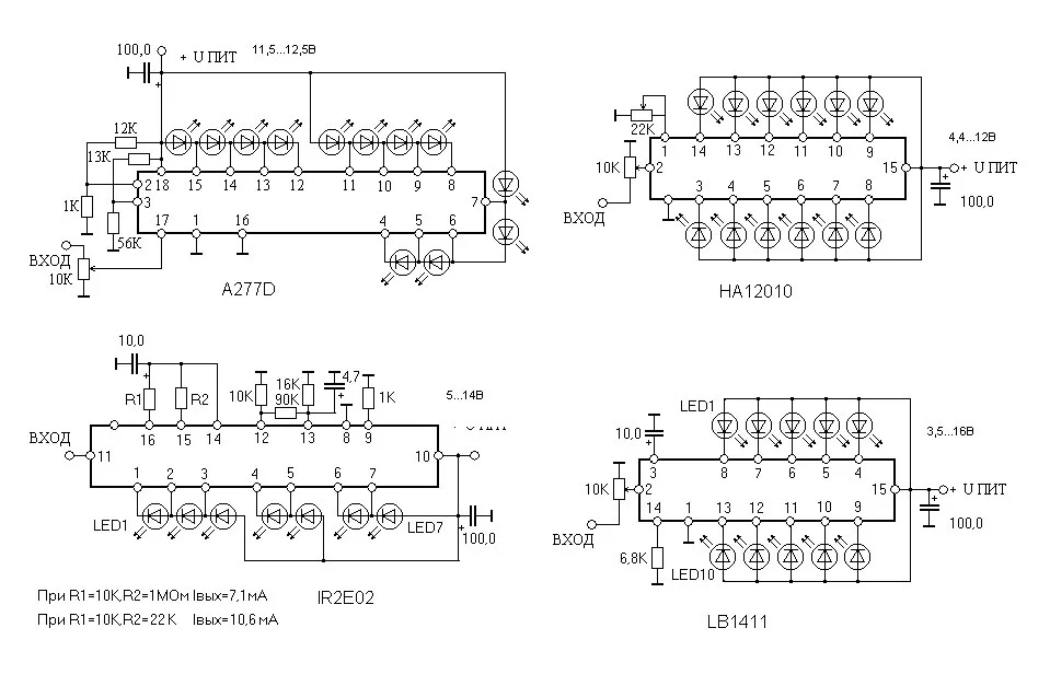
схема включения такой микрухи.
посмотри,правильно ли питание на них подал.
да, и сигнал попробуй через конденсатор на вход подать
 

Вложения

  • схемы.webp
    схемы.webp
    46.8 KB · Просмотры: 1,443
Почему они все загораются и не тухнут,
Возможно потому что 12 вольт много. Похоже, индикатор от переносного магнитофона, а они были и с 6-ти и с 9-ти вольтовым питанием. Попробуй снизить питание..
 
Попробуй снизить питание..
Нет, индикатор не от переносного магнитофона, дека была большая, и выходы для колонок были. Подключаю на меньшее питание, около 9 вольт, загораются не все светодиоды, а по два первых из каждой группы, и то первый горит тускло а второй ярко, на вход левый правый общий реакции никакой.
 
а попробуй напрямую к 11 ножке подключи вход и на минус, только не переплутай,- источника к - схемы
а + источника к 11 ножке
 
а попробуй напрямую к 11 ножке подключи вход и на минус, только не переплутай,- источника к - схемы а + источника к 11 ножке
Попробовал, вообще никакой реакции, ничего не горит.
 
а какой источник?
 
Может его нужно подключать после УМ. Даже не знаю
 
Сигнала ессно, питание уже ведь есть, и светится все
 
Сейчас вопрос не о том до или после, почему при подаче питания загораются все светодиоды и не гаснут?

Может подключение не так, попробуйте на + повесить + питания а на RC -
 
Проследите по дорожке к какой ножке идёт +.
 
Скажите, работе этого блока может мешать то что я подключаю его к источнику питания через фильтр изготовленный для УМ ( конденсатор 2200 мкф+0.47мкф)?
 
Нет, попробовал подключить без фильтра, результат тот же! Какие ещё есть мысли?
 
Микросхема не рабочая. если вы живёте в городе, или недалеко от магазина радио запчастей, то вы можете купить похожую микру и на ней изготовить такой индикатор.
 
Вот ещё нашёл модель магнитофона откуда я выдрал этот блок SHARP TEAM 6014C
 
Назад
Сверху