• Добро пожаловать на компьютерный форум Tehnari.ru. Здесь разбираемся с проблемами ПК и ноутбуков: Windows, драйверы, «железо», сборка и апгрейд, софт и безопасность. Форум работает много лет, сейчас он переехал на новый движок, но старые темы и аккаунты мы постарались сохранить максимально аккуратно.

    Форум не связан с магазинами и сервисами – мы ничего не продаём и не даём «рекламу под видом совета». Отвечают обычные участники и модераторы, которые следят за порядком и качеством подсказок.

    Если вы у нас впервые, загляните на страницу о форуме и правила – там коротко описано, как задать вопрос так, чтобы быстро получить ответ. Чтобы создавать темы и писать сообщения, сначала зарегистрируйтесь, а затем войдите под своим логином.

    Не знаете, с чего начать? Создайте тему с описанием проблемы – подскажем и при необходимости перенесём её в подходящий раздел.
    Задать вопрос Новые сообщения Как правильно спросить
    Если пришли по старой ссылке со старого Tehnari.ru – вы на нужном месте, просто продолжайте обсуждение.

Усилители мощности

Кт864/865 не маркировались 2т,у меня родственник на военке работал,на складах,так что только кт864/кт865 эти транзисторы маркировались!у них даже с разных партий если взять то параметры более схожи между собою,нежели кт818/819гм(2т)
 
У меня были кт812 с тремя звёздочками,военщина,но тоже не 2т,так что военщина применяла кт транзисторы
 
9С18 это гражданская или военная система?
Работа на п/я, я занимался инженерным сопровождением выпуска навигационной аппаратура для военных судов и подводных лодок, а также гидроакустических буёв . В институте, на военке, изучали РЛС СОН-9А и П-15 поэтому, с относительно современными, РЛС не знаком.
Но судя по информации в сети, это явно не гражданская штучка.
кт812 с тремя звёздочками,военщина,
Вообще-то военная приёмка обозначалась ромбиком.
 

Вложения

  • ромбик.webp
    ромбик.webp
    13.9 KB · Просмотры: 80
Я написал что знаю и что было у меня и от куда они мне попали эти транзисторы!либо что доказывать и спорить я не буду.
 
У меня с десяток было кт812б только там где ромб и квадрат три маленьких от теснённых звёздочки.
 
Процесс сборки двойного моно
 

Вложения

  • IMG_20170412_142516.webp
    IMG_20170412_142516.webp
    79.1 KB · Просмотры: 62
  • IMG_20170412_144816.webp
    IMG_20170412_144816.webp
    80.3 KB · Просмотры: 131
ОМ не интересно, давайте уже что нибудь новенькое)))
 
Ну что заказали то и делается :)будет на днях акустика и проэкт апекс-11
 
Да и может кому и про ом2 будет интересно кто только собирается делать,как говорится наглядные примеры.
 
Последнее редактирование:
Фото новые процесса будут после праздников,так же будут фото акустики
 
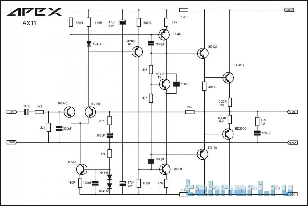
Кого интересуют платы ом2,apex ax-11 обращайтесь в личку.
 
Всем доброго времени,на зрел такой вопрос-какой транзистор лучше применять в цепи термостабилизации,составной или обычный типа кт815,читал один форум зарубежный, и как раз шла речь про apex-ax11,в нем реализованая цепь термостабилизации на составной транзисторе,пишут что можнои bd139 но будет хуже стабилизировать,кто что думает по этому поводу?что лучше кт972 или кт815 в этой цепи? Кстати в электроники 017 реализовано на кт972.
 
вопрос-какой транзистор лучше применять в цепи термостабилизации,составной или обычный типа кт815,читал один форум зарубежный, и как раз шла речь про apex-ax11,в нем реализованая цепь термостабилизации на составной транзисторе,пишут что можнои bd139 но будет хуже стабилизировать,кто что думает по этому поводу?что лучше кт972 или кт815 в этой цепи? Кстати в электроники 017 реализовано на кт972.
 
Вот как обищал,долгожданная акустика,делал для себя,на все про все ушло два месяца,вобщем по по порядку,динамики в вч звене применил шелковые,перлес катушки,в сч звене хеко 5" дюймов,в нч звене применил 50гдн,вч 16ом,сч 8ом,нч 4ом,акустика 4ома,про фильтра скажу вкратце,катушки за основу брал с амфитон 25ас-027 и союз 50ас-022,фаз настроен на частоту резонанса 38гц,низа шикарные просто,без бубнения и гудения,бас мягкий и объёмный одним словом,корпуса с лдсп 16мм с утолщением(местами корпус в внутри наращивался ещё 16мм ДСП)розпорки с брусков 30х30,собраны корпуса на шканты и проклеяные клеем,с нутри все стыки также залиты клеем,обезшумка актомобильная+синтипон,на счёт розположения нч динамиков с боку,было принято именно это решение по двум причинам,габариты подходили(по другому в интерьер не подходят)и вторая причина,в ряду многих испытаний низа мне так больше понравились,полоса 22-23000гц,чуйка 87db,над сетками идёт процесс
 

Вложения

  • IMG_20170420_140224.webp
    IMG_20170420_140224.webp
    78.3 KB · Просмотры: 78
  • IMG_20170420_140236.webp
    IMG_20170420_140236.webp
    66.7 KB · Просмотры: 43
  • IMG_20170420_140315.webp
    IMG_20170420_140315.webp
    72.2 KB · Просмотры: 46
  • IMG_20170420_140336.webp
    IMG_20170420_140336.webp
    77 KB · Просмотры: 101
Последнее редактирование:
Всмысле по какому уровню?не понял вопроса.
 
Назад
Сверху