Смотрите видео ниже, чтобы узнать, как установить наш сайт в качестве веб-приложения на домашнем экране.
Примечание: Эта возможность может быть недоступна в некоторых браузерах.
Добро пожаловать на компьютерный форум Tehnari.ru. Здесь разбираемся с проблемами ПК и ноутбуков: Windows, драйверы, «железо», сборка и апгрейд, софт и безопасность. Форум работает много лет, сейчас он переехал на новый движок, но старые темы и аккаунты мы постарались сохранить максимально аккуратно.
Форум не связан с магазинами и сервисами – мы ничего не продаём и не даём «рекламу под видом совета». Отвечают обычные участники и модераторы, которые следят за порядком и качеством подсказок.
Если вы у нас впервые, загляните на страницу о форуме и правила – там коротко описано, как задать вопрос так, чтобы быстро получить ответ. Чтобы создавать темы и писать сообщения, сначала зарегистрируйтесь, а затем войдите под своим логином.
Где вы такие корпуса находите? Я искал на радиорынке так стеми ценами проще рпбочий усилок купить и раздербанить.
Простой вариант , есть и аллюмишка сплошная, как раз под переднею панель. Раз такой корпус попался особо делать с ним ничего не нужно кроме грунта ,покраски и т.д. вот и думаю куда ,точнее на что кинуть так сказать не затрачиваемую энергию. Оформить поинтересней переднею панельку ,чтоб не только вкл. и громкость. Мож опять стрелочки маленькие ,спектр светодиодный как то не хочется .Не попадались красивые и что бы не рябило и на новогоднею ёлку не похожие.Олег163 на родную панель наклеять тонкий пластик и палель передняя готовая.
Сам долго искал , можно было рабочий такой амфитон 002 за 2,5кРуб взять но смысл.Да и жалко.Попадались радиотехника101, романтика, амфитон А1-01-02, не рабочие за не дорого. Но у них расположение радиаторов или маленький или внутри (как у Амфитон А1-02, внешне красавец). Ремонтировал ,маленькую профилактику и в перед к новому хозяину.Спрос на них если рабочий от1500-3000руб. есть и до сих пор."Степь" трансляционный брал для ланзара , и то только поговорив с барахольщиком который торгует на рынке б/у блошином. Он сам из пяти двух собирает рабочие и продаёт. Вот остался от ремонтов корпус ,продал. От туда же и этот от амфитона -донора всех самодельных усилителей номер№1.Где вы такие корпуса находите? Я искал на радиорынке так стеми ценами проще рпбочий усилок купить и раздербанить.
Клондайк. Только корпуса ,или внутрянка присутсвует ? Можно и востановить некоторое колличество из 14. Хотя бы пару.я корпусами амфитоновскими запасся на 2года вперёд,накупил 14шт
Давай на ты.Вот это размах творчества у вас!:apl:
Без проблем.
Хорошо совмещать работу с увлечением ,наверно.!
Решил - собирай.Решил собрать
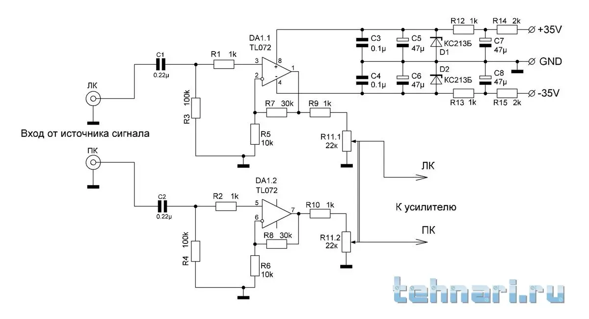
Можно заменить родной ОУ на : 4558, 4560, 072, 082, 5532, 5533, 2134, 2068 DD, 574 уд 2, 157 уд 2, и.т.д. Все выше перечисленные ОУ в этой схеме будут работать совершенно нормально, я бы даже сказал - хорошо. Схема этого тембрического блока пассивная, К\У - 1. На вход плёнку, в ООС плёнку, ну или какие нибудь приличные полипропиленовые, или изопропитермодиэлектрические ( исключительно FOR AUDUO) конденсаторы.читал что родную по "схеме" заменяют на jrc4558
4558 явно хуже 5532, так что если есть 5532 то их смело ставь, 4558 эдакий среднячок, посредственный звук...
А никак не может быть К\У - 1. Ведь при входе 500 мв, на выходе - 1 в ! А это как минимум К\У - 3. И сразу же возникает вопрос : а вот на хрена ты спрашиваешь, если у тебя есть описание этого усилка, со всеми параметрами? Ну если в описании написано, что при входе в 500 мв , на выходе будет 1 в, то может как то сам скумекаешь, какой К\У у этого преда? Ну ты же опытный электронщик......при входе 500мв на выходе 1в,да и как может быть Ку-1
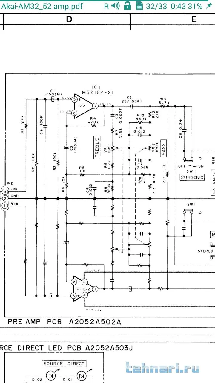
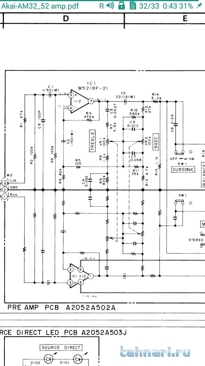
Правильно решил. А что это ты там за миниатюру выложил? Никак пред какой то?Так и решил 5532.
R4/R6+1= 470:82+1=6.73...то в этого Ку далеко не 3 и 5