• Добро пожаловать на компьютерный форум Tehnari.ru. Здесь разбираемся с проблемами ПК и ноутбуков: Windows, драйверы, «железо», сборка и апгрейд, софт и безопасность. Форум работает много лет, сейчас он переехал на новый движок, но старые темы и аккаунты мы постарались сохранить максимально аккуратно.

    Форум не связан с магазинами и сервисами – мы ничего не продаём и не даём «рекламу под видом совета». Отвечают обычные участники и модераторы, которые следят за порядком и качеством подсказок.

    Если вы у нас впервые, загляните на страницу о проекте, чтобы узнать больше. Чтобы создавать темы и писать сообщения, сначала зарегистрируйтесь, а затем войдите под своим логином.

    Не знаете, с чего начать? Создайте тему с описанием проблемы – подскажем и при необходимости перенесём её в подходящий раздел.
    Задать вопрос Новые сообщения Как правильно спросить
    Если пришли по ссылке со старого Tehnari.ru – вы на нужном месте, просто продолжайте обсуждение.

Усилители мощности

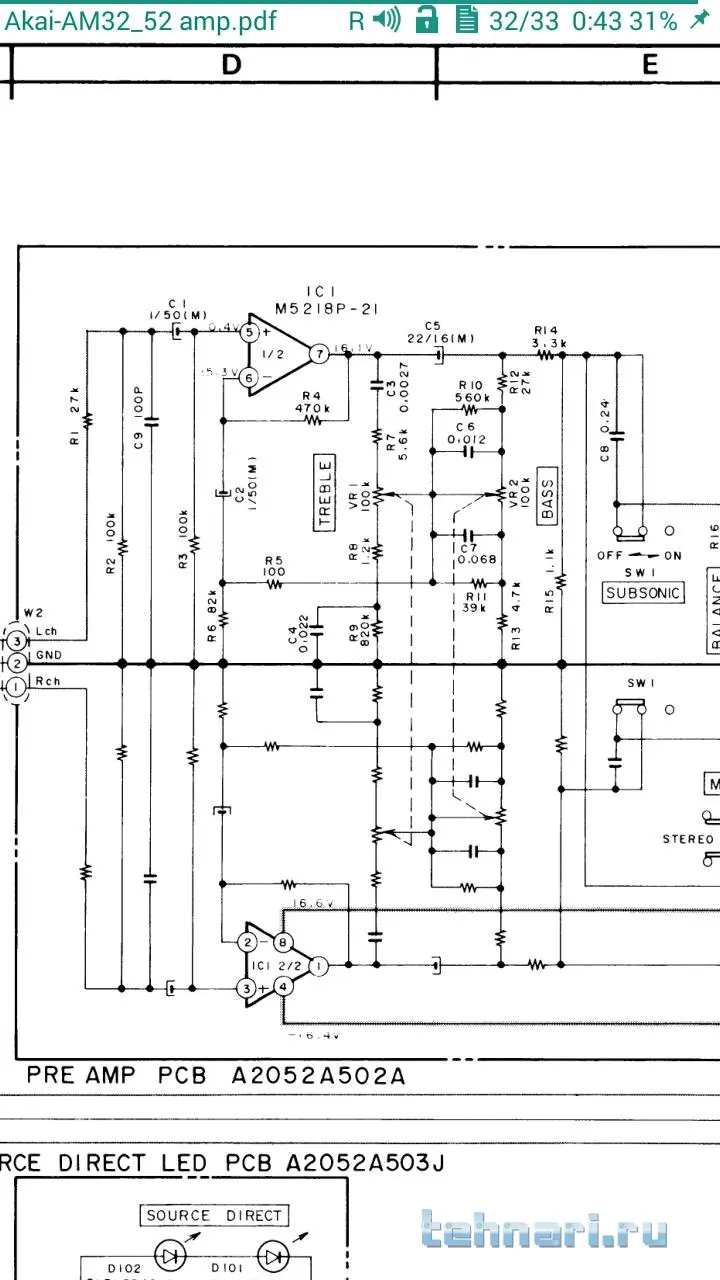
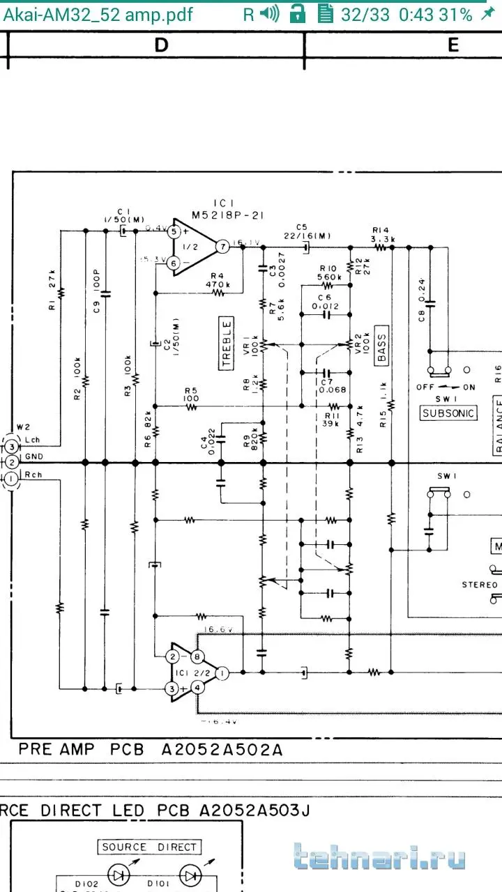
Всё. Шутки в сторону. Усиление подсчитано правильно, но это усиление ОУ. Не надо забывать о пассивном ТБ, который стоит после ОУ, и который прилично удавит сигнал. И Этот ТБ тоже входит в состав преда. Если в описание говорится, что при подаче на вход преда 500 мв, на выходе получаем 1 в, то это обозначает, что коэффициент усиления ВСЕГО ПРЕДА равен - 2. Теперь разбираем по частям. 500 мв х 6.73 = 3.365 в. Это сигнал после ОУ. 3.365 : х = 1.000. 3.365 : 1.000 = 3.3. Вот и получается, что после ОУ пассивный ТБ удавит сигнал в 3.3 раза, до получения на выходе преда 1 в. Если ты решил собирать этот пред, то было бы очень не плохо усилить ОУ буфером.
А примерно сколько на выходе будет(после пасивногр тебробока) если на вход подать 250мв.?
Ага. Значить так : 250 х 2 = 500 мв. На выходе , при входном напряжении в 250 мв, будет 500 мв.
 
Если увеличить номинал (470к) к примеру до 680к.это допустимо?сколько на выходе будет если все теже 250мв.?это схема усилителя akai,что то в ней серьёзно изменять нет желания.
 

Вложения

  • Screenshot_2017-05-11-00-51-18.webp
    Screenshot_2017-05-11-00-51-18.webp
    59.3 KB · Просмотры: 88
Если увеличить номинал (470к) к примеру до 680к. серьёзно изменять нет желания.

можно уменьшить сопротивление второго резистора, поставь подстроечник и крути пока не залетит в возбуд и шуметь не начнёт выше разумных рамок.
 
можно уменьшить сопротивление второго резистора, поставь подстроечник и крути пока не залетит в возбуд и шуметь не начнёт выше разумных рамок.

Привет Тимур,какой второй резистор уменьшить?
 

Вложения

  • Screenshot_2017-05-11-00-51-18.webp
    Screenshot_2017-05-11-00-51-18.webp
    59.3 KB · Просмотры: 106
R 6 уменьшай, тогда и к\у поднимется. Я ж тебе там всё расчитал. Пересчитай под свои нужды.
 
Соорудил на скорую руку домик :) и питание для ESR метра,заднею стенку ещё не поставил
 

Вложения

  • IMG_20170511_225608.webp
    IMG_20170511_225608.webp
    56.5 KB · Просмотры: 69
  • IMG_20170511_225621.webp
    IMG_20170511_225621.webp
    42.6 KB · Просмотры: 68
  • IMG_20170511_225630.webp
    IMG_20170511_225630.webp
    46.5 KB · Просмотры: 60
  • IMG_20170511_225646.webp
    IMG_20170511_225646.webp
    60.8 KB · Просмотры: 71
Apex ax-11,собран и готов отправится к своему хозяину:vpolet:
 

Вложения

  • IMG_20170514_152121.webp
    IMG_20170514_152121.webp
    73.8 KB · Просмотры: 162
  • IMG_20170514_152758.webp
    IMG_20170514_152758.webp
    36.4 KB · Просмотры: 73
  • IMG_20170514_152909.webp
    IMG_20170514_152909.webp
    39.3 KB · Просмотры: 96
Красавчик! только с ёмкостями пожадничал.
 
Сооовсем маловато(((
 
А почему передняя панель голая, без надписей?
Как-то не очень смотрится.

Пока что нет возможности набивать надписи,а так бы с удовольствием оформлял свои усилители надписями,да и многие делают усилители без надписей,по сути это уж не так кретично.
 
Последнее редактирование:
Пока даже принтера нет в хозяйстве,платы даже либо заказую у товарища или сам рисую
 
Рисую платы и я, сам. Хотя есть в пользовании лазерный принтер.
Просто нравится этим заниматься.

Ну когда надо срочно платы такие как ом2,lanzar то вручную не подходит,а когда речь про защиту ас или бп,стабилизатор то можно и нарисовать,мне вот надо срочно две платы lanzar и приходится ждать пока мне их из готовят,а был бы принтер то на раз-два и все готово,такие как дорофеев,apex то для меня не проблема нарисовать,теперь работа вся встала...:fase:
 
Назад
Сверху