• Добро пожаловать на компьютерный форум Tehnari.ru. Здесь разбираемся с проблемами ПК и ноутбуков: Windows, драйверы, «железо», сборка и апгрейд, софт и безопасность. Форум работает много лет, сейчас он переехал на новый движок, но старые темы и аккаунты мы постарались сохранить максимально аккуратно.

    Форум не связан с магазинами и сервисами – мы ничего не продаём и не даём «рекламу под видом совета». Отвечают обычные участники и модераторы, которые следят за порядком и качеством подсказок.

    Если вы у нас впервые, загляните на страницу о форуме и правила – там коротко описано, как задать вопрос так, чтобы быстро получить ответ. Чтобы создавать темы и писать сообщения, сначала зарегистрируйтесь, а затем войдите под своим логином.

    Не знаете, с чего начать? Создайте тему с описанием проблемы – подскажем и при необходимости перенесём её в подходящий раздел.
    Задать вопрос Новые сообщения Как правильно спросить
    Если пришли по старой ссылке со старого Tehnari.ru – вы на нужном месте, просто продолжайте обсуждение.

Усилители мощности

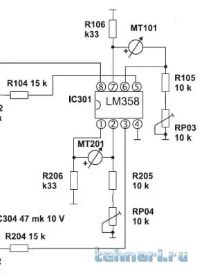
Вот как и обещал,извините за качество  
 
Вообщем появилась надобность в стрелочном индикаторе, не много погуглив наткнулся вот на эту схему,приложил фото.На к157 не вариант так как их нет в продаже в городе, а покупать в интернет магазине доставка дороже товара выйдет, да и одну не кто не отправит :) вообщем ближе к теме, индикатор будет подключен ко входу усилителя, уровень сигнала 250-500мв.хватит усиления схемы для нормальной работы индикаторов или надо собрать дополнительный пред на микросхеме к примеру jrc4558? И возможно заменить д9е к примеру на 1n4148?
 

Вложения

  • 30688d1298106652-amp145-22.webp
    30688d1298106652-amp145-22.webp
    9.6 KB · Просмотры: 36
уровень сигнала 250-500мв.хватит усиления схемы для нормальной работы индикаторов
Не-а , не хватит.
или надо собрать дополнительный пред на микросхеме к примеру jrc4558
Или.
возможно заменить д9е к примеру на 1n4148?
Можно, я так думаю.
 
А что, для
индикатор будет подключен ко входу усилителя, уровень сигнала 250-500мв
нужно сотки ловить ? :why:
По большому счёту все индикаторы, в усилителях и есть
 
Идеальная точность особо не надо, но хотелось бы что бы работал адекватно, если есть у вас схема которая адекватнее будет работать то поделитесь схемой.
 
Так,ах ты жж Серега мне наваял,а я не заметил. Сейчас,тут убунта у кореша,найдем
Вот этот нормально
 

Вложения

А что проще схемки нет :) ? Не чего против данной схемы не имею, но лепить три микрухи это геморойно для показометра :) что нибудь бы на транзисторах
 
Так выкини эту светодиодную часть к бабайке. Я тут как то вообще в старый техникс такое слепил. Работал неплохо
 

Вложения

  • стрелочный индикатор.webp
    стрелочный индикатор.webp
    16.4 KB · Просмотры: 264
Если я правильно понял то вот так?
 

Вложения

  • Screenshot_2018-02-02-12-48-18.webp
    Screenshot_2018-02-02-12-48-18.webp
    8.6 KB · Просмотры: 97
Ну да. И весь сыр-бор. Подожди платку попытаюсь закрепить. Автор с Паяльника наш камрад 1950
 

Вложения

Есть вналичии lm324, буду половинку её использовать
 
Вот собственно и сам ланзар, собранный на 99%, восстановил плату темброблока с ямахи и уже все подключил, корпус взят с Шервуда, трансформатор с непомню какого-то рэса, на бп напряжение +-37.8в просадка до вольта на плечо на полной громкости, для преда +-13.8в кандерчики 12000 на плечо, софт старт с задержкой 1.5сек.с резистором 36ом, защита ас по схеме амфитона 002 с задержкой 3сек.в остальном видно на фото, надо ещё до закрепить плату преда, подключить светодиод на рег.громкости, на счёт индикатора пока вроздумье, да и подпирают другие проекты.
 

Вложения

  • IMG_20180202_150129.webp
    IMG_20180202_150129.webp
    95.1 KB · Просмотры: 80
  • IMG_20180202_150159.webp
    IMG_20180202_150159.webp
    96.3 KB · Просмотры: 124
  • IMG_20180202_150205.webp
    IMG_20180202_150205.webp
    81.4 KB · Просмотры: 165
Вот ещё фото.....
 

Вложения

  • IMG_20180202_150216.webp
    IMG_20180202_150216.webp
    84.4 KB · Просмотры: 84
  • IMG_20180202_150227.webp
    IMG_20180202_150227.webp
    100.4 KB · Просмотры: 107
  • IMG_20180202_150211.webp
    IMG_20180202_150211.webp
    81.4 KB · Просмотры: 176
Вот схема софт старта по которой соберал, транзистор кт817, подстроечник убрал и поставил резистор 100к, конденсатор задержки поставил на 680мкф
 

Вложения

  • amp151-7.webp
    amp151-7.webp
    10.2 KB · Просмотры: 77
Паралельно собераю вот такой ланзар
 

Вложения

  • IMG_20180202_152906.webp
    IMG_20180202_152906.webp
    61.9 KB · Просмотры: 79
  • IMG_20180202_152916.webp
    IMG_20180202_152916.webp
    57 KB · Просмотры: 101
  • IMG_20180202_152934.webp
    IMG_20180202_152934.webp
    57.3 KB · Просмотры: 62
Имеется вот такой корпус думаю что в него поселить на пмж :) или пред или мощник собрать, но для мощника радиотор на зад надо выводить, в крышке сверлить отверстия не вариант, метал обтянутой плекой
 

Вложения

  • IMG_20180202_153354.webp
    IMG_20180202_153354.webp
    49.3 KB · Просмотры: 76
  • IMG_20180202_153407.webp
    IMG_20180202_153407.webp
    57.4 KB · Просмотры: 73
  • IMG_20180202_153416.webp
    IMG_20180202_153416.webp
    59.9 KB · Просмотры: 62
В такой корпус просится довольно мощный мощник, может есть смысл сделать принудительное охлаждение - радиаторы в середине, заборная решетка спереди, вентилятор сзади? В мощных бесперебойниках для монтажа в стойку так делают.
 
Можно и мощник, но сильно мощный не пойдёт, основание хлипкое, можно ребра жесткости при делать, но нет особого желания так сильно возится с усилением корпуса, да принудительное охлаждение я не особо жалую, хотя идея мне в целом нравится, надо обдумать.
 
Собрал на половину ещё один, только микроба поставил lm833 послушаем разницу
 

Вложения

  • IMG_20180202_172415.webp
    IMG_20180202_172415.webp
    68.7 KB · Просмотры: 83
Назад
Сверху