• Добро пожаловать на компьютерный форум Tehnari.ru. Здесь разбираемся с проблемами ПК и ноутбуков: Windows, драйверы, «железо», сборка и апгрейд, софт и безопасность. Форум работает много лет, сейчас он переехал на новый движок, но старые темы и аккаунты мы постарались сохранить максимально аккуратно.

    Форум не связан с магазинами и сервисами – мы ничего не продаём и не даём «рекламу под видом совета». Отвечают обычные участники и модераторы, которые следят за порядком и качеством подсказок.

    Если вы у нас впервые, загляните на страницу о проекте, чтобы узнать больше. Чтобы создавать темы и писать сообщения, сначала зарегистрируйтесь, а затем войдите под своим логином.

    Не знаете, с чего начать? Создайте тему с описанием проблемы – подскажем и при необходимости перенесём её в подходящий раздел.
    Задать вопрос Новые сообщения Как правильно спросить
    Если пришли по ссылке со старого Tehnari.ru – вы на нужном месте, просто продолжайте обсуждение.

Вопрос - ответ

  • Автор темы Автор темы WHS
  • Дата начала Дата начала
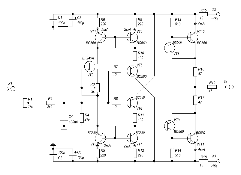
...а корректно ли при таком напряжении питания усилителя работают показанные стабилитроны? (1N4747A) и (1N751A)

Можно попробовать немного уменьшить номиналы R18, R24 и R25, например поставить 4К3 и два по 790Е соответственно.
 
Добрый день. Ещё хотел бы спросить. Не так давно собрал усилитель по приведённой схеме, изначально думал питать от +— 35вольт, но поставил тран на 2х18 и после диодов на конденсаторах +— 25вольт, задался вопросом-а корректно ли при таком напряжении питания усилителя работают показанные стабилитроны? (1N4747A) и (1N751A)
Чтобы сохранить режим работы по постоянному току, нужно R24/25 уменьшить до 270 Ом, R18 не трогать совсем. Если ничего не менять, то тока через R24/25 не хватит. Можно посчитать: суммарное напряжение стабилизации D1 и D2 - 40 вольт, соответственно через цепочку D3-R18-D4 будет протекать ток 6,4 мА. Ток каждого дифкаскада будет составлять ~1 мА, значит в сумме ~2 мА, и ток УН в районе 3-4 мА. В сумме потребление по ксждому плечу будет 11-12 мА. Токи через резисторы R24/25, сопротивлением 820 Ом, при питании 25 вольт, будут составлять ~ 6 мА, так что криминал есть, и ещё какой :)
 
Ну скорее всего так и поступим. Спасибо за приведённый сразу расчет.
 
Добрый день. Ещё хотел бы спросить. Не так давно собрал усилитель по приведённой схеме, изначально думал питать от +— 35вольт, но поставил тран на 2х18 и после диодов на конденсаторах +— 25вольт, задался вопросом-а корректно ли при таком напряжении питания усилителя работают показанные стабилитроны? (1N4747A) и (1N751A)
Где Вы взяли эту схему, можно узнать?
Так извратить выходной каскад Ланзара- нужно было постараться.
Из-за того, что УН питается пониженным стабилизированным напряжением, пришлось придумывать усиливающий ВК. Сами себе создаем проблемы, а затем их героически преодолеваем.
 
Из журнала врл 99 «высококачественный экономический усилитель мощности». Выходной какскад многим не нравится, резисторы в эмиттерах ун по 1.5кОм и потом сама тройка с усилением на выходе, всё это тоже многим не нравится, но есть у этого усилителя так же и много хороших отзывов, я его собрал мне он очень понравился.
 
Здравствуйте, может кто подскажет, эту схему нормирующего устлителя з.ч. питать нужно от стабилизированного источника питания, или нет?
 

Вложения

  • IMG_20230916_194145.webp
    IMG_20230916_194145.webp
    41.2 KB · Просмотры: 13
Лучше всего от двух квадратных батареек,в годы моего отрочества они назывались КБС.
 
питание только должно быть чистым .

То есть получается трансформатор - диодный мост - фильтрующие конденсаторы, и всё?
 
ну я уже такими пользовался
 

Вложения

  • i.webp
    i.webp
    37.4 KB · Просмотры: 13
Ещё попутно вопрос, пару страниц назад такую схему увидел. Вопрос, а эту тоже можно питать не стабилизированным источником?
 

Вложения

  • Буфер.GIF
    Буфер.GIF
    15.5 KB · Просмотры: 42

Вложения

  • Скриншот 16-09-2023 201324.webp
    Скриншот 16-09-2023 201324.webp
    3.1 KB · Просмотры: 82
Батарейное питание? Это конечно же очень круто, но так неудобно. А что, разве сложно сделать простой, но в то же время качественный стабилизатор напряжения? На двух LMках? Или же на двух транзисторах, с хорошей фильтрацией по базам?
 
там все же 18 вольт. относительно земли замер идет, но не относительно -9В.
ну а в последней - 30. да и по мощности они не много разные.
 
Это ты вообще о чем?
 
А что, разве сложно сделать простой, но в то же время качественный стабилизатор напряжения? На двух LMках? Или же на двух транзисторах, с хорошей фильтрацией по базам?
Сашь , это ооочень сложно .
 
на двух транзисторах, с хорошей фильтрацией по базам?[/QUOTE]

Схемку не кините?
 

Вложения

  • 20230831_212551[1].webp
    20230831_212551[1].webp
    61.9 KB · Просмотры: 19
Схемку не кините?
Хорошее питание — залог хорошей работы! Вот тебя если плохо питать, ты как себя будешь чувствовать? И уж конечно же при плохом питании, ты уже не сможешь легко и быстро разгрузить вагон угля! :)) Держи. Стабилитроны поставь под свои нужды.
 

Вложения

  • IMG_0778.webp
    IMG_0778.webp
    26.9 KB · Просмотры: 31
Назад
Сверху