• Добро пожаловать на компьютерный форум Tehnari.ru. Здесь разбираемся с проблемами ПК и ноутбуков: Windows, драйверы, «железо», сборка и апгрейд, софт и безопасность. Форум работает много лет, сейчас он переехал на новый движок, но старые темы и аккаунты мы постарались сохранить максимально аккуратно.

    Форум не связан с магазинами и сервисами – мы ничего не продаём и не даём «рекламу под видом совета». Отвечают обычные участники и модераторы, которые следят за порядком и качеством подсказок.

    Если вы у нас впервые, загляните на страницу о форуме и правила – там коротко описано, как задать вопрос так, чтобы быстро получить ответ. Чтобы создавать темы и писать сообщения, сначала зарегистрируйтесь, а затем войдите под своим логином.

    Не знаете, с чего начать? Создайте тему с описанием проблемы – подскажем и при необходимости перенесём её в подходящий раздел.
    Задать вопрос Новые сообщения Как правильно спросить
    Если пришли по старой ссылке со старого Tehnari.ru – вы на нужном месте, просто продолжайте обсуждение.

Выбор усилителя для наушников

Потихоньку строимся.
 

Вложения

  • IMAG0719.webp
    IMAG0719.webp
    42.6 KB · Просмотры: 186
  • IMAG0721.webp
    IMAG0721.webp
    67.6 KB · Просмотры: 215
  • IMAG0722.webp
    IMAG0722.webp
    53 KB · Просмотры: 217
  • IMAG0723.webp
    IMAG0723.webp
    57.2 KB · Просмотры: 138
Потихонечку - помаленечку...
 

Вложения

  • DSCF0564.webp
    DSCF0564.webp
    91.5 KB · Просмотры: 239
  • IMAG0732.webp
    IMAG0732.webp
    49.9 KB · Просмотры: 148
Где такую ручку крутую урвал?
 
Валяется дома.
Я одно время на базаре старые касетники покупал за 2-3 Евро .
Трансы,регуляторы,моторы доставал.
Вот с тех пор остался
 
Подскажите .
Как и чем лучше всего покрасить древесину?
Желательно тёмные тона.Тёмно красный например.
Но и чтобы было видно текстуру древесины.

Алюминий скорее всего будет краситься.
Подсветка будет белая.
 
Последнее редактирование:
Может что то типо того
 

Вложения

  • Ушник.webp
    Ушник.webp
    21.2 KB · Просмотры: 127

Вложения

  • морилка.webp
    морилка.webp
    39.3 KB · Просмотры: 2,982
Если морилку ложить в несколько слоёв то дерево будет темнее?

Как вам вообще дизайн? А то с меня дизайнер никакой....
Может цвета поменять?
 
Корпус красивый, а вот полоску чёрную убери! Она всё портит.
 
Саш типо того?
 

Вложения

  • Ушник2.webp
    Ушник2.webp
    15.8 KB · Просмотры: 119
Ну конечно! Совсем другое дело!
 
Хорошо.
Только на крышке как будто чего то не хватает.
 
Слишком сложен и мощный дюже. Вас не поймут наверное. Но все равно давайте.
 
что там сложного. Деталей много,но без подбора , да это есть .вечером скину
 
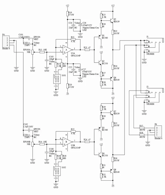
вот такой .ОУ плюс буфер
 

Вложения

  • телефонника 2.GIF
    телефонника 2.GIF
    36.8 KB · Просмотры: 1,647
Ну, а вот такой вариантец как?
 

Вложения

  • 8e7643144ca41c28d21eee2c6eab815e.webp
    8e7643144ca41c28d21eee2c6eab815e.webp
    30.3 KB · Просмотры: 530
Сразу видно странная схема. Резисторы на питание микросхемы 47 Ом и на входе конденсаторы 250 Вольт ... :)
 
Юрий, самое главное то и не заметил. Нет общей ОС.
А во вышеперечисленному ничего странного нет. Резисторы в ногах это развязка от ВК по питанию (RC фильтр), конденсаторы на входе можно на любое напряжение ставить, меньше чем на 50 вольт не найдешь.

вот такой .ОУ плюс буфер
А характеристики какие? D3 D4 на какое напряжение?
 
на входе конденсаторы 250 Вольт ...

Там вообще "бутерброд" на входе стоит. Указанное напряжение видимо связано со свойствами диэлектрика, влиянием его на качество звука.
 
Назад
Сверху