Смотрите видео ниже, чтобы узнать, как установить наш сайт в качестве веб-приложения на домашнем экране.
Примечание: Эта возможность может быть недоступна в некоторых браузерах.
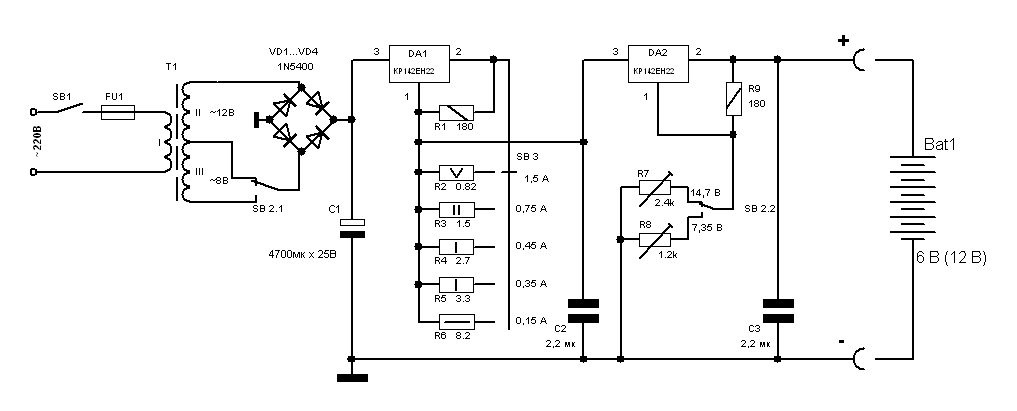
вы вообще читаете сообщения? ищете сами себе сложностиСобственно причина, по которой я хотел поставить регулировку напряжения совместно с регулировкой тока, заключается в том, что трансформатор выдает напряжение 22 вольта. Как я понял, регулятор тока ограничивает только ток заряда, а напряжение остается без изменений. Боюсь, для аккумулятора автомобильного 22 вольта будет многовато. Вот и хотел при помощи регулятора напряжения выставлять напругу 14-15в. Ему(аккуму) бы 14-15в в самый раз. Ну тут уже вопрос к спецам в аккумуляторах: 22 вольта для заряда автомобильного аккумулятора 12v много или нормально? При этом ток заряда будет ограничиваться регулятором.
сделать любой стабилизатор напряжения с током не менее 6А (который вам по силам) и мониторить зарядку включив в цепь амперметр
АКБ можно заряжать разными способами. К примеру литиевым батареям малейшее превышение напряжения при заряде грозит взрывом.стабилизатором напряжения АКБ не заряжают!
В помощь радиолюбителю - Обмоточные проводачто-то мне подсказывает, что для 5А такого диаметра провода маловато
я в детстве заряжал батарейки для своего мотоциклета обычным питальником с регулятором напряжения тупо включая в цепь цешку в режиме амперметра, позже разжившись двумя стабилизированными лабараторниками выложив за них бешенные по тем временам деньги 230р, заряжал для своей тачки аккумулятор включая их в паралель током 6А (2х3А) так же включая в цепь амперметр уже постоянно припаянный к проводам сделанным для зарядки, ни когда не парил себе мозг, потому как для зарядки нужно мониторить ток, что собственно я и делал, а заряжать можно хоть от сетегого адаптера если он подойдёт, не стоит вводить людей в заблуждение, когда они не разбираются в теместабилизатором напряжения АКБ не заряжают!
Владимир , что ее рисовать , их в иенте до*** ...я как нибудь нарисую схемку зу с защитой от кз и переполюсовки -сам лично незколько раз собирал. схема на тиристорах

заряжать можно и 2А только вместо 10 часов - суткииз моей обмотки больше 2А выжать просто не возможно