• Добро пожаловать на компьютерный форум Tehnari.ru. Здесь разбираемся с проблемами ПК и ноутбуков: Windows, драйверы, «железо», сборка и апгрейд, софт и безопасность. Форум работает много лет, сейчас он переехал на новый движок, но старые темы и аккаунты мы постарались сохранить максимально аккуратно.

    Форум не связан с магазинами и сервисами – мы ничего не продаём и не даём «рекламу под видом совета». Отвечают обычные участники и модераторы, которые следят за порядком и качеством подсказок.

    Если вы у нас впервые, загляните на страницу о проекте, чтобы узнать больше. Чтобы создавать темы и писать сообщения, сначала зарегистрируйтесь, а затем войдите под своим логином.

    Не знаете, с чего начать? Создайте тему с описанием проблемы – подскажем и при необходимости перенесём её в подходящий раздел.
    Задать вопрос Новые сообщения Как правильно спросить
    Если пришли по ссылке со старого Tehnari.ru – вы на нужном месте, просто продолжайте обсуждение.

Блок питания 12 вольт

ищи советские тс-70 и выше их перемотать очень легко .
 
у друга ву гараже летом видел старые платы от чегото с трансформаторами сегодня схожу спрошу викунули или нет
 
нету у него блоков всё выкинули говорит,днём делать нечего было и решил всё спаять сегодня всё качественно спаял а тоесть регууулятор тембра(вч и нч),регууулятор громкости,диодный мост и кондёры осталось только подключить блок питания,блин только щас вспомнил что надо транзисторы ещё подключать,сейчас буду их подключать а так всё готово кроме блока и транзисторов
 
Чисто для проверки можно взять автомобильный аккумулятор. С помощью электролитов организуешь искусственную среднюю точку.

в какой то теме валерий писал что искуственную среднюю точку не желательно использовать
 
ещё такой вопрос зачем ставится защита ас?от замыканий + с - на выходе?проста имеется защита ас думаю её поставить
 
вот достал два транзистора с радиаторами кт803а и заодно сфоткал зашиту ас
 

Вложения

  • Фото0241.webp
    Фото0241.webp
    78.8 KB · Просмотры: 537
  • Фото0242.webp
    Фото0242.webp
    74.9 KB · Просмотры: 177
  • Фото0243.webp
    Фото0243.webp
    47.6 KB · Просмотры: 235
  • Фото0244.webp
    Фото0244.webp
    55.9 KB · Просмотры: 163
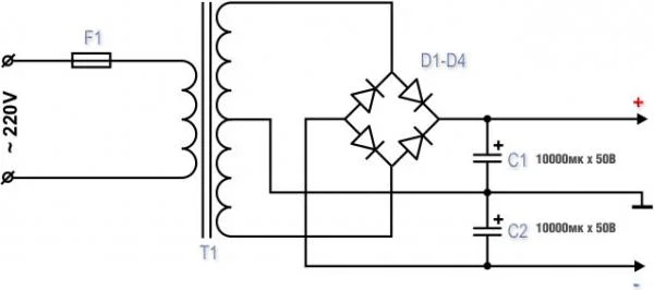
что то я не уверен что собрал правильно диодный мост и кондёрами проверьте пожалуйста вот схема и фото
 

Вложения

  • Фото0240.webp
    Фото0240.webp
    64.7 KB · Просмотры: 8,378
  • 300864c3f3461a741e.webp
    300864c3f3461a741e.webp
    8.5 KB · Просмотры: 594
Правильно, провода "плюс" и "минус" лучше брать разного цвета, что бы не ошибиться при подключении, точку соединения конденсаторов не забудь соединить со средней точкой трансформатора
 
хорошо,блинтрансформатор никак ненайду еть 12 вольтовй под нагрузкой норм будет?
 
сейчас 20минут сидел мучился не работал диодный мост потом решил прозвнить провода и оказалось что один провод оторвался проста зацепился и весел как будто припаян сейчас жду когда паяльниу нагреется припояю
 
странно но диодный мост с кондёрами всё равно не рабтает что такое???(((((((
 
Как проверял?, к чему подключал?, где фото?
 
фото я выкладывал отуключал от усилителя подавал 12 вольт перемпенки после диодного моста и кондёров питания нету((((
 
ну подал 12 вольт переменки на выходе померил оказалоь 0,0
 
ну подал 12 вольт переменки на выходе померил оказалоь 0,0
Если правильно собрано и подключено и правильно пользуешься мультиметром то все диоды неисправны. Проверь каждый диод на обрыв и на пробой.
 
Назад
Сверху