Буду делать лабораторный БП из АТХ

  • Автор темы Автор темы Tyzik
  • Дата начала Дата начала
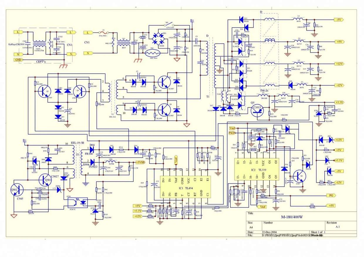
Вот она, схема на мой блок. По крайней мере, название такое. Только почему там нумерация элементов повторяется?

Прошу опять показать, что нужно выкинуть)
 

Вложения

  • Page_1.webp
    Page_1.webp
    124 KB · Просмотры: 7,016
Повышал напряжение дежурки на треть путём увеличения напряжения стабилитрона ZD27 с 6-ти до 8-ми вольт. Транзистор Q16 - C5027. Схема следующая:

codegen_cg-07a.webp

Была чехорда на выходе. Потом "пых". Заменил на 1303. Пять минут без нагрузки полёт нормальный. Нагрузка - два выхода оптодрайвера с мосфетами и шим 494, нагруженный светодиодами этих драйверов, вобщем не большая. При нагрузке проседает выходное напряжение в четыре раза.

1. Почему замена стабилитрона повлияла на транзистор C5027? Он стоит в базе. Может быть предел базового напряжения низкий?

2. Что в этом транзисторе такого "золотого"? Почему не ставят обычные 1303-1309?

3. Чего можно ожидать от работы 1303 в этом варианте?

4. Почему при новом транзисторе стало проседать напряжение? Или это по другой причине? В принципе, осциллограммы дежурки до "пыха" были не стабильны.
 
Последнее редактирование:
Заменил на 1303. Пять минут без нагрузки полёт нормальный.
Странно. Напряжение КЭ у 1303 - 20 вольт, Memeno mori... Или, всё же, разговор о 13003? :)
Почему замена стабилитрона повлияла на транзистор C5027? Он стоит в базе. Может быть предел базового напряжения низкий?
А Datasheet'ы Вы на них вообще смотрели?
Почему при новом транзисторе стало проседать напряжение? Или это по другой причине? В принципе, осциллограммы дежурки до "пыха" были не стабильны.
Вот вам две таблички с первых страниц Datasheet'ов на Ваши транзисторы. Сравнивайте :)
5027.webp13003.webp
 
Хорошо бы если б названия транзисторов надписаны были. Судя по всему первая - про 1303. Ток коллектора 100 мА. Вы действительно думаете, что я поставил вместо здоровенного C5027 маломощник? Из общего содержания вопроса можно было бы догадаться, что я имею в виду транзисторы типа тех которые ставят в качестве силовиков, - 13003. Конкретно возьмём MJE13007. Почему вы затрудняете себя помещением в текст табличек, если не уерены что мне это надо? Думаете я не смотрел даташиты? Ошибаетесь. Просто по неопытности я не вижу чем таким золотым они должны различаться. Напряжение коллектора 400 или 700 вольт не суть важно.

Можно весь текст и не выделять жирным, здесь вроде все зрячие, модератор.
 
Хорошо бы если б названия транзисторов надписаны были.
Улыбнул. А название вложенного файла посмотреть - не судьба?
Судя по всему первая - про 1303. Ток коллектора 100 мА. Вы действительно думаете, что я поставил вместо здоровенного C5027 маломощник?
Первая - как раз 2sc5027. Но, я так понял, Вы имеете в виду (опять самому догадываться надо) - ksc5027:
ksc5027.GIF
Впрочем, максимальное значение Vebo у него такое же (7 вольт).
Почему вы затрудняете себя помещением в текст табличек, если не уерены что мне это надо? Думаете я не смотрел даташиты? Ошибаетесь.
Если бы я ошибался, и Вы умели извлекать из Datasheet'ов нужную информацию (а не только смотреть в книгу), Вы бы не стали подавать на базу KSC5027 8 вольт.
И не стали бы спрашивать, почему 13003 не полностью открывается.
 
Улыбнул. А название вложенного файла посмотреть - не судьба?

Название вложенного файла:

"http://www.tehnari.ru/attachments/f119/158197d1383198879-5027.jpg"

...Если бы я ошибался, и Вы умели извлекать из Datasheet'ов нужную информацию...

Пижоните... Почему бы коротко и ясно указать на причину?
 
евгений вот фотографии блока питания POWER MASTER AP-1. Схему конкретно от этой платы не нашел, нашел похожую. посмотри пожалуйста. на плате нет дросселя на кольце, есть от другого, поставлю. максимальное напряжение выдает 22,2 вольта
 

Вложения

  • DSCN3093.webp
    DSCN3093.webp
    188.4 KB · Просмотры: 1,652
  • DSCN3094.webp
    DSCN3094.webp
    168.5 KB · Просмотры: 1,865
  • DSCN3095.webp
    DSCN3095.webp
    86.7 KB · Просмотры: 1,320
  • DSCN3097.webp
    DSCN3097.webp
    127.9 KB · Просмотры: 1,575
  • почти эта схема.webp
    почти эта схема.webp
    52.4 KB · Просмотры: 12,483
Блок формата АТ. Для питания TL-ки и LM-ки надо будет дополнительный БП.
 
и снова codegen 300x

Уважаемый "тузик", есть исправный codegen 300x, схема схожа/идентична как в 46 посте . Далее в 63 посте представлена плата CG-13C с изменениями, тоже вроде всё сходится с моей. Вашей платы управления пока нет. Возможно ли включение переделанного БП без неё? а также групповой дроссель на бублике остаётся без изменений?
 
Подскажите окончательную схему вашего CODEGEN 300x
 
доброе время суток!подскажите плиз можно ли воткнуть вместо шунта резистор цементный на 0,01ом 5Вт и какие изменения будут при этом?
p.s. другого просто нет,а пять последовательно... это громоздко! ещё есть нихром диаметр 0,26мм
 
есть целая катушка
 
Что нужно сделать что бы превратить TL494 в повторитель? То есть - аналог логического элемента (с поправкой на мёртвую зону)? Другими словами - подаём сигнал от другого генератора, который толкает шим-ку к действию, а там, она, уже сама - разруливает защиты, коэффициенты заполнения и т.п.
 
День добрый, решил переделать свой ATX fa-5-2, но на плате маркировка fa-5-f, суть в том что бп не рабочий, напряжения прыгают где то на 0.7 вольта, на нагрузке это выглядит как просаживающиеся пульсации с частотой 2 раза в секунду. были вздутые кондеры, менял, ничего не помогло, поменял tl494 все так же
 
нагрузку тянет как положено, просто пульсирует проседая
 
Tyzik сори, некогда было, короче, напруга прыгает везде, кроме 3.3в, там стабильно 3.43в , помрял на тлке там от 24.5 до 24.8 скачет
 
Назад
Сверху