• Добро пожаловать на компьютерный форум Tehnari.ru. Здесь разбираемся с проблемами ПК и ноутбуков: Windows, драйверы, «железо», сборка и апгрейд, софт и безопасность. Форум работает много лет, сейчас он переехал на новый движок, но старые темы и аккаунты мы постарались сохранить максимально аккуратно.

    Форум не связан с магазинами и сервисами – мы ничего не продаём и не даём «рекламу под видом совета». Отвечают обычные участники и модераторы, которые следят за порядком и качеством подсказок.

    Если вы у нас впервые, загляните на страницу о проекте, чтобы узнать больше. Чтобы создавать темы и писать сообщения, сначала зарегистрируйтесь, а затем войдите под своим логином.

    Не знаете, с чего начать? Создайте тему с описанием проблемы – подскажем и при необходимости перенесём её в подходящий раздел.
    Задать вопрос Новые сообщения Как правильно спросить
    Если пришли по ссылке со старого Tehnari.ru – вы на нужном месте, просто продолжайте обсуждение.

Буду делать лабораторный БП из АТХ

  • Автор темы Автор темы Tyzik
  • Дата начала Дата начала
хочу ограничить ток до 10А как это сделать?
 
Добрый день. Переделал Codergen-300W по данной схеме.Проблема в том что при включении выдает сразу 27в и не регулируется только выгорают диодные сборки sb3045st. В чём может быть причина?
 
Первое - sb3045st не годятся. Они на 30А, но Uобр. всего 45В.
Второе - если есть возможность, то сделайте фото в хор. разрешении плат БП и дополнительной.
 
Уважаемые знатоки ,собрал все по первому посту.Все регулируется,работает ,но падение напряжения с нагрузкой 2,5 вольта при токе 3 ампера.Соответственно падение выше при увеличении напряж.Сносно держит 4.5 вольта 1.8 ампер, без падения. Кто подскажет????tehnobanka
 
Уважаемые знатоки ,собрал все по первому посту.Все регулируется,работает ,но падение напряжения с нагрузкой 2,5 вольта при токе 3 ампера.Соответственно падение выше при увеличении напряж.Сносно держит 4.5 вольта 1.8 ампер, без падения. Кто подскажет????tehnobanka
Это уже без ломпы на входе
 
На мой взгляд лабораторник по схеме из перевого поста не панацея.
У 494-й целых два равнозначных усилителя ошибки, и грех их не использовать. Хотя в ряде случаев и "один в поле воин" (случаи с другими ШИМ-контроллерами).
На мой взгляд, отклонения вполне допустимы из-за "лишних" операционников, ведь вся регулировка по схеме из первого поста основана на внешней блокировке внутреннего генератора по ДТ. Свои усилители ошибки в данной схеме заблокированы. :(
В интернете гора схем более простых, и качественных переделок без использования дополнительных усилителей.
 
Мне, наверное, ссылки тут нельзя постить пока?
Вот, простейшая переделка с ограничением по току, и использованием микросхемы по назначению.
Линками меньше места на сервере занимается. :(
 

Вложения

  • image051.webp
    image051.webp
    21.5 KB · Просмотры: 647
Что-то я тут правки сообщений не вижу.:tehnari_ru_138:
Эта схема применима практически с любыми ШИМ-контроллерами, такими как 6105,3528, и т.д., главное обмануть супервизор у них.
Это просто. Нужно подать напряжения, необходимые по даташиту на нужные ноги микросхем.
 
Уважаемые знатоки ,собрал все по первому посту.Все регулируется,работает ,но падение напряжения с нагрузкой 2,5 вольта при токе 3 ампера.Соответственно падение выше при увеличении напряж.Сносно держит 4.5 вольта 1.8 ампер, без падения. Кто подскажет????tehnobanka

.... а остальное прочитал ????

Прочитал все.На самом деле,из за боязни спалить блок без входной лампы,я его быстро выключал.У меня при регулировке без нагрузки нужно ждать до полной точной установки .Нагрузка -спираль.При нагрузке 20 вольт и токе 5 а (больше не нагружал) падение напряжения 150 м.в.Напряжение 5 в ток 2а падения напр нет.Шим свистел убрал подборкой ( переменник) на ноге 7 шима ,из родных9 ком. получилось 1,7 кома.Вроде бы все работает .Спасибо всем.С Крещением.
 
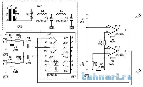
Блок FA-5-2, схема управления
ATX-Lab[1].webp.
Все собрал, подключил через лампочку. На холостом ходу работает. Напряжение регулируется 0-21В. Но !!!!

Решил проверить с нагрузкой (автолампа 12В). Выставил 12В, ток на середине, подключил автолампу - бах, загорелась лампа 220В. напряжение пропало.

Итог: выгорела ШИМ. ЗАмена на КА7500. Все работает.
Аналогично. Ставлю напряжение 0-1В, подключаю нагрузку - горит лампа 220В, крутилка тока на результат не влияет... ШИМ не перегорает.

Теперь вопрос :) : Куда копать? В какой цепи искать проблему? И еще: если нет R7 0.05ом (он же шунт амперметра, да?), сойдет для тестирования перемычка :) Просто шунт в пути, а проверить работоспособность схемы хочется сейчас.
 
если нет R7 0.05ом (он же шунт амперметра, да?), сойдет для тестирования перемычка Просто шунт в пути, а проверить работоспособность схемы хочется сейчас.
нет не сойдет, в данном случае это не просто шунт для амперметра, а датчик тока с которого сигнал подается в схему защиты и регулировки по току. без него ни ток не будет регулироваться, ни защиты от перегрузки не будет
 
Виктор, спасибо за наводку. Бегу в магазин. Видимо из-за этого погорел ШИМ. И регулировки не было...
 
Кроллеги, вопрос:
Установил резистор R7 (2х0.1ом параллельно), собрал через лампочку 220В. Вешаю нагрузку - автолампу (12В). Регулятором напряжения максимум выкручивается до 2В, дальше не реагурует на кручение. При этом горят обе лампы (220В и нагрузка).

Я так понимаю это лампочка 220В мешает выйти на нужный уровень вольтажа? Без нее не пробовал, жалко спалить схему... Дабы потом не искать причину. Я прав? Она мешает?
 
Установил резистор R7 (2х0.1ом параллельно), собрал через лампочку 220В. Вешаю нагрузку - автолампу (12В). Регулятором напряжения максимум выкручивается до 2В, дальше не реагурует на кручение. При этом горят обе лампы (220В и нагрузка).
1 какая мощность лампы(на какой ток) на 12в?
2 12в лампа горит ярко или еле нить накаляется?
3 что при выходном напряжении 0в?
4 регулятор тока как действует?
 
1. Лампа 60вт
2.при напряжении 2В горит не сильно, глаза не напрягает.
3. минимум выставляется 0.2В. Обе лампы не горят. При увеличении - обе разгораются сильнее. При том лампа 220В горит довольно ярко, но не полную мощь
4. При 2В, ток около 20мА (точно не помню) на крутилку не реагирует
 
что то не то при 2в будет нить только чуть чуть накаляться, а ток на порядок, а то и на два должен быть больше. что и чем вы меряете, проверьте монтаж внимательно, случайно 1 и 16 ноги микросхемы не перепутали. я собирал по схеме без операционников все работало
 

Вложения

  • блок_питания.webp
    блок_питания.webp
    30.5 KB · Просмотры: 592
Виктор, спасибо. Буду пробовать вашу схему управления. Может и в правду проще -надежнее.
Только вот вопрос: С4 это кондер в схеме блока питания? Тот что после дросселя?
 
С4 это кондер в схеме блока питания? Тот что после дросселя?
да, только конденсаторы должны быть на напряжение не менее 25в, а может и больше, смотря какое будет максимальное напряжение на выходе блока питания
 
Назад
Сверху