Linus
Самоделкин
- Регистрация
- 6 Ноя 2010
- Сообщения
- 1,155
- Реакции
- 80
- Баллы
- 0
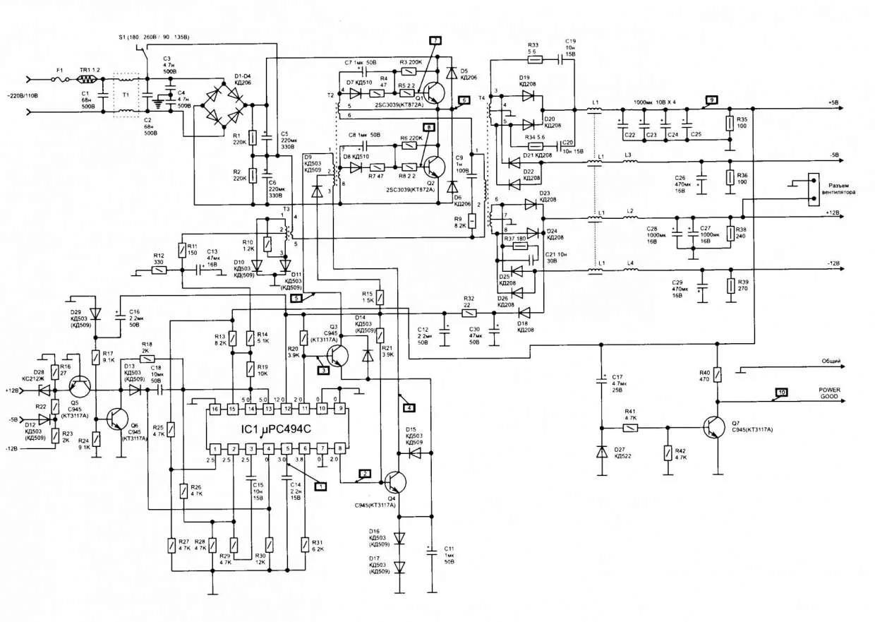
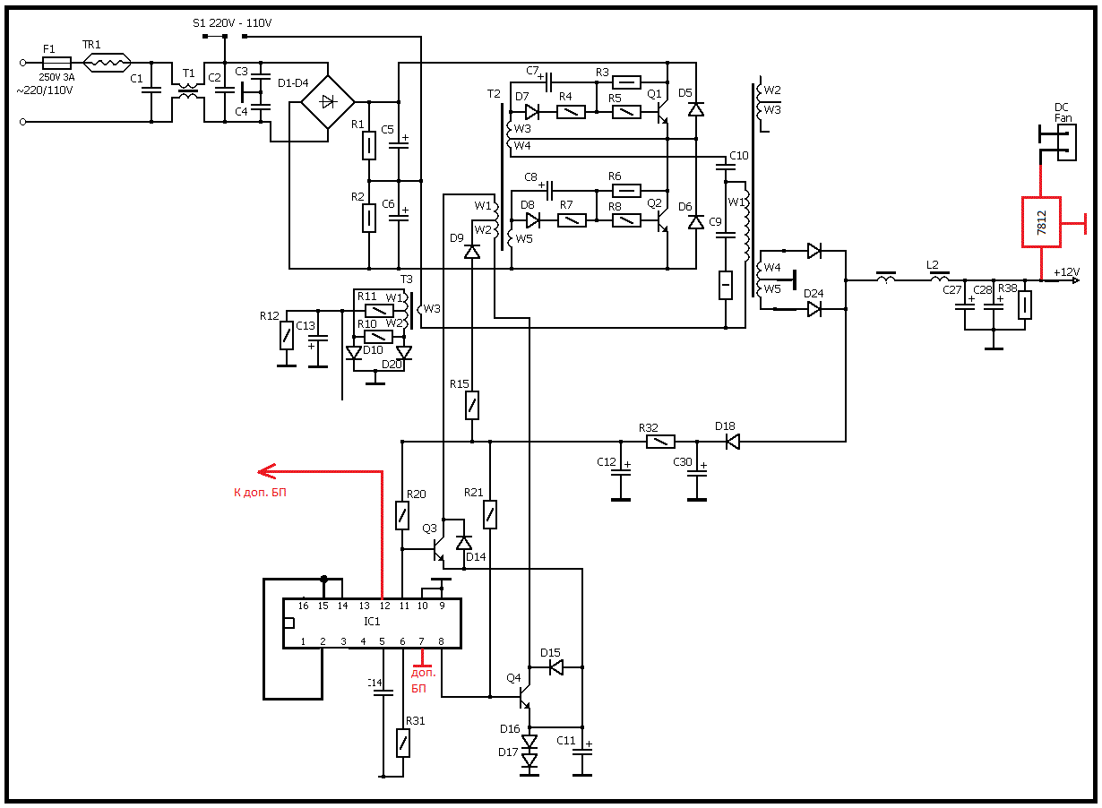
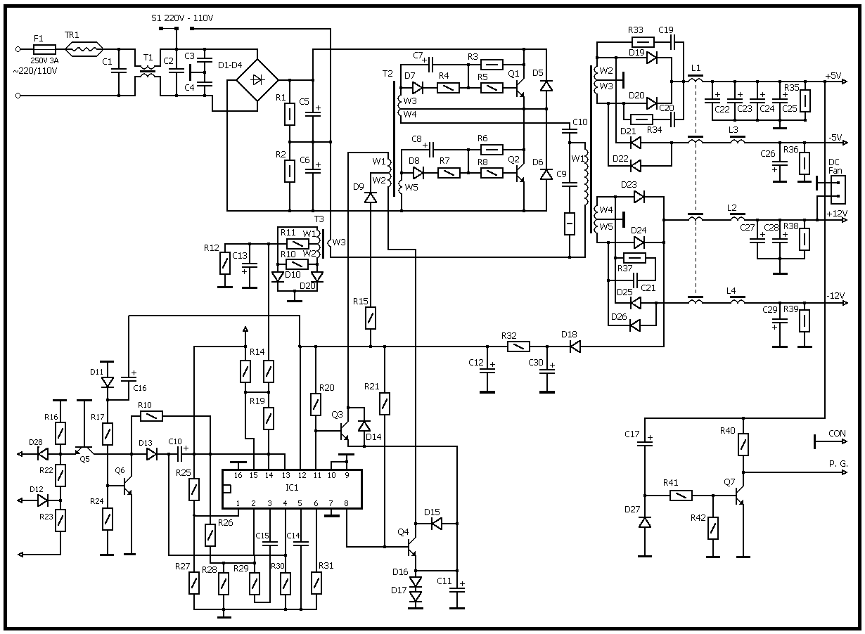
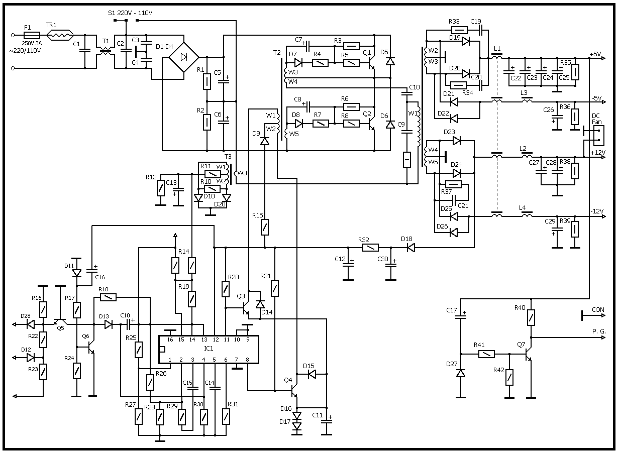
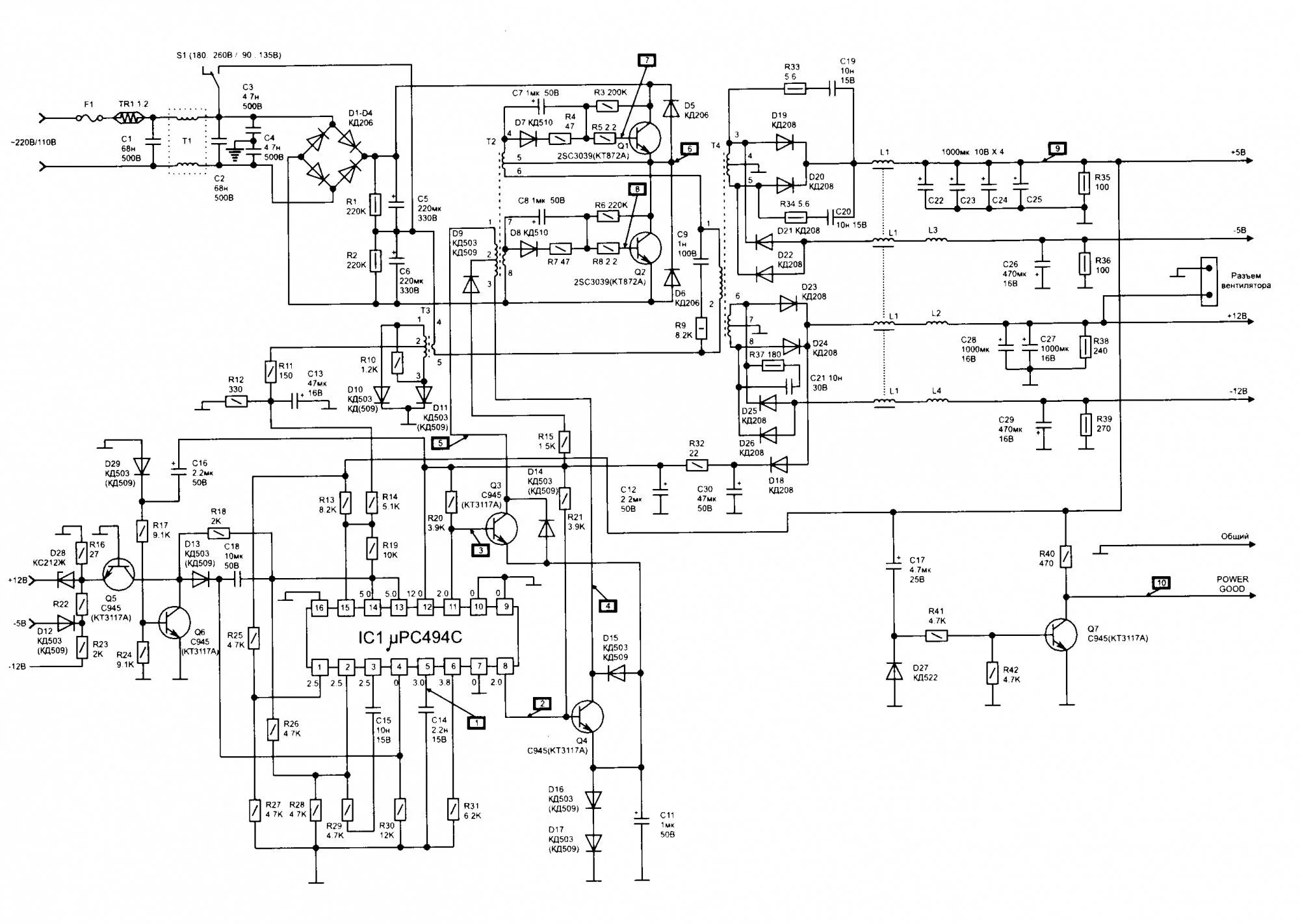
Привет всем! Хочу поинтересоваться, как можно переделать по этой схеме АТешный блок питания? Модели БП не знаю, отдали только одну плату. Ее уже кто-то пытался переделать похоже. Заменены диоды по одной из линий. Мне кажется по -12. ШИМ у этого БП KIA494. Плата рабочая, проверял. Прилагаю фотки. И в интернете нашел более менее подходящие схемы. Не знаю точно, какая лучше подойдет к нему, но думаю что вот эта:

Исправьте пожалуйста схему, что из нее нужно удалить и добавить, для запуска схемы после переделки(как подключать подобие дежурки ATX)!!! Заранее благодарю!!!

Исправьте пожалуйста схему, что из нее нужно удалить и добавить, для запуска схемы после переделки(как подключать подобие дежурки ATX)!!! Заранее благодарю!!!
Вложения
-
atbp3.webp102.3 KB · Просмотры: 9,447 -
atbp2.gif31.1 KB · Просмотры: 862 -
DSCN1672.webp170 KB · Просмотры: 597 -
DSCN1678.webp213.5 KB · Просмотры: 556 -
DSCN1680.webp162.3 KB · Просмотры: 532 -
DSCN1685.webp145.7 KB · Просмотры: 663 -
DSCN1692.webp141.7 KB · Просмотры: 409 -
DSCN1686.webp99.4 KB · Просмотры: 447
Последнее редактирование:

