• Добро пожаловать на компьютерный форум Tehnari.ru. Здесь разбираемся с проблемами ПК и ноутбуков: Windows, драйверы, «железо», сборка и апгрейд, софт и безопасность. Форум работает много лет, сейчас он переехал на новый движок, но старые темы и аккаунты мы постарались сохранить максимально аккуратно.

    Форум не связан с магазинами и сервисами – мы ничего не продаём и не даём «рекламу под видом совета». Отвечают обычные участники и модераторы, которые следят за порядком и качеством подсказок.

    Если вы у нас впервые, загляните на страницу о проекте, чтобы узнать больше. Чтобы создавать темы и писать сообщения, сначала зарегистрируйтесь, а затем войдите под своим логином.

    Не знаете, с чего начать? Создайте тему с описанием проблемы – подскажем и при необходимости перенесём её в подходящий раздел.
    Задать вопрос Новые сообщения Как правильно спросить
    Если пришли по ссылке со старого Tehnari.ru – вы на нужном месте, просто продолжайте обсуждение.

Был проигрыватель Радиотехника ЭП-101

Статус
В этой теме нельзя размещать новые ответы.
Выглядит не очень.
пощадил. Это нанесен слой силикона для придания массы и подавления вибраций, это в корне изменило ситуацию, погремушки больше нет. Уже писал, что корректор совсем не главное в проигрывателе, строить их без хорошего механизма с корпусом, провальное дело. Покупать смысла не вижу, вот и шаманю. Есть оцифровки моих схем в старом корпусе и сейчас, стало лучше и совсем другой уровень. Многие схемы отсеялись, пока остановился на одном из вариантов, скоро покажу. Но это предел этого механизма, с этой головой.
 
схема работающего корректора. Питание микроба +- 12вольт.
 

Вложения

  • 0vfin2.GIF
    0vfin2.GIF
    5.7 KB · Просмотры: 36
Проигрыватель отправлен на чердак, с последней версией корректора собранной на макетке, впрочем какая разница, работает. Подогнал свой корректор под оцифрованный винил с ютуба и на этом успокоился. Процедура несложная.
 

Вложения

  • zя3.GIF
    zя3.GIF
    38.4 KB · Просмотры: 61
Обороты двигателя нет желания кварцем стабилизировать?
 
странно, но фотка потрохов проигрывателя и больше ничего, прикрепляю другую.
 

Вложения

  • IMG_20210210_124705.webp
    IMG_20210210_124705.webp
    21.5 KB · Просмотры: 52
Сегодня снова запустил проигрыватель, не без приключений, но все обошлось. Заодно опробовал идейку. Голова подключена 4 проводами + 1 провод земля тонарма. В тонарме протянул еше один провод от земли тонарма до разъема головы... ну еще кое что и жирный плюс... Схемку нарисую.
 
нарисовал схемку, понятную мне...
 

Вложения

  • ZZvx.GIF
    ZZvx.GIF
    8.7 KB · Просмотры: 55
а так даже проще, без костылей, теперь уже ненужных...
 

Вложения

  • ZZvxpr.GIF
    ZZvxpr.GIF
    5.3 KB · Просмотры: 46
Практически нет. Лампочка рулит, проще варианта стабилизации, не бывает. Есть только один момент, при первом включении в сеть, нужно пару минут на стабилизацию. Один раз установленную скорость (ручкой) можно не трогать, она будет стабильна, по стробоскопу, не уплывает. Схема привода двигателя удачна и проста.
 
Практически нет. Лампочка рулит, проще варианта стабилизации, не бывает. Есть только один момент, при первом включении в сеть, нужно пару минут на стабилизацию. Один раз установленную скорость (ручкой) можно не трогать, она будет стабильна, по стробоскопу, не уплывает. Схема привода двигателя удачна и проста.
Понятно. т.е., лампочка участвует в автоматической стабилизации. Я думал, как на первых вегах 003, просто освещает , а регулировка вручную каждый раз
 
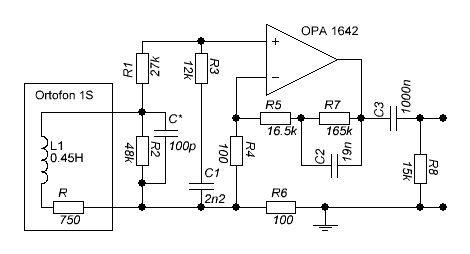
привожу схему актуальную на сегодня. Только там нет кондеров на микробе, по питанию.
 

Вложения

  • rv562021.GIF
    rv562021.GIF
    37.1 KB · Просмотры: 164

Вложения

  • Радиотехника Valeran1952.webp
    Радиотехника Valeran1952.webp
    52.3 KB · Просмотры: 54
Полная схема проигрывателя, условно понятная для автора. нет, схемы стробоскопа, которая замечательно работает, тут в теме, она есть.
 

Вложения

  • rv562021.GIF
    rv562021.GIF
    37 KB · Просмотры: 74
Статус
В этой теме нельзя размещать новые ответы.
Назад
Сверху