• Добро пожаловать на компьютерный форум Tehnari.ru. Здесь разбираемся с проблемами ПК и ноутбуков: Windows, драйверы, «железо», сборка и апгрейд, софт и безопасность. Форум работает много лет, сейчас он переехал на новый движок, но старые темы и аккаунты мы постарались сохранить максимально аккуратно.

    Форум не связан с магазинами и сервисами – мы ничего не продаём и не даём «рекламу под видом совета». Отвечают обычные участники и модераторы, которые следят за порядком и качеством подсказок.

    Если вы у нас впервые, загляните на страницу о проекте, чтобы узнать больше. Чтобы создавать темы и писать сообщения, сначала зарегистрируйтесь, а затем войдите под своим логином.

    Не знаете, с чего начать? Создайте тему с описанием проблемы – подскажем и при необходимости перенесём её в подходящий раздел.
    Задать вопрос Новые сообщения Как правильно спросить
    Если пришли по ссылке со старого Tehnari.ru – вы на нужном месте, просто продолжайте обсуждение.

Часы-пропеллер. Вариант Light

Я СОБРАЛ РАБОТАЕТТТТТТ :tehnari_ru_288::tehnari_ru_288:
 
а и можно в место время на слова за программировать это возможно ???
 
Я СОБРАЛ РАБОТАЕТТТТТТ :tehnari_ru_288::tehnari_ru_288:
А где фотографии устройства чтобы мы тоже могли порадоваться?
а и можно в место время на слова за программировать это возможно ???
Для этого нужна другая программа.
 
фотки попозже закину еще каркас надо сделать а че за программа ? или прошивка ?
 
Для вывода другой информации понадобится другая прошивка.
 
а какой программой можно открыть файл с прошивкой
 
Программой-программатором.
 
01116817.webp

Валерий не мог бы ты описать принцип работы вращавшей платы:tehnari_ru_837:
 
какай ток будет во 2 катушки перемены ? да ? и мы потом его выпрямляем диодным мостом ? ДА ответе а то :tehnari_ru_281:я запутался
 
а есть у кого нибудь прошивка на 24 часа АА??
 
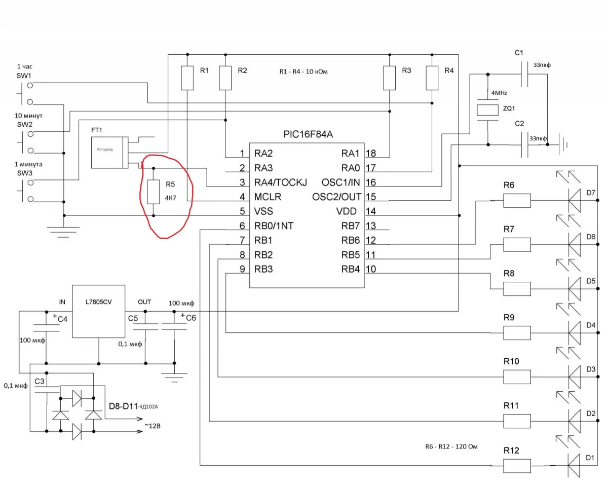
подскажите за чем нужен это резистор не могу понять
проста мне надо всю схему описать
000.webp
 
Резистор нужен для подтягивания шины данных к плюсу питания. Это требуется для запуска температурного датчика.
 
Валерий не мог бы ты описать принцип работы вращающей платы очень надо
пожалуйста а то я не врубаюсь :tehnari_ru_325:
 
Нет, это ты уж как нибудь сам для своей курсовой постарайся. :)
Мои курсовые уже давно закончились...
 
А где фотографии?
 
Валерий, может и не по теме вопрос...но где Вы на юноне берете листовую латунь???
 
На "Юноне" её мало. Я покупаю на металлобазе "Севзапметалл".
 
Назад
Сверху