Смотрите видео ниже, чтобы узнать, как установить наш сайт в качестве веб-приложения на домашнем экране.
Примечание: Эта возможность может быть недоступна в некоторых браузерах.
Добро пожаловать на компьютерный форум Tehnari.ru. Здесь разбираемся с проблемами ПК и ноутбуков: Windows, драйверы, «железо», сборка и апгрейд, софт и безопасность. Форум работает много лет, сейчас он переехал на новый движок, но старые темы и аккаунты мы постарались сохранить максимально аккуратно.
Форум не связан с магазинами и сервисами – мы ничего не продаём и не даём «рекламу под видом совета». Отвечают обычные участники и модераторы, которые следят за порядком и качеством подсказок.
Если вы у нас впервые, загляните на страницу о проекте, чтобы узнать больше. Чтобы создавать темы и писать сообщения, сначала зарегистрируйтесь, а затем войдите под своим логином.
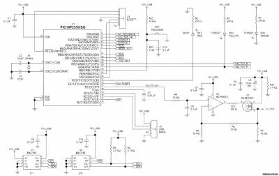
Нет, загоряться только с исправной прошивкой. А проверить прошивку можно подключив микроконтроллер к программатору и в программе нажав "Читать микросхему".Вы умеете подбодрить - спасибо.
Контакты замкнул ничего не произошло.
Проверил напряжение на светодиодах с микросхемы на каждом диоде 2,4в
вторая нога светодиода подключена к +5в - светодиоды молчат (как они должны загореться?)
А они загорятся несмотря на прошивку или только с ней?
(наверное надо перепрошить по новой?)
Значит где-то ещё баги. Попробуй заменить микросхему ЛН2. Надеюсь, что она у тебя на панельке.Валерий, я выпаял защитный диод и проверил полевой транзистор, в общем всё также.
Ну в общем нажал читать микросхему - судя потому что показывает одни нули она пуста.А проверить прошивку можно подключив микроконтроллер к программатору и в программе нажав "Читать микросхему".


Ну хорошо попробую еще с бубном по плясать, духов по вызывать - может помогутА у меня она тоже прошивалась через пень-колода. Раза с пятого нормально прошил. Длина проводов в пределах полуметра особой роли не играет.
вот это меня настораживает! Магазин от меня далеко и и попасть туда мне ещё долго не светит.И ещё у меня из двух микросхем прошилась только одна, а вторую, как ни плясал с бубном, прошить не удалось. При чтенни были все нули. И это при том, что обе микросхемы были новыми из магазина.
После часа перепрошивок результат не изменился.А у меня она тоже прошивалась через пень-колода. Раза с пятого нормально прошил.
На всякий пожарный укоротил до 5см - безрезультатно.Длина проводов в пределах полуметра особой роли не играет.
Моя тоже новая от этого ещё обиднее (да ещё и до магазина 150км - крантец)обе микросхемы были новыми из магазина.
ну если опробованный то давайте посмотрю может наскребу деталей.Дред если интересно могу дать схему другого программатора....попробуете!
А у меня первый блин комом (да все бы ничего еслиб радиорынок был бы по ближе)Я с этим программатором в первый раз удачно прошил PIC-контроллер
Я тут много где видел вот такой программатор "PICkit2" - что за зверь такой?до этого кучу схем перепробовал
А фиг его знает, что это. Я не пробовал его делать.Я тут много где видел вот такой программатор "PICkit2" - что за зверь такой?
печатки ещё не встречал нигде но схему вроде видал - надо покопаться (а стоит ли?)
Посмотреть вложение печатка и прошивка.zipО этот вариант по проще.PICkit2-Lite у меня есть схема...и печатка и статья...
А вот это уже ирония.НО проблема в том что в схеме применяется программатор, получается замкнутой круг....
Спасибо - завтра попробую поискать детальки - может и получится что нибудь.Дред держите схему просто программатора для пика...