• Добро пожаловать на компьютерный форум Tehnari.ru. Здесь разбираемся с проблемами ПК и ноутбуков: Windows, драйверы, «железо», сборка и апгрейд, софт и безопасность. Форум работает много лет, сейчас он переехал на новый движок, но старые темы и аккаунты мы постарались сохранить максимально аккуратно.

    Форум не связан с магазинами и сервисами – мы ничего не продаём и не даём «рекламу под видом совета». Отвечают обычные участники и модераторы, которые следят за порядком и качеством подсказок.

    Если вы у нас впервые, загляните на страницу о форуме и правила – там коротко описано, как задать вопрос так, чтобы быстро получить ответ. Чтобы создавать темы и писать сообщения, сначала зарегистрируйтесь, а затем войдите под своим логином.

    Не знаете, с чего начать? Создайте тему с описанием проблемы – подскажем и при необходимости перенесём её в подходящий раздел.
    Задать вопрос Новые сообщения Как правильно спросить
    Если пришли по старой ссылке со старого Tehnari.ru – вы на нужном месте, просто продолжайте обсуждение.

Двухканальный блок питания на LM2576HVT-ADJ

  • Автор темы Автор темы DTS
  • Дата начала Дата начала
И ещё вопрпос: если вместо трансформатора взять ИБП, то выскакивает противоречие-на выходе ибп нежелательно ставить большую емкость (если я всё правильно понял, не более 1000мкф), а на входе блока с 2576 желательно ("минимум 1000мкф на каждый 1А"). Как найти компромисс?
 
И ещё вопрпос: если вместо трансформатора взять ИБП, то выскакивает противоречие-на выходе ибп нежелательно ставить большую емкость (если я всё правильно понял, не более 1000мкф), а на входе блока с 2576 желательно ("минимум 1000мкф на каждый 1А"). Как найти компромисс?

Ставь 1шт 1000мкф с низким ЭПС в импульсник и не парься, ведь разница между импульсником и обычным сетевым трансформатором колоссальная, большая ёмкость призвана снизить пульсации , то есть провалы когда ток не течёт, так вот в импульснике с этим в сотни/тысячи таз всё проще. Лучше по входу самого импульсника поставь конденсатор пожирнее, к примеру не 220мкф, а 330 или 470мкф. так толку будет гораздо больше.
 
Извините, что не совсем в тему вопрос, но дабы не заводить новую: установил 6ю версию sprint-layout и теперь очень жалею. 5я мне нравилась больше или я новую готовить не умею. Короче, когда веду линию, она ведёт себя как ей вздумается-создает изгибы и узлы там, где не надо, не позволяет добавить узел. Т.е., если надо продолжить линию, то надо выполнить команду "соединить линию", предварительно нарисовав новую. Жуть какая-то. Может это лечится?
 
Шаманил, плясал с бубном, правда траву не курил. На фото видна разница между 5й _слева) и 6й версиями - на пятой можно добавить узел, на 6й - нет. И узлы на линиях 6я лепит, где ей вздумается и у меня не спрашивает. Может у меня кривая версия? Поищу другую, если не поможет, снесу нафиг
 

Вложения

  • IMG_20180819_091525.webp
    IMG_20180819_091525.webp
    33 KB · Просмотры: 88
  • IMG_20180819_211655.webp
    IMG_20180819_211655.webp
    65.6 KB · Просмотры: 55
Не нужно ничего удалять, это всё настраивается! :) Выберите «нарисовать проводник», рисуйте любой и в любом месте. Сделайте угол, и в этот момент, не отрывая палец от левой кнопки мыши, нажимайте пробел несколько раз. Это переключает разные способы рисования проводника, с поворотами 90°, 45°, без поворотов, и обратный изгиб 90°, и 45°. И скоро обязательно привыкнете. Мне после шестой версии на пятую теперь смотреть неохота. :) А первое время шестая меня раздражала точно так же
 
Всем привет! С неработающими регулировками в одном канале разобрался, но вот светодиод горит постоянно. Включил блок питания - и он светит, с нагрузкой, без нагрузки, независимо от положений регуляторов. Увеличивал R10 вплоть до 100к, всё равно светит зараза. Как заставить его работать как надо?
 
Проверить правильно ли впаян транзистор Q1. А то мало ли, вдруг на пп незаметная ошибочка..
 
Всем привет! С неработающими регулировками в одном канале разобрался, но вот светодиод горит постоянно. Включил блок питания - и он светит, с нагрузкой, без нагрузки, независимо от положений регуляторов. Увеличивал R10 вплоть до 100к, всё равно светит зараза. Как заставить его работать как надо?

Смотри по схеме, на ПП нужно ноги повернуть.
 
Да, спасибо, уже увидел. Как-то даже не сверял цоколёвку транзистора, доверился подписям на плате) заменил транзистор (чтоб не крутить ноги), работает отлично. Теперь осталось собрать всё воедино, сборка уже завершена на процентов 70.
 
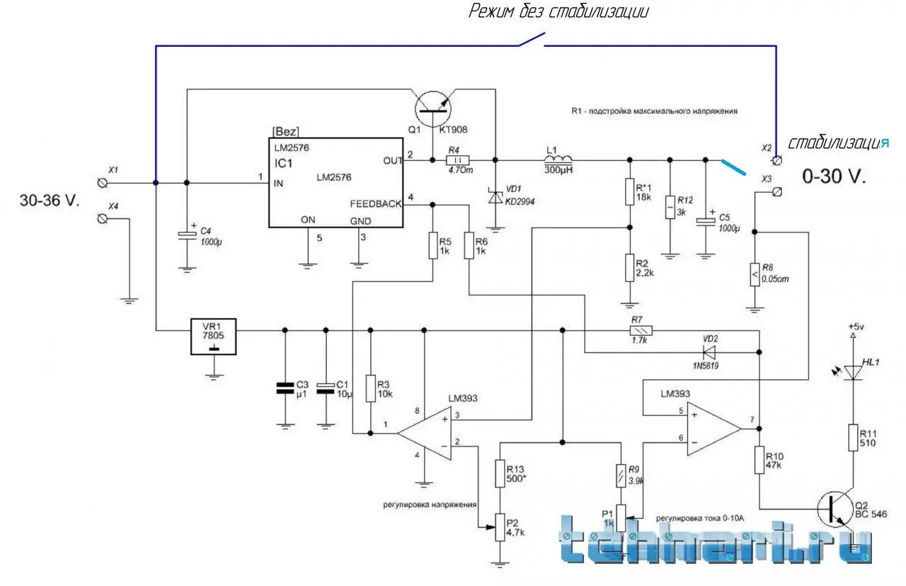
А почему VD2 -диод шоттки? Тут он зачем? По-моему можно и КД522 ставить, а если надо малое падение, то Д2 или Д9:)
 
Уважаемые, есть вопрос. Собрал по
Но добавил возможность отключения стабилизации (схему прилагаю), так вот после включения БП в таком режиме оба канала приказали долго жить. До того, на столе (в штатном режиме, без изменений в схеме), всё работало как положено. Вопрос: БП вышел из строя из-за замыкания входа на выход, или где-то монтаж смотреть?
 

Вложения

  • Фрагмент.webp
    Фрагмент.webp
    32.8 KB · Просмотры: 739
тебе 4й ноги было мало? и вообще если так обходить то на центральный контакт тумблера выходная клемма, а на боковые выход с стабилизатора либо вход, так бы работало без проблем.
 

Вложения

  • Фрагмент.webp
    Фрагмент.webp
    35.3 KB · Просмотры: 352
Последнее редактирование:
Уже переделываю печатку, поставлю релюху прямо на плату
 
Переделал печатку, сразу собрал, заработало как положено, оба канала работают. Если кому нужна печатка с переключением режима "стабилизация/без стабилищации", она в архиве под постом (выбрать внизу "Новая плата").
Но вот есть ньюанс в случае попытки использовать ЛБП в качестве двухплярного блока питания. Если соединить выход одного канала с землёй другого, загорается лампа на 25Вт в первичке (ЛБП без нагрузки). Думаю виной всему трансформатор, у которого вместо двух отдельных обмоток, одна обмотка с отводом от середины, соответсвенно земли каналов уже соединены. Нужно теперь искать транс с двумя отдельными обмотками по 30В.
 

Вложения

  • БП-ЛМ2576+ТР.zip
    БП-ЛМ2576+ТР.zip
    52.3 KB · Просмотры: 186
  • IMG_20180909_163510147.webp
    IMG_20180909_163510147.webp
    75.1 KB · Просмотры: 169
  • IMG_20180909_163529137.webp
    IMG_20180909_163529137.webp
    62.9 KB · Просмотры: 262
  • IMG_20181007_200428120.webp
    IMG_20181007_200428120.webp
    132.5 KB · Просмотры: 171
  • IMG_20181007_200435043.webp
    IMG_20181007_200435043.webp
    85.2 KB · Просмотры: 335
  • IMG_20181007_200440644.webp
    IMG_20181007_200440644.webp
    84.7 KB · Просмотры: 312
Назад
Сверху