• Добро пожаловать на компьютерный форум Tehnari.ru. Здесь разбираемся с проблемами ПК и ноутбуков: Windows, драйверы, «железо», сборка и апгрейд, софт и безопасность. Форум работает много лет, сейчас он переехал на новый движок, но старые темы и аккаунты мы постарались сохранить максимально аккуратно.

    Форум не связан с магазинами и сервисами – мы ничего не продаём и не даём «рекламу под видом совета». Отвечают обычные участники и модераторы, которые следят за порядком и качеством подсказок.

    Если вы у нас впервые, загляните на страницу о форуме и правила – там коротко описано, как задать вопрос так, чтобы быстро получить ответ. Чтобы создавать темы и писать сообщения, сначала зарегистрируйтесь, а затем войдите под своим логином.

    Не знаете, с чего начать? Создайте тему с описанием проблемы – подскажем и при необходимости перенесём её в подходящий раздел.
    Задать вопрос Новые сообщения Как правильно спросить
    Если пришли по старой ссылке со старого Tehnari.ru – вы на нужном месте, просто продолжайте обсуждение.

Фильтр низких частот

  • Автор темы Автор темы TSKos
  • Дата начала Дата начала
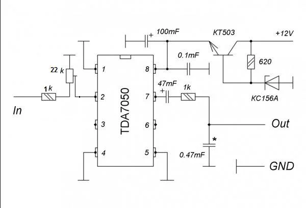
значит можно и Без TDA 7050 нужн резистор на 1Ком (обязательно ли мошьностью 0.125вт?) и конденсатор - так как один канал
 
ТДА-шка - это предварительный усилитель, без неё на резисторах сигнал хорошо просядет.
 
так? а на сильно просядет?-это в смысле слышно не будет?
 

Вложения

  • 4.webp
    4.webp
    3.4 KB · Просмотры: 1,128
а если резистор меньше брать? почему именно 1 кОМ?
 
1) (насчёт просядет) - будет тихо
2) если использовать другой резистор, то уплывут характеристики фильтра. Как минимум (для совсем не требовательных слушателей) - конденсатор тоже надо будет пересчитывать. А ещё (так как изменять сопротивление имеет смысл только в сторону уменьшения) появится паразитная связь между левым и правым каналами.
3) если исключить TDA, то появится зависимость характеристик фильтра от источника сигнала и соединительных проводов.

Эта схема и так проста, упрощать её не стОит...
 
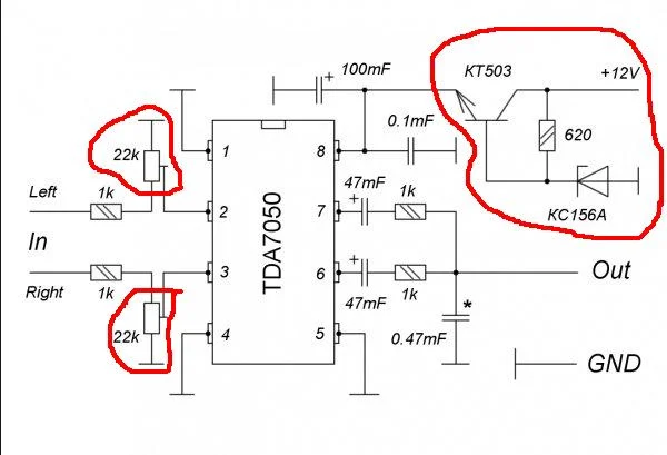
А можно без этого? и вообще что это?
 

Вложения

  • 444.webp
    444.webp
    21.7 KB · Просмотры: 1,415
Убрав подстроечники (слева), Вы лишите себя возможности регулировать уровень сигнала на саб.
Справа Вы обвели стабилизатор питания. Микросхема питается стабилизированным напряжением, максимум для неё - 6 вольт.
 
аесли у меня один канал так можно?
 

Вложения

  • 444.webp
    444.webp
    12.5 KB · Просмотры: 676
Можно. просто пол-микросхемы работать не будет...
 
а питание через крен можно подключить там вроде 5 вольт или будет раздница в звучаниии?
 
так будет? а как крен (7805) подключать или какой на 5 вольт?
 

Вложения

  • Filtr_Sab_Bass.webp
    Filtr_Sab_Bass.webp
    8.9 KB · Просмотры: 11,822
Опять упрощать пытаетесь... Верните конденсаторы на восьмую ногу... :)
КРЕН подключать, согласно DataSheet - смотря, какой стабилизатор, кто изготовитель, в каком корпусе.
 
Можно, вместо стабилизатора на транзисторе, хотя проще параметрического
стабилизатора не бывает, кстати есть кренки на 6В ... :)
 
Который на изначальной схеме.
 
а разве на кренке сложнее?
 
и вообще будет ли чувствоваться разница? на усилке который выдаёт 25 ватт
 
Есть лишняя КРЕНка - делай на КРЕНке. С точки зрения монтажа - проще.
будет ли чувствоваться разница?
Между чем и чем?
 
Назад
Сверху