• Добро пожаловать на компьютерный форум Tehnari.ru. Здесь разбираемся с проблемами ПК и ноутбуков: Windows, драйверы, «железо», сборка и апгрейд, софт и безопасность. Форум работает много лет, сейчас он переехал на новый движок, но старые темы и аккаунты мы постарались сохранить максимально аккуратно.

    Форум не связан с магазинами и сервисами – мы ничего не продаём и не даём «рекламу под видом совета». Отвечают обычные участники и модераторы, которые следят за порядком и качеством подсказок.

    Если вы у нас впервые, загляните на страницу о проекте, чтобы узнать больше. Чтобы создавать темы и писать сообщения, сначала зарегистрируйтесь, а затем войдите под своим логином.

    Не знаете, с чего начать? Создайте тему с описанием проблемы – подскажем и при необходимости перенесём её в подходящий раздел.
    Задать вопрос Новые сообщения Как правильно спросить
    Если пришли по ссылке со старого Tehnari.ru – вы на нужном месте, просто продолжайте обсуждение.

ИБП для шуруповёрта

  • Автор темы Автор темы DTS
  • Дата начала Дата начала
Она из двух частей снизу и сверху, верхнюю по любому сматывать.
блок питания АТХ пока не нашёл, но вот есть такой
по наружи высота(от проводов на фото)35мм ширина 40мм и толщина 11 мм, такой подойдёт?
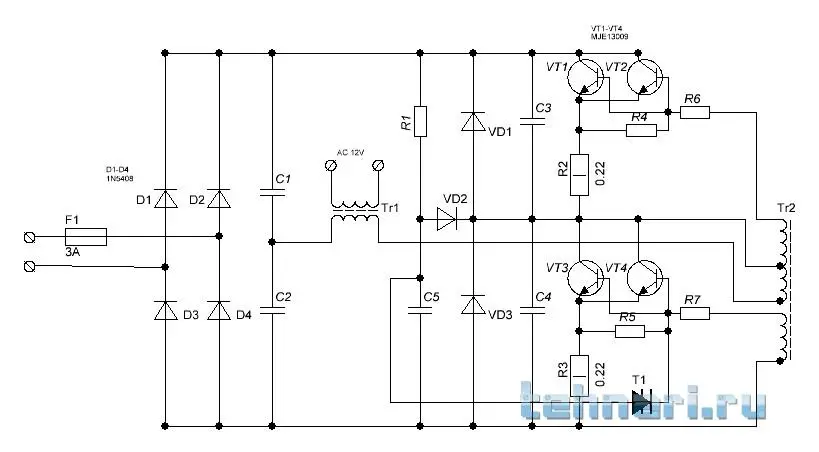
И еще, можно в этой схеме использовать транзисторы mje 13009?
 
Вот фото, к предыдущему посту
 

Вложения

  • IMG_20180312_213859.webp
    IMG_20180312_213859.webp
    75.7 KB · Просмотры: 237
И еще, можно в этой схеме использовать транзисторы mje 13009?
Нельзя. Схема рассчитана на полевики, а mje1300 это биполярный.
Для того, что бы поставить mje1300 нужно организовать управление базой, а ток базы до 3А. Обычно высоковольтные биполярники имеют малый к ус по току, есть даже 4, редко больше 10. Такая переделка не целесообразна.
 
А можно переделать этот трансформатор? в частности перемотать трансформатор на напряжение 18 в. проводом потолще, только может не влезть, хотя на нём сейчас намотано косичкой, а если намотать шлейфом
 
А можно переделать этот трансформатор? в частности перемотать трансформатор на напряжение 18 в. проводом потолще, только может не влезть, хотя на нём сейчас намотано косичкой, а если намотать шлейфом
Можно попробовать.
Есть родственная тема. Такой же БП, с защитой, что важно, не боится КЗ на выходе. . Тут применяются кольца. На кольцах выше КПД, да и остальные параметры лучше.
http://www.tehnari.ru/f119/t85937/
 
Тут применяются кольца. На кольцах выше КПД
А какое кольцо тогда надо на мощность ватт 500 ?
с моего транса ничего не получиться?
Чем хуже схема блока который я выложил за схему на IR2153? (с електроникой на вы, прошу сильно не ругать)
 
А какое кольцо тогда надо на мощность ватт 500 ?
с моего транса ничего не получиться?
Чем хуже схема блока который я выложил за схему на IR2153? (с електроникой на вы, прошу сильно не ругать)

Получится, только на кольцах будет лучше. Я всегда предпочитаю кольца.
Одно кольцо К40*20*11 вполне даст 400 ватт. И где Ваша схема? Сделайте ссылку.
 
Тут трудно согласовывать 2 трансформатора. Чуть что не так. сгорают ключи. Делали с товарищем подобное. Это только при отлаженной технологии будет получаться. Тут ТР2 типа трансформатора тока. Ток в базу пропорционален току нагрузки. Нужно сильно точно согласовывать два трансформатора. Я бы такую схему не делал, точнее похожую схем на таком принципе делал, больше не хочу.
 
Какие в схеме номиналы элементов ?
не знаю, нужно перемерить, в инете пока не нашол, но по ходу и не буду искать, лучше сделаю на IR2153, я и планировал на ней делать, за схему написал потому что есть такая и подумал может она тоже неплохая,
Вообще то хочу использовать трансформатор от неё.
 
Кто что скажет по поводу IR 2161? ведь там и защита есть от КЗ, если на основе неё сделать этот ИБП?
 
Она намного дороже от 2153
 
Собрал схему из 7-го поста. Трансформатор от БП компа перемотаный по данным уважаемого DTS
Ш-образный 33,0/24,0/12,7 в самый раз, первичка 40витков (20+20) , в один провод 0.68
вторичка 4+4 витка в 4 жилки 0.68 , в холостую будет в районе 13В - что является нормой...
Сначала первичка 20 витков, потом вторичка 4+4, далее закончил первичку 20 витков. На выходе без нагрузки 17.5 В. Это нормпльно, или нет (нужно для боша на 12 В)?. Если напруги много, то домотать или отмотать вторую половину первички ?
 
Собрал схему из 7-го поста. Трансформатор от БП компа перемотаный по данным уважаемого DTS

Сначала первичка 20 витков, потом вторичка 4+4, далее закончил первичку 20 витков. На выходе без нагрузки 17.5 В. Это нормпльно, или нет (нужно для боша на 12 В)?. Если напруги много, то домотать или отмотать вторую половину первички ?

оставь как есть, под нагрузкой просядет до желаемого уровня, ты ведь без нагрузки замеры проводил, вот до иголок и зарядилась ёмкость, повесь лампочку на 12В с габаритов или поворотов и тогда меряй.
 
оставь как есть, под нагрузкой просядет до желаемого уровня, ты ведь без нагрузки замеры проводил, вот до иголок и зарядилась ёмкость, повесь лампочку на 12В с габаритов или поворотов и тогда меряй.

Спасибо. Сделаю и отпишусь.
 
Разобрал транс, измерил размеры, получаеться 40\30\12 помогите росщитать обмотки на 18 вольтовый шуруповерт,
хотелось бы ампер 30,
Буду очень презнателен
 
Всем привет. Подскажите пожалуйста, если я со схемы удалю входные С1 и дросель Тр1, сопротивление 100 Ом и конд 500пФ , кокорые включены паралельно перичке-это сильно повлияет на работоспособность схемы ? А то у меня шурик Бош на 12В и у него блок акум очень маленький.
 

Вложения

  • 1221.webp
    1221.webp
    16.3 KB · Просмотры: 445
Конденсатор С1 и дроссель , они нужны, для того, что бы помеха в сеть не шла. Без них может работать, можно поставить ферритовую бусину, примерно такую, как ставят к примеру на кабеле между компьютером и монитором, такая балабуха. Она и будет так работать, как дроссель, и ее можно поставить на питающий шнур. А С1 я вообще не ставлю, ИМХО не нужен он.
А вот сопротивление 100ом и конденсатор 500 пик, это снаббер : Его функция, их две: первая- во время закрывания снижает динамические потери, и вторая задача, на этом резисторе гасятся паразитные колебания. Ведь есть межвитковая емкость, первичка уже индуктивность, вот и колебательный контур. Т.е. без снаббера падает стабильность (растет, к примеру напряжение ХХ), и падает стабильность.

Можно , конечно попробовать их убрать, но упадет надежность и стабильность.
 

Похожие темы

Назад
Сверху