Смотрите видео ниже, чтобы узнать, как установить наш сайт в качестве веб-приложения на домашнем экране.
Примечание: Эта возможность может быть недоступна в некоторых браузерах.
Добро пожаловать на компьютерный форум Tehnari.ru. Здесь разбираемся с проблемами ПК и ноутбуков: Windows, драйверы, «железо», сборка и апгрейд, софт и безопасность. Форум работает много лет, сейчас он переехал на новый движок, но старые темы и аккаунты мы постарались сохранить максимально аккуратно.
Форум не связан с магазинами и сервисами – мы ничего не продаём и не даём «рекламу под видом совета». Отвечают обычные участники и модераторы, которые следят за порядком и качеством подсказок.
Если вы у нас впервые, загляните на страницу о проекте, чтобы узнать больше. Чтобы создавать темы и писать сообщения, сначала зарегистрируйтесь, а затем войдите под своим логином.

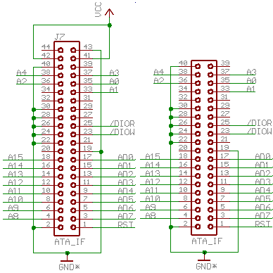
Ну я пока туда по печатке тоже землю развел а перед подключением чето призадумалсяпо-моему туда нать граунд, потому как ата.. (лог.0)
Сам себя еле переборол чтобы развестиСпасибо, а то мне самому лень искать инфу и разводить
О! Главный стимул!интересно
Пробовал и так и так (разрезал дорожку канцелярским ножом) результата нета с отключением\подключением 44?
да у меня уже глаза болят рассматривать распиновки - вроде все правильно.да и пинаутс об том же говорит
нет не подключен.а привод подключен? не он мешает?
а я подумываю купить новый винтя кстати для этих же целей поставил cf/ide переходник с карточкой..