• Добро пожаловать на компьютерный форум Tehnari.ru. Здесь разбираемся с проблемами ПК и ноутбуков: Windows, драйверы, «железо», сборка и апгрейд, софт и безопасность. Форум работает много лет, сейчас он переехал на новый движок, но старые темы и аккаунты мы постарались сохранить максимально аккуратно.

    Форум не связан с магазинами и сервисами – мы ничего не продаём и не даём «рекламу под видом совета». Отвечают обычные участники и модераторы, которые следят за порядком и качеством подсказок.

    Если вы у нас впервые, загляните на страницу о проекте, чтобы узнать больше. Чтобы создавать темы и писать сообщения, сначала зарегистрируйтесь, а затем войдите под своим логином.

    Не знаете, с чего начать? Создайте тему с описанием проблемы – подскажем и при необходимости перенесём её в подходящий раздел.
    Задать вопрос Новые сообщения Как правильно спросить
    Если пришли по ссылке со старого Tehnari.ru – вы на нужном месте, просто продолжайте обсуждение.

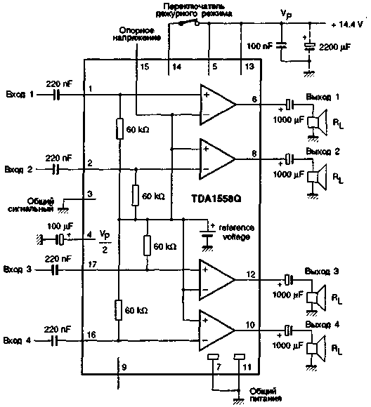
Нужна схема усидителя на TDA

clannfear наговорил ты много но половина слов я не понимаю!!!!
чот вы господин противоречите себе, в 1 посте написали посложнее, а таких простых вещей не понимаете...
 
ну если схему дадите я по схеме ...пойму я так нет!!
 
dron слушай как соединить говориш 4 колонки на одну tda и на 2??
 
заходиш на сайт alldatasheet.com, пишешь в поиске tda2030 и смотриш по этой микре всю инфу и что можно из нее соорудить...
 
ну на 2 тдашки 4 колонки тут просто сигнал раздваиваешь(можно сразу штекер купить можно провод распаять на 2).
а если 4 динамика на одну то включение из будет не в мостовом режиме а в обычном(щас схему поищу я вроде сохранял у себя...).
 

Вложения

  • um44.gif
    um44.gif
    9.8 KB · Просмотры: 6,095
слушай здесь написано 14.4 В если 12 поключу норм будет?
 
слушай какие конденсаторы ставить на колонках 1000mf а вольт??? 12??
 
в микре четыре независимых усилителя,два с обычным включением и два с инвертирующим,по этому и можно включать усилитель как стерео(два усилителя работают на один динамик-мостовое включение)так и квадро-где каждый усилитель нагружен на свой динамик и ему на вход подаётся свой сигнал

в случае использования квадро-разделительный конденсатор нужно выбирать от 1000мкф и на напряжение в ПОЛТОРА РАЗА БОЛЬШЕ напряжения питания
 
слушай а вот на этой схеме с 4 динами......... как подключать музыку.........
тут я вижу 1,2,3,16,17 как к компу это поключить какие контакты пк, лк, общий????
 
слушай а вот на этой схеме с 4 динами......... как подключать музыку.........
тут я вижу 1,2,3,16,17 как к компу это поключить какие контакты пк, лк, общий????
Ты же говоришь схемы понимаешь!:) 1,2; 16,17-правый,левый;правый,левый. 3- общий
 
типо вместе скручивать???
 
15 и 9 ногу вообще не трогать???
 
спасибо!
 
Назад
Сверху