• Добро пожаловать на компьютерный форум Tehnari.ru. Здесь разбираемся с проблемами ПК и ноутбуков: Windows, драйверы, «железо», сборка и апгрейд, софт и безопасность. Форум работает много лет, сейчас он переехал на новый движок, но старые темы и аккаунты мы постарались сохранить максимально аккуратно.

    Форум не связан с магазинами и сервисами – мы ничего не продаём и не даём «рекламу под видом совета». Отвечают обычные участники и модераторы, которые следят за порядком и качеством подсказок.

    Если вы у нас впервые, загляните на страницу о проекте, чтобы узнать больше. Чтобы создавать темы и писать сообщения, сначала зарегистрируйтесь, а затем войдите под своим логином.

    Не знаете, с чего начать? Создайте тему с описанием проблемы – подскажем и при необходимости перенесём её в подходящий раздел.
    Задать вопрос Новые сообщения Как правильно спросить
    Если пришли по ссылке со старого Tehnari.ru – вы на нужном месте, просто продолжайте обсуждение.

Первый мой ламповый УНЧ на 6Н2П и 6П14П

напряжение падает до 0.33в
 
народ в чем проблема подключал только накал 6,8вольт 0,5А а лампы не горят подключал 4 штуки
А справочные данные на лампы посмотреть?.. Для питания накала четырёх ламп нужен ток более ДВУХ ампер!
 
А кто мешает их все послушать? Цоколевка-то у них одинаковая.
Стоп, стоп, СТОП!!! Аккуратнее, господа радиолюбители!!! Цоколевка одинаковая ТОЛЬКО у 6Н1П и 6Н2П - у остальных она другая! Внимательнее, пожалуйста!
 
сейчас подключал от тв-3ш загорелись все но еле еле)))
 
сейчас подключал от тв-3ш загорелись все но еле еле)))
Денис, раздобудьте трансформатор типа ТАН и не майтесь дурью! Либо из какой-нибудь ламповой аппаратуры выдерите. Иначе толку не будет.
 
я знаю я так проста попробовать как бцдут светиться
 
Цоколевка одинаковая ТОЛЬКО у 6Н1П и 6Н2П - у остальных она другая!
А 6н23п разве сюда не вписывается? Все три перечисленные в вопросе лампы отличаются внутренним сопротивлением и Кус. Цоколевка у них одинаковая. А вот у 6н3п, 6н14п и прочих действительно другая.
 
А 6н23п разве сюда не вписывается?
Да, поправка принимается. Но главное - схема на 6Н3П при замене на любую из трех перечисленных ламп требует коррекции распайки.
 
Поддерживаю Vladimir_S! Ведь есть же ТС-270! Вот к нему и подключай, а то либо транс спалишь, либо лампы. Для пробы пойдет, ТС-270 пару таких усилков потянет. А уж если габариты не нравятся, то потом найдешь что-нибудь от совковых ламповиков. Или, как вариант, блок питания отдельным боксом можно сделать....
 
Тс-270 слишком сильно гудит д и мотать только для проверки неохота.найду чуть позже другой
 
А кто мешает их все послушать? Цоколевка-то у них одинаковая. По личному вкусу, например, для "чистой" гитары больше нравится 6н23п, для "перегруженной" 6н2п, а 6н1п больше нравится в УНЧ для прослушивания музыки. Послушайте и выберете сами. На вкус и цвет, сами знаете, фломастеры разные.

У всех трех ламп? Спасибо за совет)))

только накал 6,8вольт 0,5А

6.8 вольт многовато, нужно не больше 6.3 - это переменки. А постоянки по идее чуть меньше надо (5.8-6.0). Или я неправ?

Тьфу, блин, со второй страницы ответил(((

Стоп, стоп, СТОП!!! Аккуратнее, господа радиолюбители!!! Цоколевка одинаковая ТОЛЬКО у 6Н1П и 6Н2П - у остальных она другая! Внимательнее, пожалуйста!

Хоть эти проверю)

Да, поправка принимается. Но главное - схема на 6Н3П при замене на любую из трех перечисленных ламп требует коррекции распайки.

Ну это естественно...
 
так напряжение немного проседает и получается как раз я питал 6,8 переменкой
 
Вот что я тебе предложил:)
 

Вложения

установил выходный трансформтаоры тперь жду силовой транс от радиолы кантата
 
народ а индикатор ставить на вход усилителя или на выход?
 

Вложения

  • ind.gif
    ind.gif
    3.6 KB · Просмотры: 1,145
На выход конечно
 
спасибо....
 
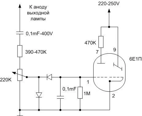
Как то так
 

Вложения

  • 6е1п.webp
    6е1п.webp
    10.5 KB · Просмотры: 1,446
Назад
Сверху