• Добро пожаловать на компьютерный форум Tehnari.ru. Здесь разбираемся с проблемами ПК и ноутбуков: Windows, драйверы, «железо», сборка и апгрейд, софт и безопасность. Форум работает много лет, сейчас он переехал на новый движок, но старые темы и аккаунты мы постарались сохранить максимально аккуратно.

    Форум не связан с магазинами и сервисами – мы ничего не продаём и не даём «рекламу под видом совета». Отвечают обычные участники и модераторы, которые следят за порядком и качеством подсказок.

    Если вы у нас впервые, загляните на страницу о форуме и правила – там коротко описано, как задать вопрос так, чтобы быстро получить ответ. Чтобы создавать темы и писать сообщения, сначала зарегистрируйтесь, а затем войдите под своим логином.

    Не знаете, с чего начать? Создайте тему с описанием проблемы – подскажем и при необходимости перенесём её в подходящий раздел.
    Задать вопрос Новые сообщения Как правильно спросить
    Если пришли по старой ссылке со старого Tehnari.ru – вы на нужном месте, просто продолжайте обсуждение.

Преобразователь для TDA7294

  • Автор темы Автор темы TSKos
  • Дата начала Дата начала
а между транзисторами кз нет через радиатор? поробуй без нагрузки и без радиатора(у меня преобразователь на ТЛ494 и ирфы без радиатора пока, если крепить транзисторы на радиатор без прокладок то греются страшно за сек 2-3 дальше не проверял, вот думаю для каждого отдельный радиатор сделать)
 
Кз между стоками мосфетов нет, они изолированны от радиатора. Нагрев как бы черт с ним (пока) почему такая не симметрия в плечах в 3 раза.
 
Отпаял VD2, нагрев, при тех же условиях прекратился.. Оо
Перекос:
без нагрузки: +60 -25
с нагрузкой +15.6 -25
что за ерунда..
 
купил еще одну микросхему для проверки. На вид они отличаются, и работают как-то по разному.
Та что "1", куплена сегодня, и она наотрез отказывается работать (т.е. напряжения на выходе преобразователя нет) пока не поставишь диод м-ду 1 и 8 ножкой.
Микросхема "2" с этим же работает, но нагреваются очень быстро (без диода работает, мосфеты не греются).
Перекос напряжений во всех случаях присутствует.

Никто не знает в чем может крыться причина такого поведения?
 
Прошу прощения, но редактировать свои сообщения почему-то не получается:(
Вот фото Ir'ок
 

Вложения

  • IMAG0055.webp
    IMAG0055.webp
    11.8 KB · Просмотры: 101
почему печатная плата отличается от авторской?
 
купил еще одну микросхему для проверки. На вид они отличаются, и работают как-то по разному.
Та что "1", куплена сегодня, и она наотрез отказывается работать (т.е. напряжения на выходе преобразователя нет) пока не поставишь диод м-ду 1 и 8 ножкой.
Микросхема "2" с этим же работает, но нагреваются очень быстро (без диода работает, мосфеты не греются).
Перекос напряжений во всех случаях присутствует.

Никто не знает в чем может крыться причина такого поведения?
Какой диод между 1 и 8?
А еще лучше выложи свою печатку в формате layout с подписями всех деталюх какие ты впаивал в плату.
По той плате что на фото нихрена не поймешь. Та и монтаж ужасный, с таким монтажом и машина сгорит.
 
Никто не знает в чем может крыться причина такого поведения?
Узнает первым тот, кто увидит формы напряжений(токов) в Вашем изделии.
Выклывайте рисунок своей печатки.


пока не поставишь диод м-ду 1 и 8 ножкой.
Нечего ему там делать, просто перемычку и всё.
 
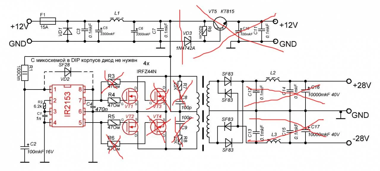
Выбрасывай все перечеркнутое.
1. Транзистор с его обвязкой вообще не нужен.
2. Снабберные цепочки с такими номиналами бесполезны абсолютно.
3. Снижай частоту хоть до 70 кГц
4. Для твоей мощности и одной пары транзисторов хватит.
 

Вложения

  • 1.webp
    1.webp
    70.7 KB · Просмотры: 667
А какой дурак ставит конденсаторы перед выходным дросселем?
А за компанию перечеркнул все, так вдруг какой кондер кривой, а для запуска можно пока и без них
 
Прошу прощения, плохое слово было сказано не в адрес автора конкретной схемы. Имелось в виду -в общем.
 
На схеме есть еще одна ошибка. Диод не нужен для микросхем с литерой Д в конце, например ИР2153Д. Тип корпуса к диоду никакого отношения не имеет. В данном случае вместо диода лучше поставить перемычку, так как верхний драйвер постоянно привязан к "земле".
 
По диоду, замечание существенное.
Так кто-то незнающий прочитает, что в дип корпусе диод не нужен и в других схемах не поставит...
 
С "Д" либо без оной, ставить перемычку между 1,8 пинами для пуш/пула. Чтоб на путать народ. Этот диод только лишний повод для рассогласования плечей ПНа.
 
Что было заменено в отличае от оригинала:
VD2 -> CT PR1505
VD4-VD7, VD1 -> 20CTQ150
KT815->BD139

В печатке поправил только под сдвоенный диод что бы впаять и все.
К монтажу нареканий нет, только что платка не помыта от флюса.
 

Вложения

  • печатка1.webp
    печатка1.webp
    135.2 KB · Просмотры: 216
Печатку придется переделывать. Первое, что не нравится,ирка сидит на токовой петле. Это гарантированно приведёт к неработоспособности.
Что было заменено в отличае от оригинала:
А сам эксклюзив откуда?
 
Сам эксклюзив (не могу почему-то ссылки прилепить) из дневника DDREDD. Насколько я понял, печатка рабочая и схема в целом рабочая, а сей час выясняется что ее переделывать нужно =)
 
Назад
Сверху