• Добро пожаловать на компьютерный форум Tehnari.ru. Здесь разбираемся с проблемами ПК и ноутбуков: Windows, драйверы, «железо», сборка и апгрейд, софт и безопасность. Форум работает много лет, сейчас он переехал на новый движок, но старые темы и аккаунты мы постарались сохранить максимально аккуратно.

    Форум не связан с магазинами и сервисами – мы ничего не продаём и не даём «рекламу под видом совета». Отвечают обычные участники и модераторы, которые следят за порядком и качеством подсказок.

    Если вы у нас впервые, загляните на страницу о проекте, чтобы узнать больше. Чтобы создавать темы и писать сообщения, сначала зарегистрируйтесь, а затем войдите под своим логином.

    Не знаете, с чего начать? Создайте тему с описанием проблемы – подскажем и при необходимости перенесём её в подходящий раздел.
    Задать вопрос Новые сообщения Как правильно спросить
    Если пришли по ссылке со старого Tehnari.ru – вы на нужном месте, просто продолжайте обсуждение.

Преобразователь для TDA7294

  • Автор темы Автор темы TSKos
  • Дата начала Дата начала
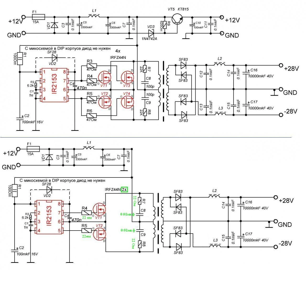
Да, только затворные резисторы в 2 реза меньше.
2. снабберные цепочки 0,01 муф + 22 Ом
3. перед выходным дросселем конденсаторы не ставятся
4. снижай частоту с 107 кГц хотябы в 2 раза
 
Да, только затворные резисторы в 2 реза меньше.
2. снабберные цепочки 0,01 муф + 22 Ом
3. перед выходным дросселем конденсаторы не ставятся
4. снижай частоту с 107 кГц хотябы в 2 раза
что за снабберные цепочки? это где?
Конденсаторы перед выходным дросселем с12, с13, с3 и с5 удалить?
 

Вложения

  • 1.webp
    1.webp
    110.1 KB · Просмотры: 181
C12 C13 убрать.
Снаберы, то что ы первичке стоят р7, р8, с8, с9
 

Вложения

  • 1.webp
    1.webp
    115.9 KB · Просмотры: 152
1. Правильно.
2. да обязательно
3. R2/C1
 
Последнее редактирование:
Частота ИРки рассчитывается по этой программе. Конденсатор бери от 330 пикофарад до 10 нанофарад. Оптимально 1-2 нанофарада.

Просто так частоту снижать нельзя. Уже где-то говорили об этом. Транс не должен работать на частоте ниже чем он рассчитан. Если сердечник войдет в насыщение, то получится КЗ.
 
Последнее редактирование:
Частота ИРки рассчитывается по этой программе. Конденсатор бери от 330 пикофарад до 10 нанофарад. Оптимально 1-2 нанофарада.

Просто так частоту снижать нельзя. Уже где-то говорили об этом. Транс не должен работать на частоте ниже чем он рассчитан. Если сердечник войдет в насыщение, то получится КЗ.
ок спасиб, понятно, получается так же как на ТЛ494 конденсатор с маркировкой 102 и резистор 12-15 ком
 
Есть ещё один интересный вопрос: есть ли диодные мосты(а не диоды) для Импульсных преобразователей как они называются? похожие на BRC2510W или плоские такие которые встречаются в ВП
 
Просто так частоту снижать нельзя. Уже где-то говорили об этом. Транс не должен работать на частоте ниже чем он рассчитан. Если сердечник войдет в насыщение, то получится КЗ.
Я так понял, что TSKos рисует себе схему, чтобы по ней собрать ИИП. А трансформатор рассчитывается и мотается уже под схему, а не наоборот.
 
Я так понял, что TSKos рисует себе схему, чтобы по ней собрать ИИП. А трансформатор рассчитывается и мотается уже под схему, а не наоборот.

Ну тогда правильно. А то я думал что он с готовой схемой экспериментирует.
 
Я так понял, что TSKos рисует себе схему, чтобы по ней собрать ИИП. А трансформатор рассчитывается и мотается уже под схему, а не наоборот.
так точно, сначало хочу нарисовать, а с трансом пока не извесно сколько и чего
 
так есть ли диодные мосты(а не диоды) для Импульсных преобразователей как они называются? похожие на BRC2510W или плоские такие которые встречаются в ВП
 
мостов нету для ИИП
для небольших мощностей я предпочитаю КД213. Под них и печатку разводить удобнее, на крайняк и на радиатор повесить
 
мостов нету для ИИП
для небольших мощностей я предпочитаю КД213. Под них и печатку разводить удобнее, на крайняк и на радиатор повесить
а какие есть аналоги SF28 и кд2132
 
А Google у тя не работает, или забанили?tehno001
 
а как выбирать? на что нужно обращять внимание чтоб точно подошли?
 
так на что нужно обращать внимание чтоб точно подошли?
 
а какие есть аналоги SF28 и кд2132

Вместо SF28 в питании ИРки в этой схеме лучше поставить перемычку.

А на выход подойдут SF83, HER803-805, UF803-805, MUR820, [FONT=&quot]BYW[/FONT]29-200.
 
Назад
Сверху