Не подскажите что это такое?
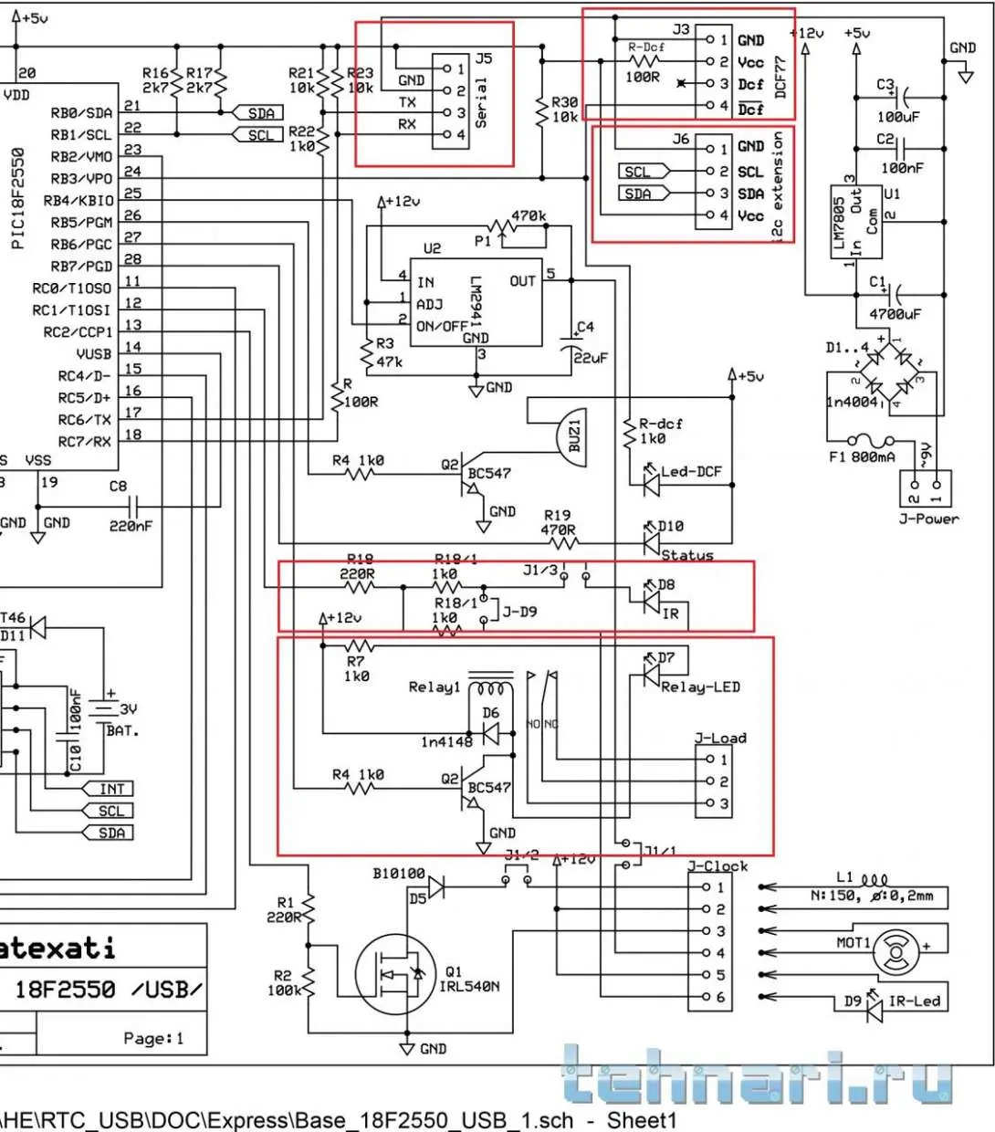
Разъемы:
serial;
DCF77;
i2c extension;
и устройство на 27 ноге?
Так же возникает вопрос, зачем на 12 ноге два резистора с джампером и диод D8 (IR)?
Serial интерфейс для связи с базой, известный, как COM порт. Только на схеме не нарисовано, но должна быть еще платка. Если будете использовать, могу нарисовать. Можете добавить на схему или припаять внутри разъема порта, а вывести только 4 провода к базе.
DCF77 это радиосигнал из германии по нему в цифровом виде передается время с атомных часов. Есть специальные модули для приема этого сигнала, где купить не нашел даже в Москве. Наверное самый простой вариант это найти часы с DCF77 главное чтобы модуль был отдельной платой. У меня есть одни часы, которые могут принимать сигнал. И могу прикрутить их к этой базе, но двое часов это странно. Так как принимающий сигнал модуль выполнен прямо на основной плате. Есть несколько схем для самостоятельной сборке, но нет опыта в радиостроении, поэтому пока не берусь, надеюсь на вариант попроще. Но могу выложить, если интересно.
I2C это цифровой интерфейс, который используется для "общения между различными устройствами. Здесь он использован для записи и чтения времени с часов реального времени. Но выход остался на всякий случай автор хотел использовать экран с интерфейсом I2C ну , а что там было бы автор сам бы решил. Но пока это не реализовано. И будет ли вообще не понятно. Так что этот разъем можно не впаивать и не выводить. по крайней мере пока.
Устройство на 27 ноге это реле. Можно с пульта или при срабатывании запускать какой-нибудь внешнее устройство. На мой взгляд можно использовать например радио или какую нибудь портативную колонку в роли будильника.
Так же возникает вопрос, зачем на 12 ноге два резистора с джампером и диод D8 (IR)?
В этом не разбирался могу на днях заняться. Вроде как для передачи команд с компьютера на инфракрасный диод или для синхронизации базы и пропеллера при помощи RC5. Но в следующей версии базы это реализовано с помощью катушек. Тогда вроде логично было бы использовать посылку команд на пропеллер.
Одно могу сказать две перемычки и два резистора по 1K можете выкинуть со схемы.
Еще вопрос по схеме. В часах реального времени на базе PCF8583 есть выход INT. Зачем он нужен? Я сделал печатку по новой схеме которую вы скинули. Проверил вроде все. Если будет время посмотрите на ошибки.
Int в данной реализации никак не используется можете оставить его в воздухе. А вообще выход int используется в режиме счетчика или как будильник.
Я сделал печатку по новой схеме которую вы скинули. Проверил вроде все. Если будет время посмотрите на ошибки.
Печатка, что в глаза бросилось это перевернутый кондер по выходу стабилизатора. На ход не влияет главное, чтобы так не впаяли. Потом диод D5 если будете использовать , который указан на схеме, то у вас он красиво не станет. Можно использовать любой от 3-5 ампер. Но у них корпусы обычно большие, придется подгибать. Чтобы встал между пятачками сделайте не меньше сантиметра. Или перерисуйте под B10100 но тогда логично использовать в ряд с транзистором и стабилизатором, чтобы прикрутить к одному радиатору.

Еще переменный резистор, как то странно нарисован. Если будете ставить, чтобы прикрутить к корпусу и проводами привести к нему, то неважно. Явных ошибок больше не увидел, правда просмотрел не все.
Еще хотел спросить почему такая странная плата под определенный корпус?
Да и про видео помню, сделаю. Свободной время уходит на корпус к часам на 16F628a. Скоро будет результат.