Простой УМЗЧ с однополярным питанием.

  • Автор темы Автор темы finn32
  • Дата начала Дата начала
У Шушурина стоИт ровно так же, как и у Вас.

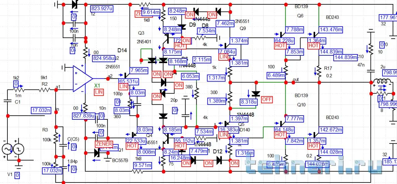
Вы чем спорить, лучше посмотрите, закрыт диод или открыт. Это главное. Ведь ,если диод закрыт, то толку от него ноль. Падение напряжения на резисторе должно надежно диод открыть.
 
Вы чем спорить, лучше посмотрите, закрыт диод или открыт. Это главное. Ведь ,если диод закрыт, то толку от него ноль. Падение напряжения на резисторе должно надежно диод открыть.
в схеме парафина диод открыт. В шушуринской и многих других закрыты
 
Какие споры, я Вам про очевидные факты говорю. А падение на том резисторе будет определятся током через него, а тот, в свою очередь, будет задаваться смещением в термоузле.
 
Какие споры, я Вам про очевидные факты говорю. А падение на том резисторе будет определятся током через него, а тот, в свою очередь, будет задаваться смещением в термоузле.
Вообщето стоит посмотреть схему шушурина и тогда станет ясен смысл сказанного мною. Там не работает как положено, хоть до полампера ток покоя делать. А так этот вопрос за рубежом давным давно решен. Лет сорок
 
Тыкните носом, в чем разница? Не пойму.
Всем нравятся четкие и по существу ответы, а не намеки и полунамеки. Так и скажите, в чем разница установки диода на скрине Шушурина и Вашем.
И там и там диод стоит параллельно резистору 100 Ом. От чего падение на резисторе будет зависеть по-Вашему? И почему у Шушурина закрыт, а у Вас открыт? И чем это объясняется.
 

Вложения

  • Screenshot_20220920-013104.png.webp
    Screenshot_20220920-013104.png.webp
    40.3 KB · Просмотры: 34
  • Screenshot_20220920-013210.png.webp
    Screenshot_20220920-013210.png.webp
    39.5 KB · Просмотры: 35
R23V19 в схеме Шушурина вечно закрыт. открывается лишь на больших уровнях сигнала .Ток через него мал .
схема умзчвв с шушуринским вк
 

Вложения

  • умзч478вв шушурин ток1.PNG.webp
    умзч478вв шушурин ток1.PNG.webp
    94.2 KB · Просмотры: 46
  • умзч478вв шушурин тока.PNG.webp
    умзч478вв шушурин тока.PNG.webp
    95.1 KB · Просмотры: 44
Последнее редактирование:
Вобщем вот когда работает диод. Надеюсь теперь понятно.
 

Вложения

  • умзч478вв шушурин  тока3.PNG.webp
    умзч478вв шушурин тока3.PNG.webp
    94.4 KB · Просмотры: 50
А, ну сам туплю. В Шушурине он стоИт в первом каскаде тройки, а у Вас и в квазике во втором. Ес-сно токи разные будут. С этого и нужно было начинать. Ладно, проехали.
 
Задает небольшое начальное смещение нижнему выходнику, что несколько линеаризует ВК на малых мощностях.
Так я и подозревалал!Просто побоялся сформулировать, да ПАРНИ понаворотили Вы здесь ладно буду разбираться. Попробую нарисовать!
 
Можно, почему нет. Если есть опыт с коррекцией, ес-сно.
 
не начнётся. раз вас за*бывает! Кое что знаю. кое до чего дойду сам,НО КАК УЖЕ И БЫЛО ЗА ВЕСЬ ВАШ НАЕЗД ОЗНАКОМЛЕНИЯ С РЕЗУЛЬТАТАМИ НЕ БУДЕТ БОРЗЫХ НАДО УЧИТЬ!!!
 
Из квази вот этот ВК самый линейный и симметричный. Ну, при учете, что это тройка, конечно.
выхлоп Ланконти и в двойке отлично работает( УНЧ Трошина 88г.)
 
А сам то знаешь а то кроме вшивой паялки, аналог которой в любой подворотне за 4000 дерева купить можно я от тя ни одной схемы усилителя не видел!
 
Создаётся впечатление, что предназначение пользователей типа Фишера это пакостить во всех без исключения темах. я отслеживаю его посты и в других темах-везде лезет и всё портит(как самому НЕ НАДОЕСТ!). Нос как убуратины в каждую за*ницу залезет. Моё предложение - хотите что нить увидеть что я сам сделал- БАНЬТЕ ЭНТОГО ТИПА! ЧЕС СЛОВО НАДОЕЛ УЖЕ ПОРЯДКоМ НЕРВ НЕ ВЫДЕРЖИВАЕТ!
 
выхлоп Ланконти и в двойке отлично работает( УНЧ Трошина 88г.)

Локанти, видимо...
Биполярная двойка- не самый лучший выхлоп для качественного усилителя. Биполярно- полевая- уже лучше. Биполярная тройка по формуле 1-2-4 - это минимум для хорошего результата.
Двойка годится только для абсолютно тривиальных задач и там, где не требуется особого качества, а чисто практическая задача озвучки.
 
Последнее редактирование:
Двойка годится только для абсолютно тривиальных задач и там, где не требуется особого качества, а чисто практическая задача озвучки.
На небольших мощностях и напряжении питания и двойка вельми хороша.
 
Субъективная слуховая оценка говорит об обратном. Но, каждый волен думать как хочет.
 
Вы немного категоричны. Все под одну гребенку не стоит так уж ровнять. При питании +/-15-20 вольт и качественном оу двойка конкурентна.
 
Назад
Сверху