Да, телерадиомеханника только теории учили.))) И программистов-тоже??? Будет возбуждатся антенна-собъется частота, тут и кварц не поможет. Пойдут гармоники на всех ближних и дальних частотах, проходили это уже , сразу забъем эфир .
Смотрите видео ниже, чтобы узнать, как установить наш сайт в качестве веб-приложения на домашнем экране.
Примечание: Эта возможность может быть недоступна в некоторых браузерах.
Добро пожаловать на компьютерный форум Tehnari.ru. Здесь разбираемся с проблемами ПК и ноутбуков: Windows, драйверы, «железо», сборка и апгрейд, софт и безопасность. Форум работает много лет, сейчас он переехал на новый движок, но старые темы и аккаунты мы постарались сохранить максимально аккуратно.
Форум не связан с магазинами и сервисами – мы ничего не продаём и не даём «рекламу под видом совета». Отвечают обычные участники и модераторы, которые следят за порядком и качеством подсказок.
Если вы у нас впервые, загляните на страницу о форуме и правила – там коротко описано, как задать вопрос так, чтобы быстро получить ответ. Чтобы создавать темы и писать сообщения, сначала зарегистрируйтесь, а затем войдите под своим логином.
Да..! Могу только по сочувствовать...! Просто в любом деле очень много тонкостей, а вы нахватались поверхностей. А вы еще юрист вроде, сколько же у вас теоретических специальностей(профессий).Да, телерадиомеханника только теории учили.))) И программистов-тоже??? Будет возбуждатся антенна-собъется частота, тут и кварц не поможет. Пойдут гармоники на всех ближних и дальних частотах, проходили это уже , сразу забъем эфир .

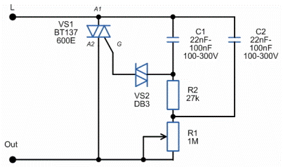
На скорую рукуДа, красиво сделано.
На столе лежит мостик. Как сохранился, не видел таких с 80х годов!Собственно
Селеновый АВС-ка да... это ретро!На столе лежит мостик. Как сохранился, не видел таких с 80х годов!![]()
У меня два таких. Один живой, а у этого селеновые пластинки сплавилисьНа столе лежит мостик. Как сохранился, не видел таких с 80х годов!
так купи, где-то в сети видел магазин (наш, не китай) там все виды "кошачьего" глаза продавалиЭх "зелёный глаз" жалко).
Кондёрчик настоящее ретро! :tehnari_ru_509:Сколхозил вчера вечерком такой регулятор
прозвони его, похоже он у тебя "жжёный" сам недавно выкинул с десяток таких "неадекватов"Только резистор немного неадекватен,на половину крутишь-ничего не происходит, потом резко появляется напряжение...
Прозванивал, тоже самое показывал и мультиметр. Засранцы, совсем задолбали...Недавно менял кучу пробитых транзисторов.tehno014Кондёрчик настоящее ретро! :tehnari_ru_509:
прозвони его, похоже он у тебя "жжёный" сам недавно выкинул с десяток таких "неадекватов"![]()
Хорошее дело! Удачи.Я её сейчас восстанавливаю\реставрирую