- Регистрация
- 2 Ноя 2011
- Сообщения
- 7,228
- Реакции
- 573
- Баллы
- 113
Ну что же, собирай. Это похвально.Хочется всё собрать самому от начала до конца.
Ух ты! Вещь! А что это такое?но зато вот что я нашёл у
немецких спецов.
Смотрите видео ниже, чтобы узнать, как установить наш сайт в качестве веб-приложения на домашнем экране.
Примечание: Эта возможность может быть недоступна в некоторых браузерах.
Добро пожаловать на компьютерный форум Tehnari.ru. Здесь разбираемся с проблемами ПК и ноутбуков: Windows, драйверы, «железо», сборка и апгрейд, софт и безопасность. Форум работает много лет, сейчас он переехал на новый движок, но старые темы и аккаунты мы постарались сохранить максимально аккуратно.
Форум не связан с магазинами и сервисами – мы ничего не продаём и не даём «рекламу под видом совета». Отвечают обычные участники и модераторы, которые следят за порядком и качеством подсказок.
Если вы у нас впервые, загляните на страницу о форуме и правила – там коротко описано, как задать вопрос так, чтобы быстро получить ответ. Чтобы создавать темы и писать сообщения, сначала зарегистрируйтесь, а затем войдите под своим логином.
Ну что же, собирай. Это похвально.Хочется всё собрать самому от начала до конца.
Ух ты! Вещь! А что это такое?но зато вот что я нашёл у
немецких спецов.
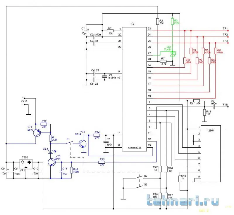
Если интересно, то у меня такая ПП была изначально.Хочется всё собрать самому от начала до конца





Данный проектЕдинственный косяк - это прошивка.
Данный проект
"придумал его немец Маркус Фрейек, но как то так получилось, что на одном из этапов он перестал развивать этот проект и дальше им занялся другой немец, Карл-Хайнц Куббелер."
Он не имеет коммерческой составляющей,за что им отдельное спасибо.
Следовательно если вы пройдётесь по ссылкам то всё найдёте и
прошивки в том числе.
Конструктор для сборки популярного тестера транзисторов
Всё, разобрался.
Неправильно был впаян SVR5-04
Меня смущает, как писал Николай питание на 21 ноге МК. У меня там его нет.