• Добро пожаловать на компьютерный форум Tehnari.ru. Здесь разбираемся с проблемами ПК и ноутбуков: Windows, драйверы, «железо», сборка и апгрейд, софт и безопасность. Форум работает много лет, сейчас он переехал на новый движок, но старые темы и аккаунты мы постарались сохранить максимально аккуратно.

    Форум не связан с магазинами и сервисами – мы ничего не продаём и не даём «рекламу под видом совета». Отвечают обычные участники и модераторы, которые следят за порядком и качеством подсказок.

    Если вы у нас впервые, загляните на страницу о проекте, чтобы узнать больше. Чтобы создавать темы и писать сообщения, сначала зарегистрируйтесь, а затем войдите под своим логином.

    Не знаете, с чего начать? Создайте тему с описанием проблемы – подскажем и при необходимости перенесём её в подходящий раздел.
    Задать вопрос Новые сообщения Как правильно спросить
    Если пришли по ссылке со старого Tehnari.ru – вы на нужном месте, просто продолжайте обсуждение.

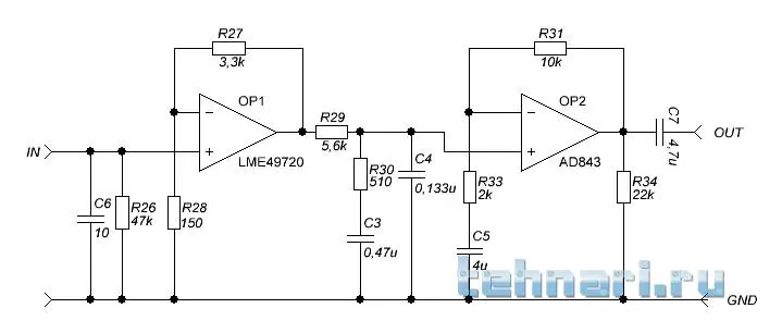
Схема фонокорректора

  • Автор темы Автор темы andrus
  • Дата начала Дата начала
Подскажите рабочая это схема?ОУ LME49720 и AD843 будут работать в данной схеме?Может будут дополнения по номиналам схемы или в разводке ПП.Заранее спасибо.
 

Вложения

  • RIAA.webp
    RIAA.webp
    11.4 KB · Просмотры: 329
  • RIAA.rar
    RIAA.rar
    50.7 KB · Просмотры: 38
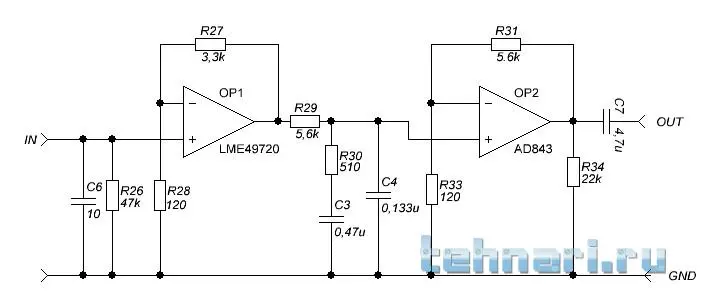
Поправил схему
 

Вложения

  • RIAA.webp
    RIAA.webp
    11.3 KB · Просмотры: 291
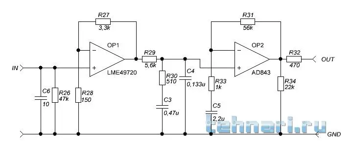
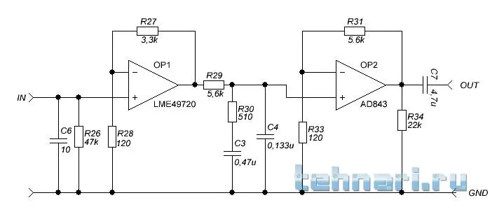
Какая из схем будет лучше?
 

Вложения

  • RIAA2.webp
    RIAA2.webp
    11 KB · Просмотры: 151
не надо бокаревскому на вход конденсатор. повторяю!!!


Вообще-то Бокарев свой корректор делал как измерительный для снятия АЧХ головок, поэтому там и нет на входе конденсатора. А от вас, Максим, я бы хотел услышать объяснение физики работы корректора Бокарева, за счет которой он подстраивается под головки с разными требованиями к подключаемой нагрузке. Очень интересно услышать обоснования которые лежат под столь безапелляционным вашим заявлением.
 
Вообще-то Бокарев свой корректор делал как измерительный для снятия АЧХ головок, поэтому там и нет на входе конденсатора. А от вас, Максим, я бы хотел услышать объяснение физики работы корректора Бокарева, за счет которой он подстраивается под головки с разными требованиями к подключаемой нагрузке. Очень интересно услышать обоснования которые лежат под столь безапелляционным вашим заявлением.

Сухова почитайте на досуге.
офф в бокаревском я лишь плату на скорую руку нарисовал.
 
Какая из схем будет лучше?
По мотивам схемы Бокарева? Зачем в схеме R34 и С7? Ну С7 отсекает постоянку, ну и вносит свою лепту в звук. Постоянку можно убрать подкорректировав выход ОУ. Есть эти решения как для -IN так и для +IN входов.
 
А я уверен,что вводить коррекцию по входу реально лишь при наличии опыта и хорошей инструментальной базы. Иначе дров наломают.
 
Наломать дров - это не ставить корректирующую емкость. Без этой емкости мы не получим требуемую АЧХ. Измеряй емкость кабеля, отнимай эту величину от рекомендованного производителем значения корректирующей емкости, вот и всё. Об этом и Сухов говорит.


Сухов ПК.png.webp
 
Сань, видимо я в очередной раз понял тебя правильно.
Суть- автор не знает чего хочет и , к тому- же, нифига не понимает каким образом Енто реализовать.
Нихрена не самодельщик(рукотворщик).
С Наступающим всех!
 
Вот собрал фонокоректор,все как на схема,и еще MC усилитель,схема в журнале Радио 2014 №10.Звучит отлично!
 

Вложения

  • RIAA2.webp
    RIAA2.webp
    11 KB · Просмотры: 256
  • 20191222_003149.webp
    20191222_003149.webp
    78.9 KB · Просмотры: 204
  • 20191222_003139.webp
    20191222_003139.webp
    60.3 KB · Просмотры: 164
  • riaa.rar
    riaa.rar
    67.9 KB · Просмотры: 58
Скрин страницы журнала с этой схемой представь.
 
Ванясвой, где скрин?
 
Я залил. Где эта схема?


Радио_2014_10.png.webpРадио_2014_10(1).png.webpРадио_2014_10(2).png.webp
 
Назад
Сверху