- Регистрация
- 5 Фев 2014
- Сообщения
- 473
- Реакции
- 40
- Баллы
- 0
Смотрите видео ниже, чтобы узнать, как установить наш сайт в качестве веб-приложения на домашнем экране.
Примечание: Эта возможность может быть недоступна в некоторых браузерах.
Добро пожаловать на компьютерный форум Tehnari.ru. Здесь разбираемся с проблемами ПК и ноутбуков: Windows, драйверы, «железо», сборка и апгрейд, софт и безопасность. Форум работает много лет, сейчас он переехал на новый движок, но старые темы и аккаунты мы постарались сохранить максимально аккуратно.
Форум не связан с магазинами и сервисами – мы ничего не продаём и не даём «рекламу под видом совета». Отвечают обычные участники и модераторы, которые следят за порядком и качеством подсказок.
Если вы у нас впервые, загляните на страницу о проекте, чтобы узнать больше. Чтобы создавать темы и писать сообщения, сначала зарегистрируйтесь, а затем войдите под своим логином.
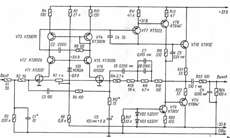
Можно, а почему нет? На одном ОУ с активной коррекцией. Схем в инете навалом! И потом, какая схема считается очень маленькой?можно сделать схему очень маленькой?
Усилитель хороший, слов нет. И главное, что 100% рабочий. Но самое главное в нём, это входной каскад на полевиках. Если их грамотно не подобрать, то ничего путёвого не получится. Это и обидно. И ещё питание. Оно должно быть с очень маленькими пульсациями. Вообщем слишком много нюансов. Сейчас бы я этот корректор собирать не стал.Сам собираюсь скоро собрать этот корректор,


Питание там однополярное, а это подразумевает разделительные кондёры, что не есть гуд. Ты же собирался собирать усилитель Бокарева? Я делал его пару раз. Работает хорошо, только , как я уже писал раньше, усиление надо убирать. Последний раз я делал усилитель Галахова. Очень низкий уровень шума ( 83 дб ! ), и нет дефицитных деталей. И с питанием там всё в порядке.Поглядываю в сторону Никитинского, там питание попроще,
Так я уго уже собрал и послушал. Но сравнивать не с чем, потому и ищу приключений на свою задницуТы же собирался собирать усилитель Бокарева?
Так я уго уже собрал и послушал.
Ты правильно понимаешь: нужно собрать маленький такой стендик. Схема онного имеентся в инете. Подбираются же половики по напряжению отсечки.Для подбора полевиков, я так понимаю, нужно собирать (или того хуже - покупать) специальный прибор?
Так проктатит?Для подбора с достаточной точностью нужно лишь измерить начальный ток стока и напряжение отсечки. Для этого нужна батарейка "крона" и авометр с переменником.


У нас на радиорынке походу нету. Можно купить совок или БФ245, но БФ245 дешевле в 2 раза.В качестве входных лучше применить 2SK170.