• Добро пожаловать на компьютерный форум Tehnari.ru. Здесь разбираемся с проблемами ПК и ноутбуков: Windows, драйверы, «железо», сборка и апгрейд, софт и безопасность. Форум работает много лет, сейчас он переехал на новый движок, но старые темы и аккаунты мы постарались сохранить максимально аккуратно.

    Форум не связан с магазинами и сервисами – мы ничего не продаём и не даём «рекламу под видом совета». Отвечают обычные участники и модераторы, которые следят за порядком и качеством подсказок.

    Если вы у нас впервые, загляните на страницу о форуме и правила – там коротко описано, как задать вопрос так, чтобы быстро получить ответ. Чтобы создавать темы и писать сообщения, сначала зарегистрируйтесь, а затем войдите под своим логином.

    Не знаете, с чего начать? Создайте тему с описанием проблемы – подскажем и при необходимости перенесём её в подходящий раздел.
    Задать вопрос Новые сообщения Как правильно спросить
    Если пришли по старой ссылке со старого Tehnari.ru – вы на нужном месте, просто продолжайте обсуждение.

Собираю усилитель на TDA1558

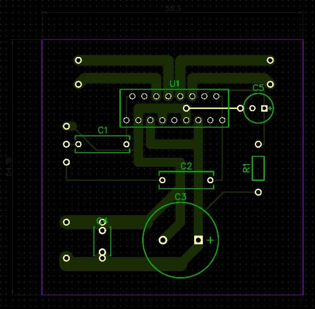
немного не понятны области которые я указал, для шунтирования электролита зачем же отверстия под керамический делать прям под ёмкостью, да и дорожки входные делайте толще, ибо тонер не идеален, такие тонкие вы просто толком не вытравите, впрочем если есть опыт то это реально но смысл, лучше сделать не меньше 1мм
 

Вложения

  • рисунок TDA.webp
    рисунок TDA.webp
    21.7 KB · Просмотры: 276
такие тонкие вы просто толком не вытравите,

Толщина дорожек не проблема, у меня товарищ поставил производство почти на профессиональном уровне :). Телефон не может так чётко фоткать :). А по поводу непонятных мест, сейчас выложу немного изменённую плату.
 

Вложения

  • IMG0544A.webp
    IMG0544A.webp
    15 KB · Просмотры: 107
  • IMG0545A.webp
    IMG0545A.webp
    16.5 KB · Просмотры: 139
А вот и виды обновлённой платы
 

Вложения

  • 3dtop.webp
    3dtop.webp
    25.3 KB · Просмотры: 295
  • 3dbottom.webp
    3dbottom.webp
    22 KB · Просмотры: 645
  • TDA1558.webp
    TDA1558.webp
    93 KB · Просмотры: 3,198
норм один совет дорожки выходов на динамики пониже опустить, т.к. они окажутся прям под радиатором
 
Во я осёл, ну вроде исправил, а какой совет №2?
 

Вложения

  • TDA1558.webp
    TDA1558.webp
    63.7 KB · Просмотры: 749
Парни приветствую! Извиняйте что не туда пишу, тему не охота делать лишнюю... Подскажите пожалуйста чем можно заменить прокладку на радиатор чтоб изолировать транзистор от поверхности охладителя??? У меня нету таких специальных прокладок, а где купить не могу найти....
 
Вроде не в ПГТ живёшь, ищи в радиомагазинах слюду.
 
В старых (полупроводниковых) телевизорах, да и вообще везде, где они должны стоять (приборы с радиаторами)
 
Во я осёл, ну вроде исправил, а какой совет №2?

плюс с минусом перепутаны, либо кондёр не правильно стоит, сравните с моей ещё раз, как реализовано плавное включение, на какие ноги и от куда
 

Вложения

  • TDA1558.webp
    TDA1558.webp
    131.2 KB · Просмотры: 1,189
  • 71252d1331661158-ia-aoea.webp
    71252d1331661158-ia-aoea.webp
    15.8 KB · Просмотры: 364
плюс с минусом перепутаны
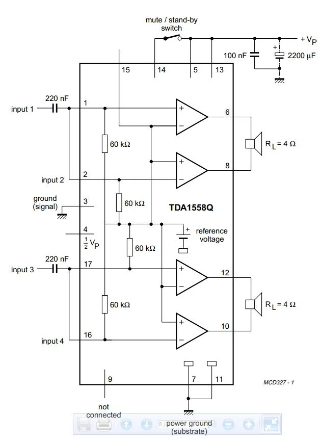
Ничего не перепутано :). 3, 7, 11 ножки - общий(-). А 5 и 13 - плюс питания, на 14 управление плавным включением.... Это просто кондёр вас с толку сбил. У меня разводка другая...

P.S. Давай на ты?
 

Вложения

  • TDA1558.webp
    TDA1558.webp
    132.4 KB · Просмотры: 215
  • TDA1558 CXEMA.webp
    TDA1558 CXEMA.webp
    27 KB · Просмотры: 398
а да, всё верно
 
Получилось как-то так:
 

Вложения

  • TDA1558.webp
    TDA1558.webp
    56.6 KB · Просмотры: 858
если честно я наоборот в своей старался сделать как можно меньше поворотов и сложных фигур, у тебя же она как хохлома с завитушками, впрочем на работоспособность конечно это не скажется, просто лучше когда на пути тока как можно меньше препятствий
 
Размер печати 32мм на 40мм
 

Вложения

  • 0123.rar
    0123.rar
    7.2 KB · Просмотры: 29

Вложения

  • IMG0546A.webp
    IMG0546A.webp
    16.2 KB · Просмотры: 307
Зачем уменьшать? Ведь это мощный узел, и экономить ПП не стОит. Правда есть у меня 1557 с ПП размерами 23х40 мм.

Этот просто я пытался собрать в авто! как раз в корпус тика в тику!
 
Вот какое чудо получилось. Завтра - послезавтра выложу фотки платы усилителя. Может что подкорректирую...
 

Вложения

  • 1558_Bottom.webp
    1558_Bottom.webp
    23.4 KB · Просмотры: 1,017
Назад
Сверху