Извиняюсь что тоже вспылил.
Теперь к делу. Собрал три схемы.
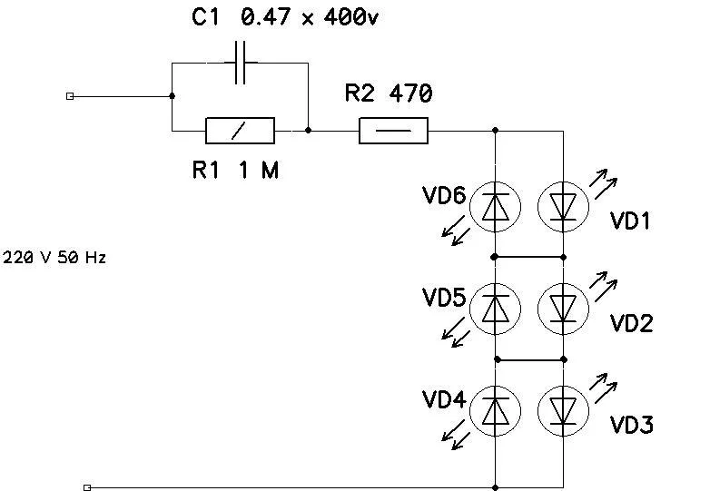
Светодиоды использовались АЛ307 зеленого света с номинальным током 20 мА. Согласно расчета емкость гасящего конденсатора должна быть 0.29 мкФ. Перерывать всё свое барахло особенного желания не было, поэтому взял первые попавшиеся три одинаковые конденсатора на 0.22 мкФ (220 нФ) 630В.
Три цепочки были спаяны параллельно для одновременного включения и наблюдения разницы. Резисторы для разрядки конденсаторов не устанавливались.
В первой цепочке (на фото слева) один светодиод подключен через диодный мост КЦ407А. Токоограничительный резистор 220 Ом.
Во второй цепочке (на фото в центре) параллельно диоду 1N4007 подключен один светодиод. Токоограничительный резистор 100 Ом.
В третьей цепочке (на фото справа) параллельно диоду 1N4007 подключено последовательно три светодиода. Токоограничительный резистор 110 Ом.
Как видно на следующем фото

особой разницы в свечении при подключении параллельно диоду 1N4007 между одним светодиодом и тремя включенными последовательно нет.
А вот свечение светодиода подключенного через диодный мост заметно выше. Впрочем это превышение, благодаря логарифмическому восприятию яркости глазом, не воспринимается как ярче в два раза.
На верхнем фото также присутствует электронный балласт от энергосберегающей лампочки, откуда были добыты диоды 1N4007.
Была попытка спалить все три схемы созданием плохого контакта в розетке с искрением.
Также был произведен опыт с зарядкой конденсаторов через диод до амплитудного напряжения сети 310В с последующей разрядкой через цепочки. Светодиоды слегка вспыхивали, но ни один не сгорел.
Ни один из один из опытов не увенчался успехом. Энергии разряда (заряда) конденсатора явно недостаточно для разрушения светодиодов.