• Добро пожаловать на компьютерный форум Tehnari.ru. Здесь разбираемся с проблемами ПК и ноутбуков: Windows, драйверы, «железо», сборка и апгрейд, софт и безопасность. Форум работает много лет, сейчас он переехал на новый движок, но старые темы и аккаунты мы постарались сохранить максимально аккуратно.

    Форум не связан с магазинами и сервисами – мы ничего не продаём и не даём «рекламу под видом совета». Отвечают обычные участники и модераторы, которые следят за порядком и качеством подсказок.

    Если вы у нас впервые, загляните на страницу о проекте, чтобы узнать больше. Чтобы создавать темы и писать сообщения, сначала зарегистрируйтесь, а затем войдите под своим логином.

    Не знаете, с чего начать? Создайте тему с описанием проблемы – подскажем и при необходимости перенесём её в подходящий раздел.
    Задать вопрос Новые сообщения Как правильно спросить
    Если пришли по ссылке со старого Tehnari.ru – вы на нужном месте, просто продолжайте обсуждение.

Темброблок

  • Автор темы Автор темы reflex
  • Дата начала Дата начала
дак как зделать от двух ИП ты можеш объяснить??
 
Так все-таки хотите разделить аналоговую и цифровую землю? Для начала найдите на плате эти земли и перемычку.

А как поступить проще, уже сказано в #51, #52.
 
вот вся плата
 

Вложения

  • IMAG0389.webp
    IMAG0389.webp
    51.5 KB · Просмотры: 176
Нет, перемычки у вас на другой стороне, в виде SMD резисторов с нулевым сопротивлением. Отмечены как JRxx.
офф. может кто поможет, а сейчас некогда, на работу пора.
 
diman86 ну тогда с раздельным питанием можеш подсказать??там ни че соединять не надо,
 
:tehnari_ru_837::tehnari_ru_159:
 
спасибо всем
 
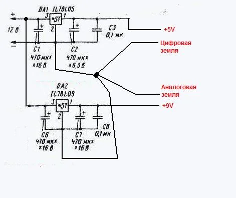
Разводка БП звездой решит проблему. Никакие помехи не пролезут.
25360.webp
 
Первый источник питания аналоговой части (9 вольт) подключается так: (+) к выводу DC9V, (-) к выводу AGND.
Второй источник для цифровой части 5 вольт подключают так: (+) к выводу DC5V, (-) к GND.
АСС это дежурный режим. Если он на GND(или висит), то темброблок выключен, если он на DC5V включен.



вот че пишут
 
Прекрасно, так и подключайте, все выводы у вас на плате отмечены. А теперь пора заняться сборкой БП, ибо уже на 7 страниц.
 
все подключил... работает :tehnari_ru_159::tehnari_ru_159:
всем спасибо
 
доделал усилитель на 7294 с этим темброблоком....и не че не работает....только сильный треск
 
:tehnari_ru_837:
 
для George Smith
 

Вложения

  • IMAG0390.webp
    IMAG0390.webp
    104.3 KB · Просмотры: 165
  • IMAG0391.webp
    IMAG0391.webp
    100.5 KB · Просмотры: 97
  • IMAG0395.webp
    IMAG0395.webp
    67.4 KB · Просмотры: 94
  • IMAG0396.webp
    IMAG0396.webp
    86.4 KB · Просмотры: 106
  • IMAG0397.webp
    IMAG0397.webp
    108.5 KB · Просмотры: 132
  • IMAG0434.webp
    IMAG0434.webp
    105.6 KB · Просмотры: 150
Игорь, а чё такие длинные монтажные провода, есть закон, чем короче тем лучше.
 
это пока не подсоединены,а так по максимому обрезал
 
:tehnari_ru_1019:
 
Они же вроде даже кольцами свиты ? ... :)
 
не не стянуты хомутиками,это начальные фото до испытания
 
Назад
Сверху