• Добро пожаловать на компьютерный форум Tehnari.ru. Здесь разбираемся с проблемами ПК и ноутбуков: Windows, драйверы, «железо», сборка и апгрейд, софт и безопасность. Форум работает много лет, сейчас он переехал на новый движок, но старые темы и аккаунты мы постарались сохранить максимально аккуратно.

    Форум не связан с магазинами и сервисами – мы ничего не продаём и не даём «рекламу под видом совета». Отвечают обычные участники и модераторы, которые следят за порядком и качеством подсказок.

    Если вы у нас впервые, загляните на страницу о проекте, чтобы узнать больше. Чтобы создавать темы и писать сообщения, сначала зарегистрируйтесь, а затем войдите под своим логином.

    Не знаете, с чего начать? Создайте тему с описанием проблемы – подскажем и при необходимости перенесём её в подходящий раздел.
    Задать вопрос Новые сообщения Как правильно спросить
    Если пришли по ссылке со старого Tehnari.ru – вы на нужном месте, просто продолжайте обсуждение.

Темброблок

  • Автор темы Автор темы reflex
  • Дата начала Дата начала
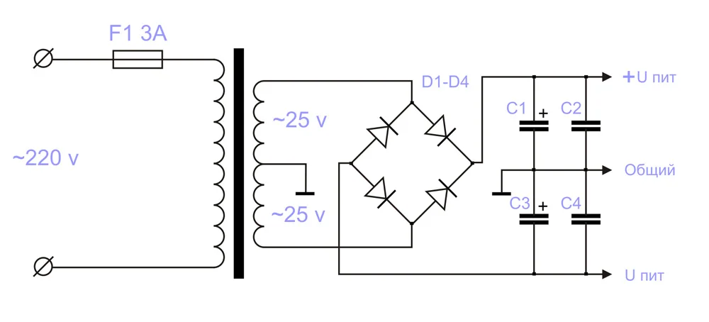
И полную схему БП нужно.
 
Схему этого блока питания.
 
И какие кондеры стоят ? ... :)
 
вот по этой схеме.конденсаторы 10 000 , 4 700 , 0.1 мкф
 

Вложения

  • 007.webp
    007.webp
    14.6 KB · Просмотры: 68
ПЖЛ, отметь на схеме, где 10 000, а где 4 700 ... :)
 
на ней только 10 000 и 0.1..
 
ведь не может быть треск из-за того что конденсатор на 4 700 пявился..:tehnari_ru_203:
 
и как им может мощности не хватать??
 
в январе будет год как я усилитель на tda7294 собираю.7 штук собрал и все что нибудь да не то:tehnari_ru_707:
 
Схема точно соответствует монтажу БП?
Подключение к платам УМ как в #156?
 
:tehnari_ru_837:
 
ну что дальше??
 
Я бы пересобрал заново БП. С другим мостом и другими конденсаторами. И проверил бы что получилось.
 
дима а есть ведь печатки для фильтра.мож сделать?правельней будет.
 
Какой фильтр?
 
ну для фильтрующих кон-ов
 
Назад
Сверху