• Добро пожаловать на компьютерный форум Tehnari.ru. Здесь разбираемся с проблемами ПК и ноутбуков: Windows, драйверы, «железо», сборка и апгрейд, софт и безопасность. Форум работает много лет, сейчас он переехал на новый движок, но старые темы и аккаунты мы постарались сохранить максимально аккуратно.

    Форум не связан с магазинами и сервисами – мы ничего не продаём и не даём «рекламу под видом совета». Отвечают обычные участники и модераторы, которые следят за порядком и качеством подсказок.

    Если вы у нас впервые, загляните на страницу о форуме и правила – там коротко описано, как задать вопрос так, чтобы быстро получить ответ. Чтобы создавать темы и писать сообщения, сначала зарегистрируйтесь, а затем войдите под своим логином.

    Не знаете, с чего начать? Создайте тему с описанием проблемы – подскажем и при необходимости перенесём её в подходящий раздел.
    Задать вопрос Новые сообщения Как правильно спросить
    Если пришли по старой ссылке со старого Tehnari.ru – вы на нужном месте, просто продолжайте обсуждение.

УНЧ GlaZZZ Audio

  • Автор темы Автор темы GlaZZZ
  • Дата начала Дата начала
Может в переменнике дело?
 
а если на самом плеере сделать тише?
На видео я показывал. Тоже самое. Хрип стоит и СЧ и ВЧ плавно(в зависимости от громкости) пропадают.

в каком посте схема?
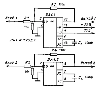
http://www.tehnari.ru/attachments/f170/146125d1375041951-145955d1374956840-157ud2a.gif

Может в переменнике дело?
Завтра выясню. Есть еще один на 100кОм
 
Артем, поставь конденсатор 1uf на вход преда,
для эксперимента можешь поставить любой даже Электролитический, (плюсом в сторону входа преда).
И попробуй поэкспериментировать с резисторами обратной связи.
 
Очень большое усиление. Попробуй примерно вдвое уменьшить сопротивление резисторов в 110 кОм (не помню нумерацию по схеме).
 
Вообще лучше поменять этот пред на другой более качественный. На хороший звук надеется не нужно.
 
Очень большое усиление.
Да, во такое и складывается очущение, что либо чего-то не хватает ему, либо лишнее.

Артем, поставь конденсатор 1uf на вход преда,
для эксперимента можешь поставить любой даже Электролитический, (плюсом в сторону входа преда).
И попробуй поэкспериментировать с резисторами обратной связи.
У меня стояла пленка 0.47uF - без толку.

Вообще лучше поменять этот пред на другой более качественный. На хороший звук надеется не нужно.
Я его в принципе собираю только для индикации. Была у меня мысль через него подключить сам УНЧ, но после таких проблем уже сомневаюсь. Хотя если не считать хрипа, то я звуком вполне доволен. Через наушники это хорошо слышно(спасибо за совет uzren ;) )

Как говорят спецы, звук у этого предусилителя очень даже не плохой :)

Завтра, как попробую, отпишусь.
Вообще попробую переменник подключить на 100кОм последовательно 110кОм, настрою на слух и поставлю по возможности обычный резистор подобранного номинала
 
Вообще попробую переменник подключить на 100кОм последовательно 110кОм, настрою на слух и поставлю по возможности обычный резистор подобранного номинала
Сопротивление нужно уменьшать, а при последовательном соединении оно увеличивается, и, даже при выведенном переменнике меньше 110 кОм не будет. А вот с 10 кОм последовательно переменник попробовать стоит. Кстати, не проверял еще раз номиналы резисторов?
 
Я собирал предусилитель на к157уд2 для индикатора. Питание +/-18в. Но звук на выходе не слушал. Попробуй по этой схеме.
А вообще-то я где-то здесь (на этом сайте) читал про усилитель для наушников на этой микрухе, хвалят.
Еще можно на кт315 заделать.
 

Вложения

  • К157УД2.webp
    К157УД2.webp
    11.8 KB · Просмотры: 636
Кстати, не проверял еще раз номиналы резисторов?
Нет, но завтра проверю.
Хорошо, примерно 10кОм найду и параллельно переменник поставлю

Я собирал предусилитель на к157уд2 для индикатора. Питание +/-18в. Но звук на выходе не слушал. Попробуй по этой схеме.
А вообще-то я где-то здесь (на этом сайте) читал про усилитель для наушников на этой микрухе, хвалят.
Я видел эту схему, но она меня не зацепила своей простотой.
Хотя номиналы те же самые. В обратной связи те же 110 кОм
 
И стабилизаторы верни на место. :)
 
А вообще-то я где-то здесь (на этом сайте) читал про усилитель для наушников на этой микрухе, хвалят.

Виноват, только что нашел и это не 157уд2. Это на 544уд2
 
Вообще лучше поменять этот пред на другой более качественный.
Молодец! Это очень хорошая мысль! На какой же более качественный усилитель ты предлагаешь ему поменять этот пред, если он с этим не может разобраться? Да в нём полторы детали всего то, и НЕ РАБОТАТЬ ТАМ НЕЧЕМУ!!!!!
Я видел эту схему, но она меня не зацепила своей простотой.
Ну это естественно!
 
Да в нём полторы детали всего то, и НЕ РАБОТАТЬ ТАМ НЕЧЕМУ!!!!!
Но ведь почему-то не работает?
Я монтаж проверял уже раз пять, все правильно. Это видать и правда в номиналах беда...

Я бы вполне собрал темброблок на тда или лм, но нет микросхем, за ними далеко ехать. А тут ОУ я выпаял, а рассыпуху можно и купить у нас в городе
 
Вообще лучше поменять этот пред на другой более качественный. На хороший звук надеется не нужно.
Опрерационник как операционник, не хуже многих современных импортных. А качество предампа не только в ОУ заключается. Здесь куча нюансов: схемотехника, типы деталей обвязки, разводка платы, которая не в последнюю очередь влияет на звучание. Можно так собрать схемку, что и дорогие ОУ не помогут.
 
Это видать и правда в номиналах беда...
Угу.... У тебя на плате запаяно 4 резистора по 16 кОм., и 2 по 170 Ом. (эти, правда, в никуда). Где они на схеме? И еще раз повторю: "Очень большое усиление!"
Поздравляю! :) Ты сделал хайгейновый дисторшн для электрогитары. :guitar:
Вот, глянь ради интереса.
 

Вложения

  • 000000258.webp
    000000258.webp
    123.4 KB · Просмотры: 85
Сейчас продавщицу готов растерзать! :tehnari_ru_093:tehno004
Uzren, вы были правы, ни один резистор не совпадает по схеме... Только 110 кОм совпал.
Я когда купил, приехал домой и проверил мультиметром. А он уже сигнализировал о том, что разряжен. Ну и в конечно итоге, все что я мерял мультиметром оказалась полной ложью. Сейчас подключил его к блоку питания, вместо батарейки, померял и не совпало ничего.

Фантастика в том, что разряженый мультиметр показывал почти точные значения резисторов... Я понимаю, что это звучит как бред, но это так.

Никогда больше не зайду в этот магазин.:tehnari_ru_281: :tehnari_ru_109: :tehnari_ru_623:

Кстати при всем этом трюк с 10 килоомным резистором и переменником в цепи коррекции не прошел.
 
Стоп! В цепи коррекции или в цепи обратной связи? Уже и меня запутал совсем. Если в цепи коррекции (выводы 1,12 и 7,8), то эффекта и не должно было быть. А если между выводами 3-13 и 5-9, то это уже становится весьма странно. А если плеер (или что там телефон?) подключается напрямую к колонкам, то звук нормальный?
Давай вот как сделаем. Демонтируешь с платы все детали кроме микросхемы и конденсаторов в цепи питания. Затем с обратной стороны платы (там где дорожки) собираешь вот такую схемку. Проверяешь и отписываешься, можно ( и даже нужно, с фото и видео :) ), а дальше будем смотреть....
 

Вложения

  • 157уд2.webp
    157уд2.webp
    16.2 KB · Просмотры: 70
Назад
Сверху