• Добро пожаловать на компьютерный форум Tehnari.ru. Здесь разбираемся с проблемами ПК и ноутбуков: Windows, драйверы, «железо», сборка и апгрейд, софт и безопасность. Форум работает много лет, сейчас он переехал на новый движок, но старые темы и аккаунты мы постарались сохранить максимально аккуратно.

    Форум не связан с магазинами и сервисами – мы ничего не продаём и не даём «рекламу под видом совета». Отвечают обычные участники и модераторы, которые следят за порядком и качеством подсказок.

    Если вы у нас впервые, загляните на страницу о проекте, чтобы узнать больше. Чтобы создавать темы и писать сообщения, сначала зарегистрируйтесь, а затем войдите под своим логином.

    Не знаете, с чего начать? Создайте тему с описанием проблемы – подскажем и при необходимости перенесём её в подходящий раздел.
    Задать вопрос Новые сообщения Как правильно спросить
    Если пришли по ссылке со старого Tehnari.ru – вы на нужном месте, просто продолжайте обсуждение.

Усилитель 2.1

Да обычный тумблер.
sel001.GIF

Получается простейший селектор на два входа
 
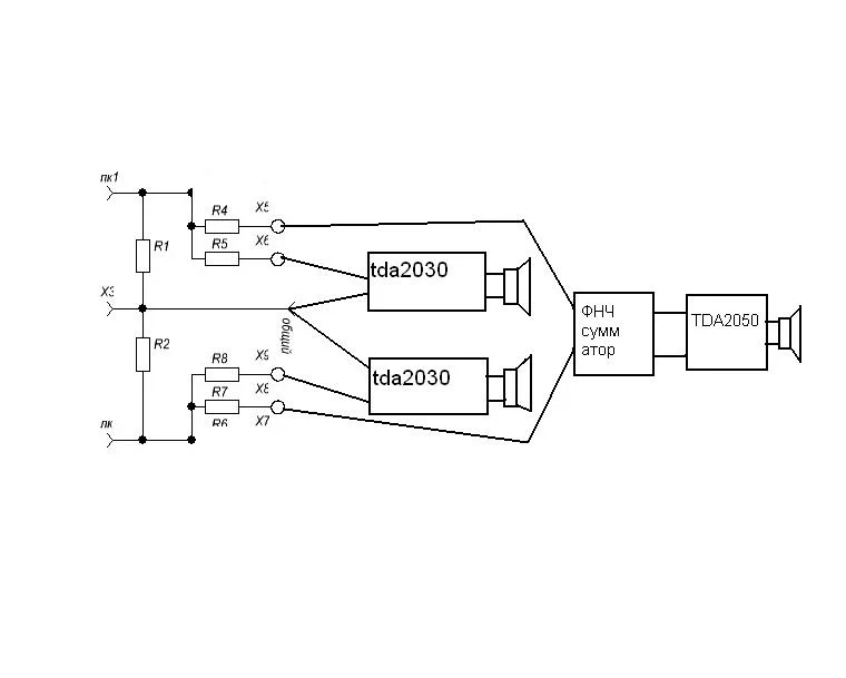
Вот, накидал блок схему, проверьте пожалуйста, усилитель для наушников рисовать не стал, но думаю он подключается аналагично tda2030.
 

Вложения

  • Безымянный.webp
    Безымянный.webp
    13.2 KB · Просмотры: 437
В сумматоре уже есть такие резисторы, поэтому можно так подключать
 

Вложения

  • сумм.webp
    сумм.webp
    14.8 KB · Просмотры: 127
Исправленный вариант
 

Вложения

  • сумм.webp
    сумм.webp
    15.6 KB · Просмотры: 323
Тлф это наушники?
 
Усилитель для наушников
 
Резисторы на какую мощность? И номинал любой от 5 до 10кОм?
 
подскажите пожалуйста, регулятор громкости ставить до фильтра или после?
 
подскажите пожалуйста, регулятор громкости ставить до фильтра или после?
 
извините что влезаю в чужую тему. подскажите какую нить одноканальную микру тда с однополяным питанием 12В и выходной мощностью 20-30Вт.
 
Здравствуйте, решил собирать унч на tda2050 по схеме из даташита, везде пишут что R4 2.2ом должен быть на 5 ватт, для чего нужна такая большая мощность резистора?
 
уже собрал по схеме из даташита, слышен фон когда переменник выкручен на середину, если выкрутить на всю фон пропадает, и при прикосновении к R4 фон тоже пропадает, что делать - не знаю(
 
Надо делать правильный монтаж, правильно разводить "землю", применять экранированные провода, правильное питание и т.д.
 
Назад
Сверху