За схемку спасибо!!! Завтра продолжу.Да..........
Смотрите видео ниже, чтобы узнать, как установить наш сайт в качестве веб-приложения на домашнем экране.
Примечание: Эта возможность может быть недоступна в некоторых браузерах.
Добро пожаловать на компьютерный форум Tehnari.ru. Здесь разбираемся с проблемами ПК и ноутбуков: Windows, драйверы, «железо», сборка и апгрейд, софт и безопасность. Форум работает много лет, сейчас он переехал на новый движок, но старые темы и аккаунты мы постарались сохранить максимально аккуратно.
Форум не связан с магазинами и сервисами – мы ничего не продаём и не даём «рекламу под видом совета». Отвечают обычные участники и модераторы, которые следят за порядком и качеством подсказок.
Если вы у нас впервые, загляните на страницу о проекте, чтобы узнать больше. Чтобы создавать темы и писать сообщения, сначала зарегистрируйтесь, а затем войдите под своим логином.
За схемку спасибо!!! Завтра продолжу.Да..........
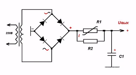
Умножай на 1.4.Вольтаж после моста и фильтра будет больше чем до него? Я правильно понял?
Так вот и я о том же!500 рублей за канал - вполне разумно...
И будет печка! Я такое уже делал, потом перематывал обратно.Плотность тока до 4 задрать и
если габаритная позволяет снять 400-500 то увеличение мощности сводится к полной (или частичной, в зависимости от того каким проводом первичка намотана) перемотке транса.Как можно увеличить мощность тароидального трансформатора
Мы это решили еще во 2 посту.предложил LMки и TDA на саб.
Хватать и тащить в нору! Похоже, это он и есть, стабилизатор советский! Триста там должно быть однозначно. Вторичку смотать, а первичку можно и оставить, даже если и люминь, диаметр провода померить. Ежли Под миллиметр, должно хватить!
Значит это бублик от ЛАТРа, тож вещь ценная! В прогу подставь размеры и узнаешь мощность по железу. Примерно как этот? Тут только медь...