• Добро пожаловать на компьютерный форум Tehnari.ru. Здесь разбираемся с проблемами ПК и ноутбуков: Windows, драйверы, «железо», сборка и апгрейд, софт и безопасность. Форум работает много лет, сейчас он переехал на новый движок, но старые темы и аккаунты мы постарались сохранить максимально аккуратно.

    Форум не связан с магазинами и сервисами – мы ничего не продаём и не даём «рекламу под видом совета». Отвечают обычные участники и модераторы, которые следят за порядком и качеством подсказок.

    Если вы у нас впервые, загляните на страницу о проекте, чтобы узнать больше. Чтобы создавать темы и писать сообщения, сначала зарегистрируйтесь, а затем войдите под своим логином.

    Не знаете, с чего начать? Создайте тему с описанием проблемы – подскажем и при необходимости перенесём её в подходящий раздел.
    Задать вопрос Новые сообщения Как правильно спросить
    Если пришли по ссылке со старого Tehnari.ru – вы на нужном месте, просто продолжайте обсуждение.

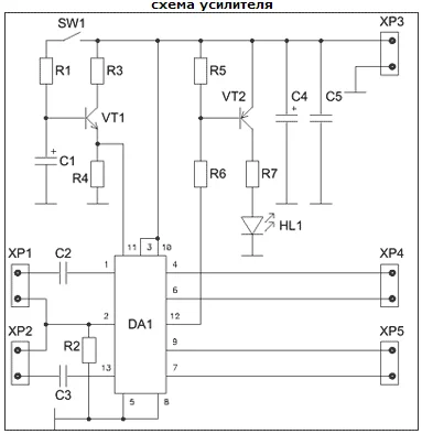
Усилитель для медиацентра с нуля

Я тоже хочу попробовать протравить сам. Только что заходил в наш местный чипок радиодеталей. Половина из списка у них нет, ладно думаю есть же на заказ точно есть обрадовала продавец. Если сейчас заказать по предоплате то К осени привезем все по вашему списку. Я В ШОКЕ!!!
 
Китай! под боком
 
Помогите разобраться с компонентами. На схеме не пойму что за кондеры С2-С3-С5 какой вольтаж и как Выгладят.
 

Вложения

  • Снимок.webp
    Снимок.webp
    10 KB · Просмотры: 782
  • Снимок0.webp
    Снимок0.webp
    13.5 KB · Просмотры: 156
Помогите разобраться с компонентами. На схеме не пойму что за кондеры С2-С3-С5 какой вольтаж и как Выгладят.

пленочные конденсаторы.напряжение которых выше напряжения питания.
 
Всем здравствуйте !!! Подскажите что делать Не могу ни где найти транзисторы BD548 или BD547 и BD558 или BD557. Как то их можно заменить?
 
Помогите разобраться с компонентами. На схеме не пойму что за кондеры С2-С3-С5 какой вольтаж и как Выгладят.

с2 с3:0,47мкф на 63 вольта бери и хватит с5:0,1мкф тоже бери на 63 вольта пленочные конденсаторы примерно так
 

Вложения

  • bd045321000dac8395ea7a28a017df38.webp
    bd045321000dac8395ea7a28a017df38.webp
    4 KB · Просмотры: 185
Да не за что)
 
Да у него там, как я понял, вообще напряг с деталями, для первого раза и совдепия пойдет, запороть не жалко. Соберет, послухает, решит, что "маловато будет"- и соберет на путевой комплектухе и микрухах! Ща главное, что б заработало! Плюс,мы не знаем, что за акустика, источник... Если бюджетный 5.1 и звук со встройки компа, то по барабану, какие там транзисторы, резисторы, диоды. Круто ж было с кассетного Маяка, заезженную кассету, через Радиотехнику на S-90 !!!
 
Последнее редактирование:
Я ничего не говорю про совковую россыпь, сам для души держу оконечник от мелодии 101 полностью на совке (пробовал менять на импорт каскады - не то, портится вся прелесть "мягкости" германиевого звука) :)
 
Про "германий" наслышан, но сам звук уже не помню. Вроде в Аккордах, даже чуть ли не третьего класса до 70х годов ставили...
 
Да у него там, как я понял, вообще напряг с деталями, для первого раза и совдепия пойдет, запороть не жалко. Соберет, послухает, решит, что "маловато будет"- и соберет на путевой комплектухе и микрухах! Ща главное, что б заработало! Плюс,мы не знаем, что за акустика, источник... Если бюджетный 5.1 и звук со встройки компа, то по барабану, какие там транзисторы, резисторы, диоды. Круто ж было с кассетного Маяка, заезженную кассету, через Радиотехнику на S-90 !!!
Они кстати до сих пор в деревне гоняются правда теперь на ямахе
 
Поковырялся на китайских сайтах и понравились динамики. Характеристики окружение(ВЧ 20в 4ом СЧ 30в 4ом НЧ 60в 8ом) Центр((ВЧ 20в 4ом (СЧ 30в 4ом *2)) Реально сделать выходное сопротивление колонки 2 Ома?
 
Назад
Сверху