• Добро пожаловать на компьютерный форум Tehnari.ru. Здесь разбираемся с проблемами ПК и ноутбуков: Windows, драйверы, «железо», сборка и апгрейд, софт и безопасность. Форум работает много лет, сейчас он переехал на новый движок, но старые темы и аккаунты мы постарались сохранить максимально аккуратно.

    Форум не связан с магазинами и сервисами – мы ничего не продаём и не даём «рекламу под видом совета». Отвечают обычные участники и модераторы, которые следят за порядком и качеством подсказок.

    Если вы у нас впервые, загляните на страницу о проекте, чтобы узнать больше. Чтобы создавать темы и писать сообщения, сначала зарегистрируйтесь, а затем войдите под своим логином.

    Не знаете, с чего начать? Создайте тему с описанием проблемы – подскажем и при необходимости перенесём её в подходящий раздел.
    Задать вопрос Новые сообщения Как правильно спросить
    Если пришли по ссылке со старого Tehnari.ru – вы на нужном месте, просто продолжайте обсуждение.

Усилитель из магнитофона "Ростов МК105"

  • Автор темы Автор темы montag
  • Дата начала Дата начала
уфф точно,мр фикс спасибо за идею,но тут возникает проблема,придётся искать возбуд в предусилителе,в прежних попытках реанимировать сей агрегат,периодически возникала перегрузка,на выходе постоянка,горел резистор в цепи цобеля,так-что отключил его нафик.наверно всё-же придётся искать переменные резисторы и обходится без всяких тонкомпенсаций а та схемка которую вы посоветовали всё-же сложна
 
При возбуждении в усилителе 020 смотрите (меняйте, измеряйте, подкидывайте) С3, С7, С8 (серые, трубчатые). Замените все электролитические конденсаторы.
Генерация так же возможна из-за датчика термо-оос Т3, провода идущие до него должны быть плотно свиты.
 
то есть то что возбуждение идёт только с подключенным блоком регулировки тембров и громкости просто совпадение?
 
Вот даже как. Это в одном канале? Тогда не обращали ли внимание, зависит ли начало возбуждения от положения регуляторов тембра?
Это не отменяет предыдущих рекомендаций, плюс на входе усилителя просто необходим пассивный ФНЧ, 470 Ом + 470-1000 пФ примерно.
 
нет возбуждаются оба канала резко с раскалением р41 а вот положения регуляторов даже не обращал внимания. вообще аппарат попал в руки в весьма потрёпанном виде все выходники горелые,в одном из каналов вместе с предвыходниками в другом стабилитрон д1 при внешней исправности в рабочем режиме запирался.и главное ползунковые резисторы громкости,даже между крайними выводами имели полутора кратное расхождение а с подвижным выводом только один имел контакт
 
Тогда вполне возможно, что генерит ТБ, причин может быть масса. Если есть желание восстановить - начинайте с питания, тотальная замена электролитических конденсаторов, установка развязок и тд...
 
Начните с стабилизатора + 14 вольт. Проблема вероятно общая для обоих каналов и вполне может быть связана с питанием.
 
спасибо за грамотные советы,сегодня достал радиотехнику с дальней полки,и огорчился в одном канале накрылся электролит,малой кровью не обойтись,надо всётаки закончить с ростовом проблема в отсутствии хорошего но простого рг может добавить к ступенчатому,аттеньюатор похожий на р 020
 
Номинал регулятора громкости нужно выбирать в пределах 10-20 кОм, высокоомные более чувствительны к внешним помехам и вносят в тракт дополнительный шум. Низкоомные нагружают источник звука, не каждый сможет обеспечить заявленные характеристики на малом входном сопротивлении.
Для того, чтобы выполнялся закон регулирования громкости, равное приращение громкости от угла поворота регулятора с показательной характеристикой, должно выполняться условие - входное сопротивление каскада следующего за регулятором должно быть больше, как минимум, на порядок.
Для усилителя от "Ростова", для согласования импедансов регулятора громкости и входного сопротивления необходим буфер (повторитель с большим входным и малым выходным сопротивлением). Выполнить его можно на одном операционном усилителе для одного канала. Активный регулятор - частное решение этой задачи, я больше склоняюсь к совмещению буфера с ФНЧ.
 
а фильтр на какую частоту,и в роли буфера можно ли использовать ne5532 а то имеется несколько,была мысль сделать пред на них,
 
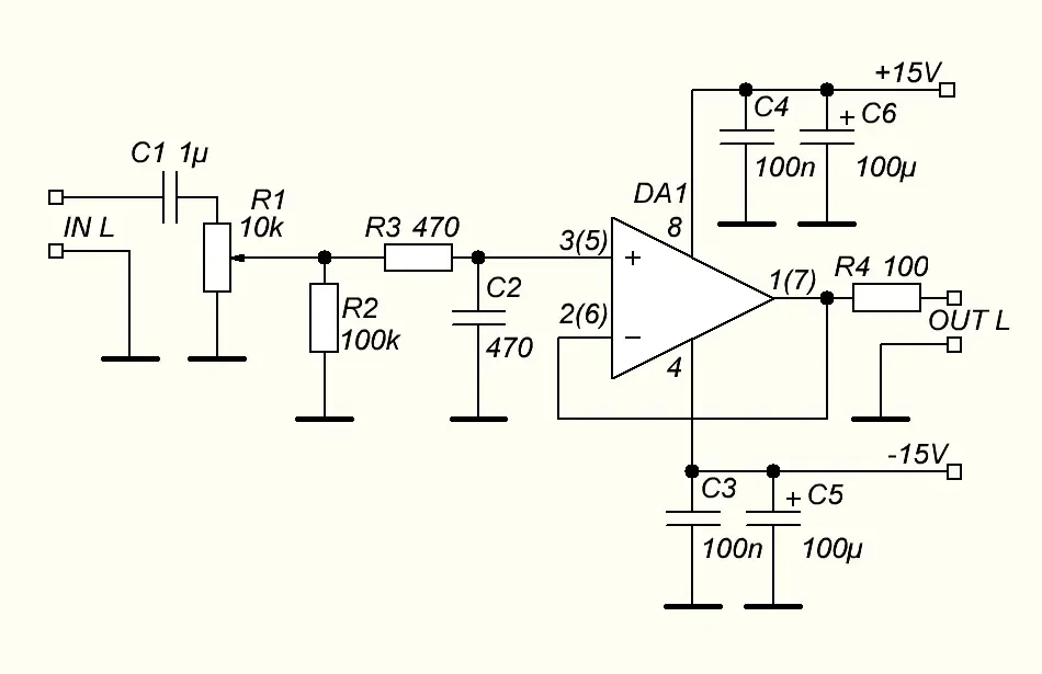
Конечно подойдёт. Нужен один корпус, он сдвоенный. На рисунке представлен самый простой вариант. Питание для ОУ можете взять прямо с шин питания усилителя через параметрический стабилизатор - 1-1,5 кОм + стабилитрон на 12-15 вольт.
 

Вложения

  • BUF.webp
    BUF.webp
    16.1 KB · Просмотры: 171
прям руки зачесались жаль до понедельника к паяльнику не пустят ,борьба с урожаем лиш-бы дождик не помешал
 
подскажите если между выводами 2 и 1 вместо перемычки установить сопротивление ку увеличится? и цепочка CR на входе может быть фнч очень сильно подчёркиваются низкие частоты
 
Нужно ставить два резистора, АЧХ данного предварительного усилителя линейна в звуковом диапазоне.
 
ув.Mr.Fix нужна помощь,дважды повторил рекомендованную вами схему.питание взято от родного,ростовского бп там есть +-15 в.оба раза при подключении,вроде всё нормально,но при уменьшении громкости регулятором из схемы возникают искажения буд-то уменьшаются средние частоты а низы и возможно верхи уменьшаются меньше .то-есть провал в середине,и для работы от ipod а мал ку .
 
Сможете, если не трудно, предоставить фотографию реализации данной схемы, а так же полную схему подключения всех блоков в данный момент.
Чуть позже предоставлю скорректированную схему с увеличенным коэффициентом усиления.
 
наверно фотки ничем не помогут,оба раза собирал на макетке
 

Вложения

  • IMG_0207.webp
    IMG_0207.webp
    60.8 KB · Просмотры: 79
  • IMG_0208.webp
    IMG_0208.webp
    72.4 KB · Просмотры: 108
Большие белые конденсаторы на плате - С2? Скорее всего дело в них, их ёмкость должна быть 470 пФ(pF) или 0,47 нФ(nF) или 0,00047 мкФ(uF).
 
ёшкин кот 0,47 микрофарад кажись,причём и в первой схемке,только другие,с утра заменю
 
как-же всё легко испортить невнимательностью,поменял ёмкости и всё заработало,ещё вопросик,можно ли в этом месте применить керамические конденсаторы,а то плёнки более не осталось
 
Назад
Сверху