- Регистрация
- 23 Июл 2012
- Сообщения
- 4,803
- Реакции
- 186
- Баллы
- 0
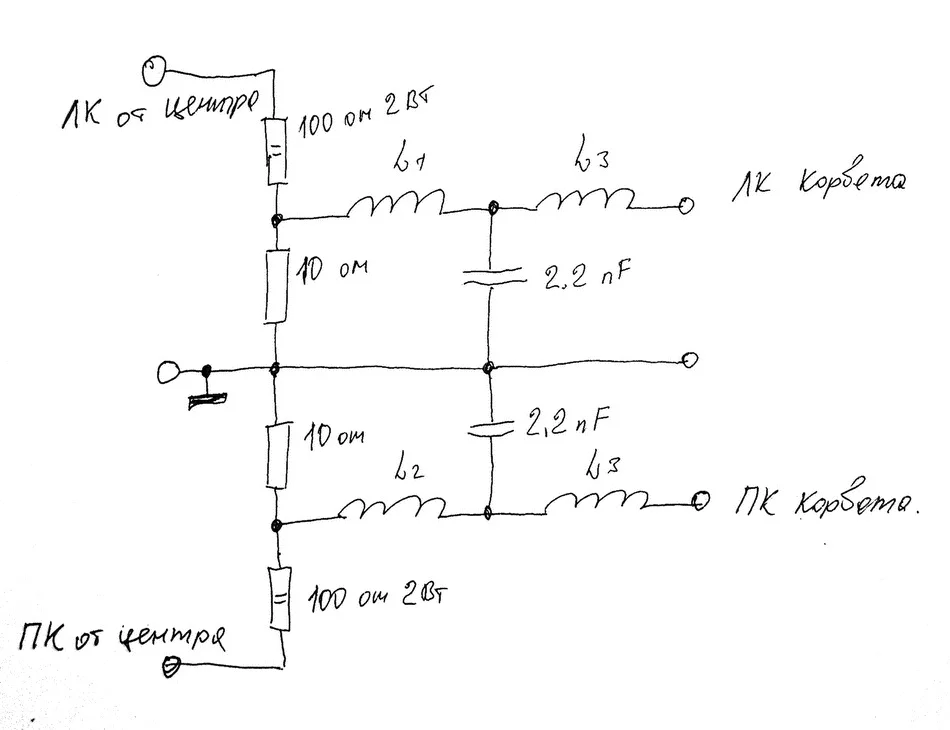
Попробуй эту схему

Резисторами на 10 ом подбирается уровень громкости.
Конденсаторами 2.2 нанофарад балансируем между высокими частотами и искажениями.
Катушки L1-L4 мотаются на карандаш проводом 0.5-0.8. Вначале делается 10 витков, потом второй слой 9 витков. Закрепляется клеем. Можно предварительно намотать на карандаш бумажку.

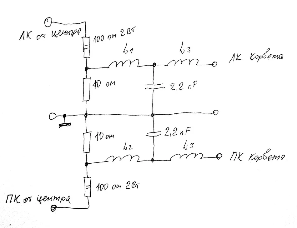
Резисторами на 10 ом подбирается уровень громкости.
Конденсаторами 2.2 нанофарад балансируем между высокими частотами и искажениями.
Катушки L1-L4 мотаются на карандаш проводом 0.5-0.8. Вначале делается 10 витков, потом второй слой 9 витков. Закрепляется клеем. Можно предварительно намотать на карандаш бумажку.

